电脑桌面
添加小米粒文库到电脑桌面
安装后可以在桌面快捷访问

高中化学选修一第一章《化学反应的热效应》测试卷(有答案解析)(17)VIP免费

高中化学选修一第一章《化学反应的热效应》测试卷(有答案解析)(17)_第1页
1/27
高中化学选修一第一章《化学反应的热效应》测试卷(有答案解析)(17)_第2页
2/27
高中化学选修一第一章《化学反应的热效应》测试卷(有答案解析)(17)_第3页
3/27
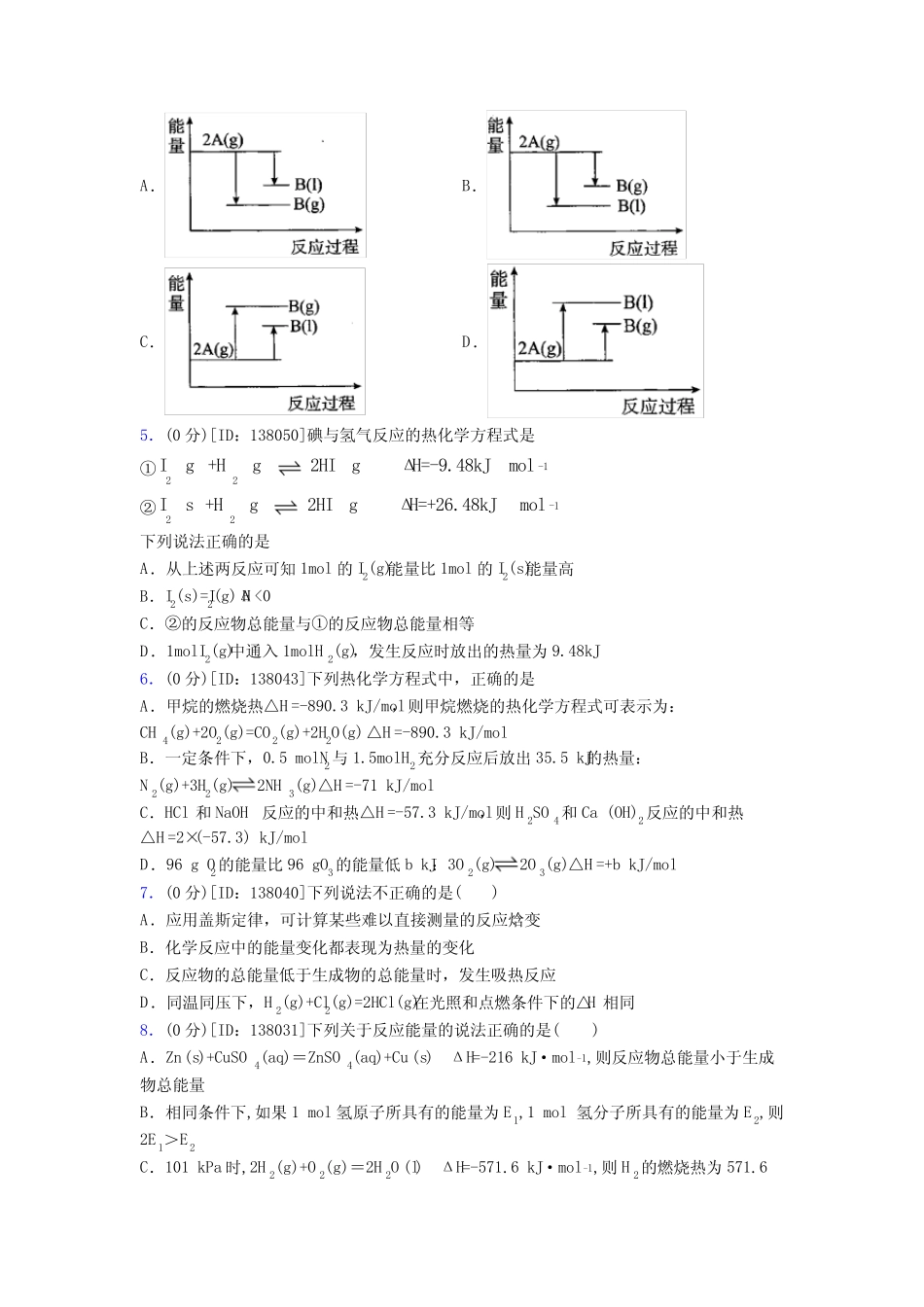
一、选择题1.(0分)[ID:138002]水煤气变换反应为:CO(g)+H2O(g)=CO2(g)+H2(g)。我国学者结合实验与计算机模拟结果,研究了在金催化剂表面上水煤气变换的反应历程,如图所示,其中吸附在金催化剂表面上的物种用·标注。下列说法正确的是A.水煤气变换反应的∆H>0B.步骤③的化学方程式为:CO·+OH·+H2O(g)=COOH·+H2O·C.步骤⑤只有非极性键H-H键形成D.该历程中最大能垒(活化能)E正=1.86eV2.(0分)[ID:138067]下列说法不正确的是A.核能、太阳能、氢能都是新能源B.已知反应C(s,石墨)=C(s,金刚石)∆H>0,可得结论:石墨比金刚石更稳定C.“开发利用新能源”“汽车尾气催化净化”都能提高空气质量D.乙醇和汽油都是可再生能源,应大力推广“乙醇汽油”3.(0分)[ID:138060]根据如下能量关系示意图,可知反应2C(s)+O2(g)=2CO(g)的△H为A.-110.6kJ·mol-1B.-221.2kJ·mol-1C.-393.5kJ·mol-1D.-676.4kJ·mol-14.(0分)[ID:138059]对于反应:2AgBg+QQ>0,下列能量变化示意图正确的是A.B.C.D.5.(0分)[ID:138050]碘与氢气反应的热化学方程式是①-122Ig+Hg2HIgΔH=-9.48kJmol②-122Is+Hg2HIgΔH=+26.48kJmol下列说法正确的是A.从上述两反应可知1mol的I2(g)能量比1mol的I2(s)能量高B.I2(s)=I2(g)ΔH<0C.②的反应物总能量与①的反应物总能量相等D.1molI2(g)中通入1molH2(g),发生反应时放出的热量为9.48kJ6.(0分)[ID:138043]下列热化学方程式中,正确的是A.甲烷的燃烧热△H=-890.3kJ/mol,则甲烷燃烧的热化学方程式可表示为:CH4(g)+2O2(g)=CO2(g)+2H2O(g)△H=-890.3kJ/molB.一定条件下,0.5molN2与1.5molH2充分反应后放出35.5kJ的热量:N2(g)+3H2(g)2NH3(g)△H=-71kJ/molC.HCl和NaOH反应的中和热△H=-57.3kJ/mol,则H2SO4和Ca(OH)2反应的中和热△H=2×(-57.3)kJ/molD.96gO2的能量比96gO3的能量低bkJ:3O2(g)2O3(g)△H=+bkJ/mol7.(0分)[ID:138040]下列说法不正确的是()A.应用盖斯定律,可计算某些难以直接测量的反应焓变B.化学反应中的能量变化都表现为热量的变化C.反应物的总能量低于生成物的总能量时,发生吸热反应D.同温同压下,H2(g)+Cl2(g)=2HCl(g)在光照和点燃条件下的△H相同8.(0分)[ID:138031]下列关于反应能量的说法正确的是()A.Zn(s)+CuSO4(aq)=ZnSO4(aq)+Cu(s)ΔH=-216kJ·mol-1,则反应物总能量小于生成物总能量B.相同条件下,如果1mol氢原子所具有的能量为E1,1mol氢分子所具有的能量为E2,则2E1>E2C.101kPa时,2H2(g)+O2(g)=2H2O(l)ΔH=-571.6kJ·mol-1,则H2的燃烧热为571.6kJ·mol-1D.氧化还原反应一定是放热反应9.(0分)[ID:138026]科学家用X射线激光技术观察到CO与O在催化剂表面形成化学键的过程。反应的热化学方程式为CO(g)+O(g)=CO2(g)ΔH1,反应过程的示意图如图,下列说法中正确的是()A.ΔH1>0B.三种状态中,状态Ⅲ最稳定C.使用催化剂能增大CO和O生成CO2的平衡转化率D.若2CO(g)+O2(g)=2CO2(g)的反应热为ΔH2,则ΔH2<2ΔH110.(0分)[ID:138020]2mol金属钠和1mol氯气反应的能量关系如图所示,下列说法不正..确.的是A.ΔH7<0B.ΔH4的值数值上和Cl-Cl共价键的键能相等C.ΔH5<0,在相同条件下,2Br(g)2Br-(g)的ΔH5'﹤ΔH5D.ΔH2+ΔH3+ΔH4+ΔH5+ΔH6+ΔH7=ΔH111.(0分)[ID:138017]现代火法炼锌过程中主要发生了以下前三个反应。下列说法正确的是()①2ZnS(s)+3O2(g)=2ZnO(s)+2SO2(g)ΔH1=akJ•mol-1②2C(s)+O2(g)=2CO(g)ΔH2=bkJ•mol-1③ZnO(s)+CO(g)=Zn(g)+CO2(g)ΔH3=ckJ•mol-1④OH-(aq)+H+(aq)=H2O(l)ΔH4=dkJ•mol-1A.以上四个反应中,只有①④是放热反应B.1molNaOH分别和含有1molCH3COOH、1molHNO3的稀溶液反应,后者比前者ΔH大C.C(s)的燃烧热是b2kJ/mol,D.反应ZnS(s)+C(s)+2O2(g)=Zn(g)+SO2(g)+CO2(g)的△H=a+b+2c2kJ•mol-112.(0分)[ID:138014]含0.2molKOH的稀溶液与1L0.1mol·L-1的H2SO4溶液反应放出11.46kJ的热量。下列表示该反应中和热的热化学方程式正确的是()A.KOH(aq)+12H2SO4(aq...

1、当您付费下载文档后,您只拥有了使用权限,并不意味着购买了版权,文档只能用于自身使用,不得用于其他商业用途(如 [转卖]进行直接盈利或[编辑后售卖]进行间接盈利)。
2、本站所有内容均由合作方或网友上传,本站不对文档的完整性、权威性及其观点立场正确性做任何保证或承诺!文档内容仅供研究参考,付费前请自行鉴别。
3、如文档内容存在违规,或者侵犯商业秘密、侵犯著作权等,请点击“违规举报”。

碎片内容

高中化学选修一第一章《化学反应的热效应》测试卷(有答案解析)(17)

您可能关注的文档

文达天下+ 关注
实名认证
内容提供者

各类试题、文摘、指南、行业规范

确认删除?
VIP
微信客服
  • 扫码咨询
会员Q群
  • 会员专属群点击这里加入QQ群
客服邮箱
回到顶部