电脑桌面
添加小米粒文库到电脑桌面
安装后可以在桌面快捷访问

高考化学专题复习-专题十六化学实验基本方法-综合篇-模拟练习题(附答案...VIP免费

高考化学专题复习-专题十六化学实验基本方法-综合篇-模拟练习题(附答案..._第1页
1/8
高考化学专题复习-专题十六化学实验基本方法-综合篇-模拟练习题(附答案..._第2页
2/8
高考化学专题复习-专题十六化学实验基本方法-综合篇-模拟练习题(附答案..._第3页
3/8
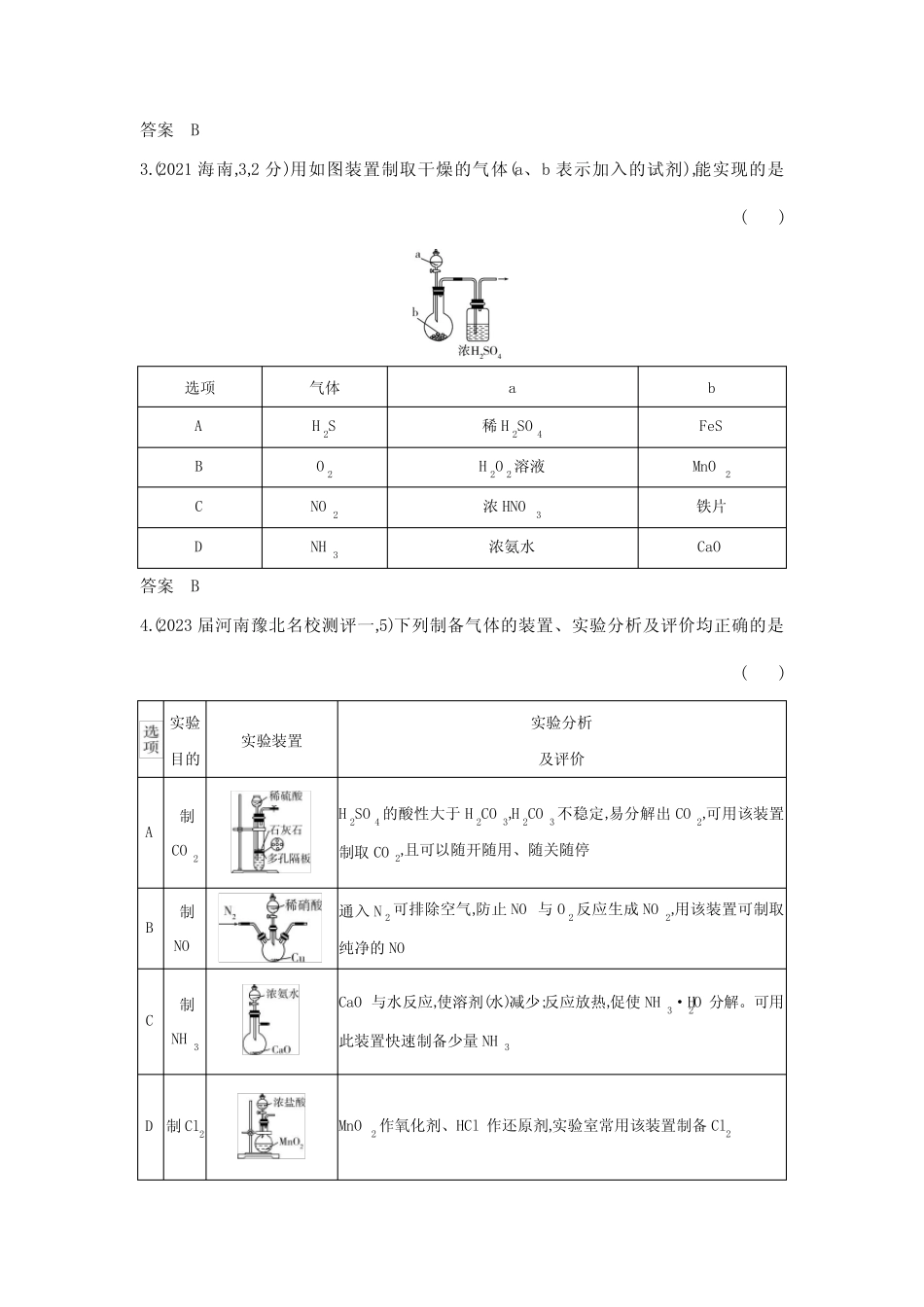
专题十六化学实验基本方法综合篇综合气体制备综合分析1.(2021北京,5,3分)实验室制备下列气体所选试剂、制备装置及收集方法均正确的是()abcde气体试剂制备装置收集方法AO2KMnO4adBH2Zn+稀H2SO4beCNOCu+稀HNO3bcDCO2石灰石+稀H2SO4bc答案B2.(2022安徽淮南二模,9)在实验室采用如图所示装置进行气体的干燥、收集和尾气处理,合理的是()选项气体溶液XANO氢氧化钠溶液BNH3水CSO2氢氧化钠溶液DCl2饱和食盐水答案B3.(2021海南,3,2分)用如图装置制取干燥的气体(a、b表示加入的试剂),能实现的是()选项气体abAH2S稀H2SO4FeSBO2H2O2溶液MnO2CNO2浓HNO3铁片DNH3浓氨水CaO答案B4.(2023届河南豫北名校测评一,5)下列制备气体的装置、实验分析及评价均正确的是()实验目的实验装置实验分析及评价A制CO2H2SO4的酸性大于H2CO3,H2CO3不稳定,易分解出CO2,可用该装置制取CO2,且可以随开随用、随关随停B制NO通入N2可排除空气,防止NO与O2反应生成NO2,用该装置可制取纯净的NOC制NH3CaO与水反应,使溶剂(水)减少;反应放热,促使NH3·H2O分解。可用此装置快速制备少量NH3D制Cl2MnO2作氧化剂、HCl作还原剂,实验室常用该装置制备Cl2答案C5.(2022北京昌平二模,6)利用如图装置可以达到实验目的的是()选项实验目的X中试剂Y中试剂A用MnO2和浓盐酸制取并收集纯净干燥的Cl2饱和食盐水浓硫酸B用Cu与浓硝酸制取并收集纯净干燥的NO2水浓硫酸C用大理石和稀盐酸制取并收集纯净干燥的CO2饱和NaHCO3溶液浓硫酸D锌和稀盐酸制取并收集纯净干燥的H2水浓硫酸答案C6.(2021全国乙,8,6分)在实验室采用如图装置制备气体,合理的是()化学试剂制备的气体ACa(OH)2+NH4ClNH3BMnO2+HCl(浓)Cl2CMnO2+KClO3O2DNaCl+H2SO4(浓)HCl答案C7.(2022北京丰台一模,7)实验室制取下列气体,所选反应试剂、制备装置与收集方法合理的是()选项气体反应试剂制备装置收集方法ANO2Cu、稀硝酸beBC2H4C2H5OH、浓硫酸cfCNH3Ca(OH)2、NH4CladDSO2Na2SO3、70%硫酸bf答案B8.(2023届天津一中月考一,6)某学习小组设计了如图的实验装置(夹持装置已省略)模拟常压下工业合成氨,并检验氨的生成。Y形管左侧支管中盛有NH4Cl与NaNO2的混合溶液,加热后生成N2及少量NH3。下列有关描述不正确的是()A.实验时,点燃a处酒精灯一段时间后,再点燃c处酒精喷灯B.b处装置可用盛有碱石灰的U形管代替C.硬质玻璃管中的石棉可增大混合气体与铁粉的接触面积D.若d处锥形瓶中溶液变红,则说明硬质玻璃管中有NH3生成答案B9.(2021天津,15,18分)某化学小组同学利用一定浓度的H2O2溶液制备O2,再用O2氧化C2H5OH,并检验氧化产物。Ⅰ.制备O2该小组同学设计了如下气体发生装置(夹持装置省略)(甲)(乙)(丙)(1)甲装置中主要仪器的名称为。(2)乙装置中,用黏合剂将MnO2制成团,放在多孔塑料片上,连接好装置,气密性良好后打开活塞K1,经长颈漏斗向试管中缓慢加入3%H2O2溶液至。欲使反应停止,关闭活塞K1即可,此时装置中的现象是。(3)丙装置可用于制备较多O2,催化剂铂丝可上下移动。制备过程中如果体系内压强过大,安全管中的现象是,此时可以将铂丝抽离H2O2溶液,还可以采取的安全措施是。(4)丙装置的特点是(填序号)。a.可以控制制备反应的开始和结束b.可通过调节催化剂与液体接触的面积来控制反应的速率c.与乙装置相比,产物中的O2含量高、杂质种类少Ⅱ.氧化C2H5OH该小组同学设计的氧化C2H5OH的装置如图(夹持装置省略)(5)在图中方框内补全干燥装置和干燥剂。Ⅲ.检验产物(6)为检验上述实验收集到的产物,该小组同学进行了如下实验并得出相应结论。实验序号检验试剂和反应条件现象结论①酸性KMnO4溶液紫红色褪去产物含有乙醛②新制Cu(OH)2,加热生成砖红色沉淀产物含有乙醛③微红色含酚酞的NaOH溶液微红色褪去产物可能含有乙酸实验①~③中的结论不合理的是(填序号),原因是。答案(1)分液漏斗、锥形瓶(2)刚好没过MnO2固体试管内的H2O2溶液被压入长颈漏斗中,与MnO2分离(3)液面上升打开弹簧夹K2(4)ab(5)(6)①乙醇也能使酸性KMnO4溶液褪色10.(2023届云南玉溪一中开学考,15)亚硝酰氯(ClNO)是有机合成中的重要试剂,其沸点为-5.5℃,易水解。已知:AgNO2微溶于水,能溶于硝酸,AgNO2+HNO3AgNO3+HNO2。某学习小组在实验室用Cl2和NO制备ClNO并测...

1、当您付费下载文档后,您只拥有了使用权限,并不意味着购买了版权,文档只能用于自身使用,不得用于其他商业用途(如 [转卖]进行直接盈利或[编辑后售卖]进行间接盈利)。
2、本站所有内容均由合作方或网友上传,本站不对文档的完整性、权威性及其观点立场正确性做任何保证或承诺!文档内容仅供研究参考,付费前请自行鉴别。
3、如文档内容存在违规,或者侵犯商业秘密、侵犯著作权等,请点击“违规举报”。

碎片内容

高考化学专题复习-专题十六化学实验基本方法-综合篇-模拟练习题(附答案...

您可能关注的文档

文达天下+ 关注
实名认证
内容提供者

各类试题、文摘、指南、行业规范

相关文档

确认删除?
VIP
微信客服
  • 扫码咨询
会员Q群
  • 会员专属群点击这里加入QQ群
客服邮箱
回到顶部