电脑桌面
添加小米粒文库到电脑桌面
安装后可以在桌面快捷访问

造价案例-建设项目投资构成与估算方法(二)VIP免费

造价案例-建设项目投资构成与估算方法(二)_第1页
1/12
造价案例-建设项目投资构成与估算方法(二)_第2页
2/12
造价案例-建设项目投资构成与估算方法(二)_第3页
3/12
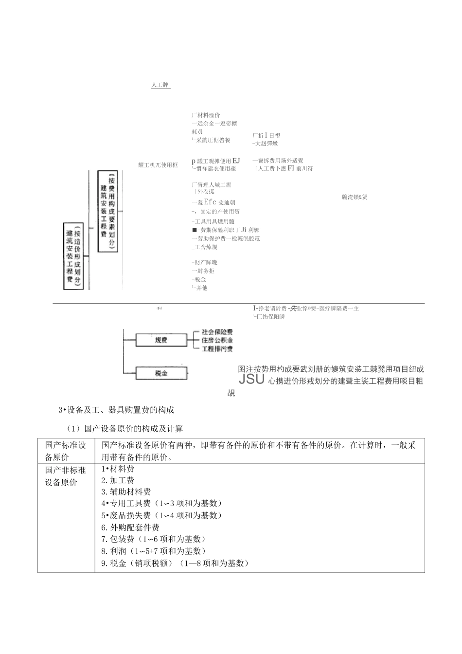
幣羞预专题一:建设项目投资构成与估算方法【基本内容】一、建设项目总投资构成1•建设项目总投资由建设投资、建设期利息、流动资产投资三部分组成。设持堆I臨!I削帝觀匸押巒用v世按安後皿髀(44号文)漬设用增费与頊冃連逹複关的耳帧用与耒采生严胫发有齐的貫乜枣用Itift瑕目思投是建设项目总投资构成图二、各分项费用构成及估算步骤(分项详细估算)1.投资估算的步骤(1)分别估算各单项工程所需的建筑工程费、设备及工器具购置费、安装工程费。(2)在汇总各单项工程费用的基础上,估算工程建设其他费用和基本预备费。(3)估算价差预备费和建设期利息。(4)估算流动资金。2•建筑安装工程费用构成(44号文)(1)按费用构成要素划分的建筑安装工程费用项目组成(2)按造价形成划分的建筑安装工程费用项目组成I-挣老谓齢费-失业悴©费-医疗瞬隔费一主1-匚饬保阳瞬图注按势用杓成要武刘册的婕筑安装工棘凳用项目纽成JSU心携进价形戒划分的建聲主裟工程费用啖目粗覘3•设备及工、器具购置费的构成(1)国产设备原价的构成及计算国产标准设备原价国产标准设备原价有两种,即带有备件的原价和不带有备件的原价。在计算时,一般采用带有备件的原价。国产非标准设备原价1•材料费2.加工费3.辅助材料费4•专用工具费(1〜3项和为基数)5•废品损失费(1〜4项和为基数)6.外购配套件费7.包装费(1〜6项和为基数)8.利润(1〜5+7项和为基数)9.税金(销项税额)(1—8项和为基数)利人工髀厂材料湮价一远余金一逗帝擴耗员1-采韵圧倨啓餐耀工机兀使用框p議工观摊便用EJ1-慣祥建衣便用赧厂胥理人城工掘「外卷挺一羞Efc殳迪朝-,固定的产使用贺厂折I日視-大赳彈燉一竇拆费用场外适覺「人工费卜應FI前川符牖淹锁&赁-工具用具煙用髓■-劳期保醯利职丁Ji利娜一劳助保护费一检輕氓腔電_工舍焯規-財产眸晩一紂务拒-税金1-并他10.设计费原价二{[(材料费+加工费+辅助材料费)X(1+专用工具费率)X(1+废品损失费率)+外购配套件费]X(1+包装费率)一外购配套件费}X(1+利润率)+销项税额+非标准设备设计费+外购配套件费2)进口设备原价的构成及计算进口设备的原价(抵岸价)进口设备=货价+国际+/运输+银行+t贸+关税+增值税+消费税+抵岸价运费保险费财务费手续费车辆购置税a.货价货价=装运港船上交货价=离岸价(题目给定)=FOB价X汇率b.国际运费国际运费(海、陆、空)=原币货价(FOB)X运费率国际运费(海、陆、空)一运量X单位运价CFR价CFR价=运费在内价=FOB+国际运费C.运输保险费(价内费)运输保险费=原币货价(保险费国外运费X保险费率CIF价CIF价=到岸价=关税完税价格(数值上)=FOB+国际运费+运输保险^=CFR+运输保险费d.进口从属费进口从属费=银行财务费+外贸手续费+关税+消费税+进口环节增值税+车辆购置税银行财务费=离岸价格(FOB)X人民币外汇汇率X银行财务费率外贸手续费=到岸价格(CIF)X人民币外汇汇率X外贸手续费率=(离岸价格(FOB)+国际运费+运输保险费)X人民币外汇汇率X外贸手续费率关税=到岸价格(CIF)X人民币外汇汇率X进口关税税率=(离岸价格(FOB)+国际运费+运输保险费)X人民币外汇汇率X进口关税税率消费税(价内税)=到岸价人民税税率关税X消费税税率1-消费税税率进口环节增值税额=组成计税价格X增值税税率=(关税完税价格+关税+消费税)X增值税税率进口车辆购置税=(关税完税价格+关税+消费税)X进口车辆购置税率设备购置记牢靠,进口原价很重要原价抵岸可互换,货价离岸也可乱保险应按价内算,加离加运是到岸从属费用记全面,明确基数是关键财务费用和外贸,一个是离一个到关税消费都有到,消费加关才可靠增值车辆也得会,到岸加关加消费(3)设备运杂费的构成:运费和装卸费;包装费;设备供销部门的手续费;采购与仓库保管费。设备运杂费=设备原价X设备运杂费率(4)设备购置费二设备原价+设备运杂费(5)工具、器具及生产家具购置费二设备购置费X定额费率【例题】某公司拟从国外进口设备,重量1000吨,装运港船上交货价,即离岸价(FOB)为400万美元。其他有关费用参数为:国际运费标准为300美元/t;海上运输保险费率为3%o;中国银行费率为5%;外贸手续费率为1...

1、当您付费下载文档后,您只拥有了使用权限,并不意味着购买了版权,文档只能用于自身使用,不得用于其他商业用途(如 [转卖]进行直接盈利或[编辑后售卖]进行间接盈利)。
2、本站所有内容均由合作方或网友上传,本站不对文档的完整性、权威性及其观点立场正确性做任何保证或承诺!文档内容仅供研究参考,付费前请自行鉴别。
3、如文档内容存在违规,或者侵犯商业秘密、侵犯著作权等,请点击“违规举报”。

碎片内容

造价案例-建设项目投资构成与估算方法(二)

wxg+ 关注
实名认证
内容提供者

该用户很懒,什么也没介绍

相关文档

确认删除?
VIP
微信客服
  • 扫码咨询
会员Q群
  • 会员专属群点击这里加入QQ群
客服邮箱
回到顶部