电脑桌面
添加小米粒文库到电脑桌面
安装后可以在桌面快捷访问

陕西省三原县北城中学高中化学《第一章 从实验学化学》教案 新人教版必修1VIP免费

陕西省三原县北城中学高中化学《第一章 从实验学化学》教案 新人教版必修1_第1页
1/8
陕西省三原县北城中学高中化学《第一章 从实验学化学》教案 新人教版必修1_第2页
2/8
陕西省三原县北城中学高中化学《第一章 从实验学化学》教案 新人教版必修1_第3页
3/8
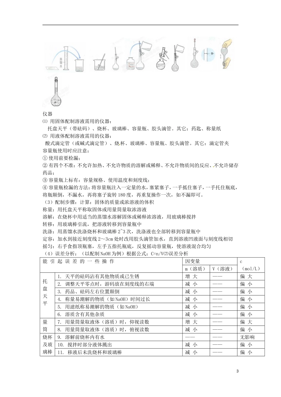
陕西省三原县北城中学高中化学必修一《第一章从实验学化学》教案教学目的:1.巩固学习化学实验中知识,树立安全意识。2.重点学习混合物的几种分离和提纯方法及离子的检验方法。3.巩固学习物质的量的相关知识,强化训练。4.重点学习配制一定物质的量浓度的溶液。一、化学实验基本操作1、化学实验安全⑴实验室规则⑵实验室安全守则药品安全存放药品安全取用实验操作的安全意外事故的处理化学火灾的扑救⑶如何正确的完成实验操作①常用仪器的使用容器与反应器:能直接加热的仪器:试管、坩锅、蒸发皿、燃烧匙;需垫石棉网加热的仪器:烧杯、烧瓶、锥形瓶;不能加热的仪器:集气瓶、试剂瓶、启普发生器及常见的计量仪器。例:量筒、容量瓶及滴定管等。计量仪器:温度计、天平、滴定管、量筒、容量瓶(注:量器不可加热和用做反应器。)酒精灯的使用试纸的使用②加热方法:直接加热、水浴加热③气体收集及尾气处理气体收集:排水法、排气法尾气处理:吸收式、燃烧式、收集式⑷P4图标的识别2、物质的分离和提纯方法实验名称装置图主要仪器注意事项适用范围实例溶解过滤烧杯、玻璃棒、滤纸、漏斗、铁架台、铁圈1.一贴、二低、三靠2.在定量实验中要洗涤分离固体与液体,如氯化钠溶液中的泥沙。1蒸发结晶酒精灯、蒸发皿、玻璃棒、铁架台1.不超过蒸发皿容积的三分之二2.不断搅拌3.利用余热蒸干4.溶质不易分解、水解、氧化分离溶液中的溶质,如从氯化钠溶液中得到氯化钠固体分液锥形分液漏斗、铁圈、烧杯、铁架台1.分液漏斗中塞子打开或寒子上的凹槽对准分液漏斗中的小孔2.下层液体从下口放出,上层液体从上口倒出分离互不相溶的液体,如分离水和苯的混合物萃取分液漏斗1.萃取剂要与原溶剂互不相溶不反应,溶质在其中的溶解度比在原溶剂中大,溶质不与萃取剂反应2.萃取后得到的仍是溶液,一般要通过蒸馏等方法进一步分离从碘水中提取碘蒸馏酒精灯、铁架台、石棉网、蒸馏烧瓶、温度计、冷凝管、弯角导管、锥形瓶1.加沸石,防止暴沸2.温度计水银球的位置3.冷凝管的水流方向4.不可蒸干分离沸点不同的液体,如从石油中得到汽油3、多种离子共存时,如何逐一除尽,应把握什么原则分离提纯时,先考虑物理方法(一看,二嗅),再考虑化学方法(三实验),后综合考虑。三个必须:加试剂必须过量;过量试剂必须除去;必须最佳实验方案。四个原则:不增(新杂质);不减(被提纯物);易分(被提纯物与杂质);复原(被提纯物)。除杂要注意:为使杂质除尽,加入的试剂不能是“适量”,而应是“过量”,但“过量”的试剂必须在后续的操作中便于除去。4.Cl-、SO42-的检验离子选用试剂主要实验现象有关离子方程式Cl-AgNO3溶液和稀HNO3有白色沉淀Ag++Cl-==AgCl↓SO42-稀HCl和BaCl2溶液先加稀HCl,再加BaCl2溶液有白色沉淀Ba2++SO42-==BaSO4↓5.物质的量浓度溶液的配制2仪器⑴用固体配制溶液需用的仪器:托盘天平(带砝码)、烧杯、玻璃棒、容量瓶、胶头滴管。其它:药匙、称量纸⑵用液体配制溶液需用的仪器:酸式滴定管(或碱式滴定管)、烧杯、玻璃棒、容量瓶、胶头滴管。其它:滴定管夹容量瓶使用时应注意:①使用前要检漏;②有四个不准:不允许加热、不允许物质的溶解或稀释、不允许物质间的反应、不允许储存药品;③容量瓶上标有:容量规格、使用温度和刻度线;④容量瓶检漏的方法:将容量瓶注入一定量的水,塞紧塞子,一手抵住塞子,一手托住瓶底,将瓶颠倒,不漏水,再将塞子旋转180度,再重复操作一次,如不漏即可。(3)配制步骤:计算:固体的质量或浓溶液的体积称量:用托盘天平称取固体或用量筒量取浓溶液溶解:在烧杯中用适当的蒸馏水溶解固体或稀释浓溶液,用玻璃棒搅拌转移:用玻璃棒引流,把溶液转移到容量瓶中洗涤:用蒸馏水洗涤烧杯和玻璃棒2~3次,洗涤液也全部转移到容量瓶中定容:加水到接近刻度线2~3cm处时改用胶头滴管加水,直到溶液凹液面与刻度线相切摇匀:右手食指顶瓶塞,左手五指托瓶底,反复摇动容量瓶,使溶液混合均匀(4)误差分析:(以配制NaOH为例)根据公式:C=n/V⑵误差分析能引起误差的一些操作因变量c(mol/L)m(溶质)V(溶液)托盘天平1.天平的砝...

1、当您付费下载文档后,您只拥有了使用权限,并不意味着购买了版权,文档只能用于自身使用,不得用于其他商业用途(如 [转卖]进行直接盈利或[编辑后售卖]进行间接盈利)。
2、本站所有内容均由合作方或网友上传,本站不对文档的完整性、权威性及其观点立场正确性做任何保证或承诺!文档内容仅供研究参考,付费前请自行鉴别。
3、如文档内容存在违规,或者侵犯商业秘密、侵犯著作权等,请点击“违规举报”。

碎片内容

陕西省三原县北城中学高中化学《第一章 从实验学化学》教案 新人教版必修1

您可能关注的文档

星河书苑+ 关注
实名认证
内容提供者

从事历史教学,热爱教育,高度负责。

确认删除?
VIP
微信客服
  • 扫码咨询
会员Q群
  • 会员专属群点击这里加入QQ群
客服邮箱
回到顶部