电脑桌面
添加小米粒文库到电脑桌面
安装后可以在桌面快捷访问

承力索技术规格书 VIP免费

承力索技术规格书 _第1页
1/4
承力索技术规格书 _第2页
2/4
承力索技术规格书 _第3页
3/4
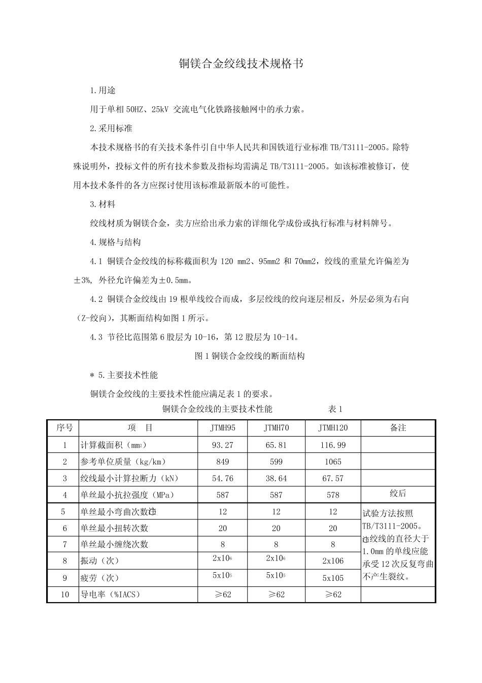
铜镁合金绞线技术规格书1.用途用于单相50HZ、25kV交流电气化铁路接触网中的承力索。2.采用标准本技术规格书的有关技术条件引自中华人民共和国铁道行业标准TB/T3111-2005。除特殊说明外,投标文件的所有技术参数及指标均需满足TB/T3111-2005。如该标准被修订,使用本技术条件的各方应探讨使用该标准最新版本的可能性。3.材料绞线材质为铜镁合金,卖方应给出承力索的详细化学成份或执行标准与材料牌号。4.规格与结构4.1铜镁合金绞线的标称截面积为120mm2、95mm2和70mm2,绞线的重量允许偏差为±3%,外径允许偏差为±0.5mm。4.2铜镁合金绞线由19根单线绞合而成,多层绞线的绞向逐层相反,外层必须为右向(Z-绞向),其断面结构如图1所示。4.3节径比范围第6股层为10-16,第12股层为10-14。图1铜镁合金绞线的断面结构*5.主要技术性能铜镁合金绞线的主要技术性能应满足表1的要求。铜镁合金绞线的主要技术性能表1序号项目JTMH95JTMH70JTMH120备注1计算截面积(mm2)93.2765.81116.992参考单位质量(kg/km)84959910653绞线最小计算拉断力(kN)54.7638.6467.574单丝最小抗拉强度(MPa)587587578绞后5单丝最小弯曲次数○注121212试验方法按照TB/T3111-2005。○注绞线的直径大于1.0mm的单线应能承受12次反复弯曲不产生裂纹。6单丝最小扭转次数2020207单丝最小缠绕次数8888振动(次)2x1062x1062x1069疲劳(次)5x1055x1055x10510导电率(%IACS)≥62≥62≥62序号项目JTMH95JTMH70JTMH120备注1120℃时最大电阻率(Ωmm2/m)0.027780.027780.027786.制造长度供货商应根据买方的配盘要求,定长供应承力索。7.检验、试验与验收7.1铜合金绞线应绞合紧密均匀,表面光洁,无松股断股现象。7.2各层绞线的绞向应逐层相反,最外层的绞向必须为右向。7.3卖方应按表1规定的项目(除计算截面积外)对出厂的每盘线成品进行例行检验,并附有相应的检验与试验报告、产品合格证。7.4成品出厂前,卖方应至少提前48小时通知买方会同中国的权威检测机构到工厂进行抽检,抽检不合格的产品,买方有权拒收。具体抽检项目及办法在合同中约定。卖方应对抽检费用单独报价,评标时该费用进入总的评估价格。7.5详细检验遵照铁道部铁运(2010)12#文中附件2《电气化铁道接触网器材检验细则》中所列规定执行。8.包装及标志8.1线盘为钢木线盘,其线盘筒体直径应不小于1000mm,线盘侧板的直径不应大于1900mm,轴孔直径为80mm。最外层的硬绞线与线盘侧板边缘的径向距离应大于50mm。投标厂家应提供线盘的筒体直径、侧板直径、侧板内侧宽度、轴孔直径及最大重量等,其余技术性能应符合GB4005.2的要求。8.2绞线的一端应牢固地伸入线盘筒体板条内并放松,另一端应牢固地固定在线盘侧板的内侧。8.3卷绕在线盘上的每一层的圈与圈之间应是整齐紧密靠近在一起,每层铜合金绞线间应加纸垫层。除每一层的第一圈和最后一圈外,应没有任何层与层之间的跨层错乱(扭节和跳线)现象。一个线盘仅卷绕一根连续长度的铜合金绞线。8.4在最外层的铜合金绞线外面应包覆一层涤纶薄膜,并用油毛毡及铁皮等防护材料包裹,再用木板围好,以避免对铜合金绞线产生的任何损坏。如果出现铜合金绞线相互间的缠绕所造成的损失/损坏将由卖方承担。8.5在线盘侧面用箭头标记标明放线方向。8.6对于需截取各种检查和试验用试件的铜合金绞线线盘,在截取了所有试件后其硬绞线的剩余长度不得小于买方规定的配盘长度。8.7为了醒目,易于辨认,每一个铜合金绞线的线盘应是采用大约75mm宽的红黄油漆交替涂色的。铜合金绞线的外露终端应由授权的检查部门固定并进行铅封。此外为便于在终端进行辨认识别,制造商应冲打上标识。当收到线盘时,买方应对其线盘的彩色涂漆条、铜合金绞线的端部铅封和标识进行识别,以便于对所收到铜合金绞线的长度进行确认。8.8在线盘上应有便于查找的牢固标志,标明以下内容:生产厂家、型号及规格,制造长度,总重及净重,制造日期及盘号等。8.9附上产品合格证书。9.卖方在投标时应提供的资料清单(1)制造厂家名称;(2)ISO9000系列质量保证体系认证书;(3)制造厂家供货业绩(包括供货时间、地点、数量等);(4)全部的技术文件,包括拟...

1、当您付费下载文档后,您只拥有了使用权限,并不意味着购买了版权,文档只能用于自身使用,不得用于其他商业用途(如 [转卖]进行直接盈利或[编辑后售卖]进行间接盈利)。
2、本站所有内容均由合作方或网友上传,本站不对文档的完整性、权威性及其观点立场正确性做任何保证或承诺!文档内容仅供研究参考,付费前请自行鉴别。
3、如文档内容存在违规,或者侵犯商业秘密、侵犯著作权等,请点击“违规举报”。

碎片内容

承力索技术规格书

您可能关注的文档

确认删除?
VIP
微信客服
  • 扫码咨询
会员Q群
  • 会员专属群点击这里加入QQ群
客服邮箱
回到顶部