电脑桌面
添加小米粒文库到电脑桌面
安装后可以在桌面快捷访问

地铁车站计算书VIP免费

地铁车站计算书_第1页
1/98
地铁车站计算书_第2页
2/98
地铁车站计算书_第3页
3/98
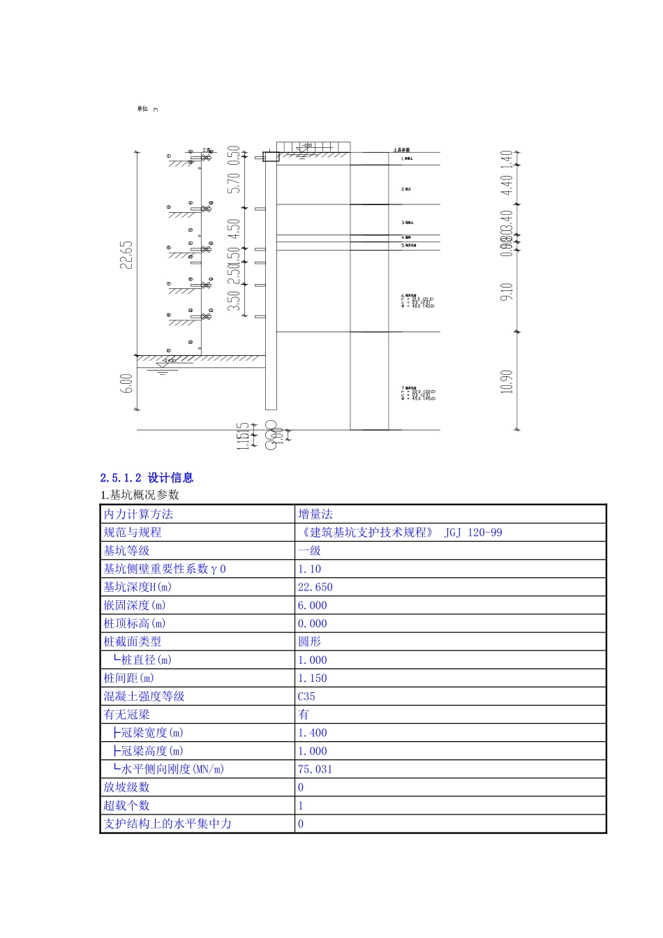
一设计依据二设计说明2.1工程概况2.2环境条件2.3地质概况2.3.1地形地貌2.3.2岩土分层及其特性2.3.3水文及工程地质2.3.4场地抗震设防附岩土物理力学参数表2.4基坑支护形式2.5基坑计算本工程围护结构主要采用理正软件进行设计计算,并利用岩土工程有限元分析程序plaxis对终点里程端头井基坑开挖过程进行模拟,作为对理正软件计算结果进行补充和验证。钻孔灌注桩作临时结构考虑,即:开挖施工期间,钻孔灌注桩作为围护结构,承受全部的水土压力及地面超载。使用阶段不考虑钻孔灌注桩的作用。理正深基坑软件模拟了施工过程,遵循“先变位,后支撑”的原则,在计算中计入结构的先期位移值及支撑变形,应用基于弹性理论的进行围护结构计算,岩土体对围护结构侧向作用力采用朗肯土压力理论计算,土体与结构相互作用采用一系列仅受压弹簧进行模拟(温克尔地基梁计算模型),最终的位移及内力值为各阶段累加值。Plaxis为基于有限元理论的岩土专业分析程序,能较为真实地反映基坑开挖过程中岩土及结构物的应力变形发展,将终点里程处端头井简化为平面应变模型,利用地下水渗流分析功能对基坑开挖降水过程进行模拟,同时输出“半截桩”支护的变形与内力。抗震分析采用地震系数法进行横向抗震分析。经计算地震作用对结构影响较小,故在设计中仅采用相应的构造措施来提高整体的抗震能力。2.5.1湘府路终点里程端头井围护结构计算计算所用地质资料取自地质勘查文件,钻孔编号为JZ-Ⅳ10-湘府路补10。2.5.1.1支护方案排桩(钻孔灌注桩)支护2.5.1.2设计信息1.基坑概况参数内力计算方法增量法规范与规程《建筑基坑支护技术规程》JGJ120-99基坑等级一级基坑侧壁重要性系数γ01.10基坑深度H(m)22.650嵌固深度(m)6.000桩顶标高(m)0.000桩截面类型圆形└桩直径(m)1.000桩间距(m)1.150混凝土强度等级C35有无冠梁有├冠梁宽度(m)1.400├冠梁高度(m)1.000└水平侧向刚度(MN/m)75.031放坡级数0超载个数1支护结构上的水平集中力02.超载信息超载类型超载值作用深度作用宽度距坑边距形式长度序号(kPa,kN/m)(m)(m)(m)(m)120.000---------------3.土层信息土层数7坑内加固土否内侧降水最终深度(m)24.000外侧水位深度(m)0.000内侧水位是否随开挖过程变化是内侧水位距开挖面距离(m)1.000弹性计算方法按土层指定ㄨ弹性法计算方法m法4.土层参数层号土类名称层厚重度浮重度粘聚力内摩擦角(m)(kN/m3)(kN/m3)(kPa)(度)1杂填土1.4017.07.02.008.002粉土4.4020.210.217.5014.503粘性土3.4020.310.338.5320.264圆砾0.8020.010.00.0030.005强风化岩0.9020.010.05.0035.006强风化岩9.1021.011.02.0040.007微风化岩10.9022.012.02.0045.00层号与锚固体摩粘聚力内摩擦角水土计算方法m,c,K值抗剪强度擦阻力(kPa)水下(kPa)水下(度)(kPa)116.02.008.00分算m法0.68---265.017.5014.50分算m法4.51---380.038.5320.26分算m法10.04---4150.00.0030.00分算m法15.00---5200.06.0033.00分算m法21.60---6250.02.0040.00分算m法28.20---7120.02.0045.00合算m法36.20---5.支锚信息支锚道数6支锚支锚类型水平间距竖向间距入射角总长锚固段道号(m)(m)(°)(m)长度(m)1内撑8.0000.500---------2内撑8.0005.700---------3内撑2.5004.500---------4内撑2.5001.500---------5内撑2.5002.500---------6内撑2.5003.500---------支锚预加力支锚刚度锚固体工况锚固力材料抗力材料抗力道号(kN)(MN/m)直径(mm)号调整系数(kN)调整系数10.003101.00---2~20---20160000.001.0020.003101.00---4~18---20160000.001.0030.00755.00---6~16---6140330.001.0040.00755.00---15~---6140330.001.0050.00755.00---8~14---6140330.001.0060.00755.00---10~13---6140330.001.006.土压力模型及系数调整弹性法土压力模型:经典法土压力模型:层号土类名称水土水压力主动土压力被动土压力被动土压力调整系数调整系数调整系数最大值(kPa)1杂填土分算1.0001.0001.00010000.0002粉土分算1.0001.0001.00010000.0003粘性土分算1.0001.0001.00010000.0004圆砾分算1.0001.0001.00010000.0005强风化岩分算1.0001.0001.00010000.0006强风化岩分算1.0001.0001.00010000.0007微风化...

1、当您付费下载文档后,您只拥有了使用权限,并不意味着购买了版权,文档只能用于自身使用,不得用于其他商业用途(如 [转卖]进行直接盈利或[编辑后售卖]进行间接盈利)。
2、本站所有内容均由合作方或网友上传,本站不对文档的完整性、权威性及其观点立场正确性做任何保证或承诺!文档内容仅供研究参考,付费前请自行鉴别。
3、如文档内容存在违规,或者侵犯商业秘密、侵犯著作权等,请点击“违规举报”。

碎片内容

地铁车站计算书

您可能关注的文档

文章天下+ 关注
实名认证
内容提供者

各种文档应有尽有

确认删除?
VIP
微信客服
  • 扫码咨询
会员Q群
  • 会员专属群点击这里加入QQ群
客服邮箱
回到顶部