电脑桌面
添加小米粒文库到电脑桌面
安装后可以在桌面快捷访问

多元统计分析对应分析VIP免费

多元统计分析对应分析_第1页
1/8
多元统计分析对应分析_第2页
2/8
多元统计分析对应分析_第3页
3/8
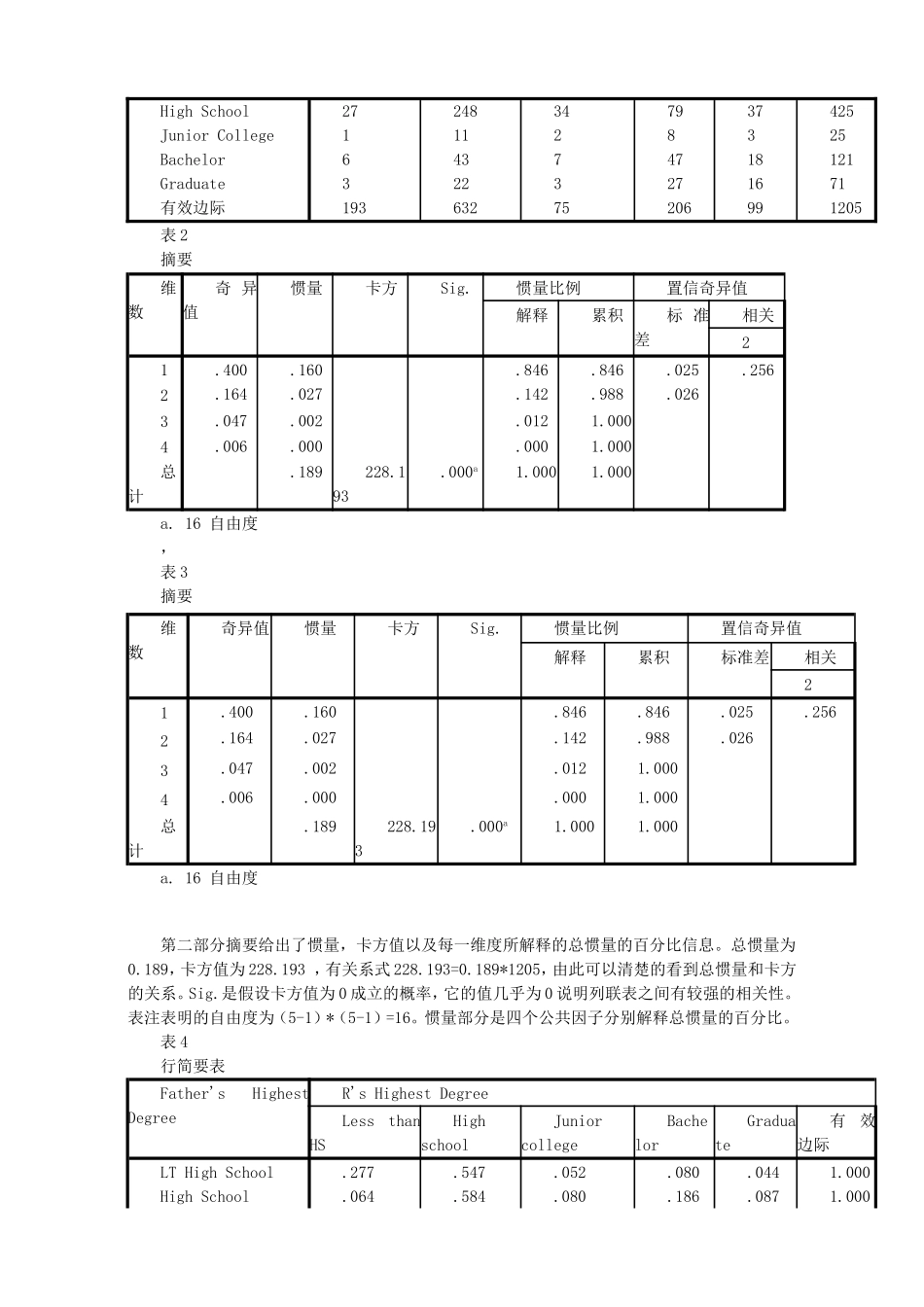
学生实验报告学院:统计学院课程名称:多元统计分析专业班级:统计123班姓名:叶常青学号:0124253学生实验报告学生姓名叶常青学号0124253同组人实验项目对应分析的上机操作□必修□选修□演示性实验□验证性实验□操作性实验□综合性实验实验地点实验仪器台号指导教师李燕辉实验日期及节次一、实验目的及要求:目的熟悉和掌握对应分析的原理和上机操作方法内容及要求本次操作就父母与孩子的受教育程度的关系进行对应分析,分别对父亲与孩子和母亲与孩子的受教育程度做对应分析,最后再对输出结果进行详细的分析。二、仪器用具:仪器名称规格/型号数量备注计算机1有网络环境SPSS软件1三、实验方法与步骤:打开GSS93subset.sav数据,对变量Degree与变量padeg和madeg进行对应分析,依次选择分析→降维…进入对应分析对话框,进行进行如下设置,便可输出想要的数据的:四、实验结果与数据处理:按照上述方法和步骤得出以下输出结果.对父亲受教育程度与孩子受教育程度的关系进行分析如下:表1对应表Father'sHighestDegreeR'sHighestDegreeLessthanHSHighschoolJuniorcollegeBachelorGraduate有效边际LTHighSchool156308294525563HighSchool27248347937425JuniorCollege11128325Bachelor64374718121Graduate3223271671有效边际19363275206991205表2摘要维数奇异值惯量卡方Sig.惯量比例置信奇异值解释累积标准差相关21.400.160.846.846.025.2562.164.027.142.988.0263.047.002.0121.0004.006.000.0001.000总计.189228.193.000a1.0001.000a.16自由度,表3摘要维数奇异值惯量卡方Sig.惯量比例置信奇异值解释累积标准差相关21.400.160.846.846.025.2562.164.027.142.988.0263.047.002.0121.0004.006.000.0001.000总计.189228.193.000a1.0001.000a.16自由度第二部分摘要给出了惯量,卡方值以及每一维度所解释的总惯量的百分比信息。总惯量为0.189,卡方值为228.193,有关系式228.193=0.189*1205,由此可以清楚的看到总惯量和卡方的关系。Sig.是假设卡方值为0成立的概率,它的值几乎为0说明列联表之间有较强的相关性。表注表明的自由度为(5-1)*(5-1)=16。惯量部分是四个公共因子分别解释总惯量的百分比。表4行简要表Father'sHighestDegreeR'sHighestDegreeLessthanHSHighschoolJuniorcollegeBachelorGraduate有效边际LTHighSchool.277.547.052.080.0441.000HighSchool.064.584.080.186.0871.000JuniorCollege.040.440.080.320.1201.000Bachelor.050.355.058.388.1491.000Graduate.042.310.042.380.2251.000质量.160.524.062.171.082表5列简要表Father'sHighestDegreeR'sHighestDegreeLessthanHSHighschoolJuniorcollegeBachelorGraduate质量LTHighSchool.808.487.387.218.253.467HighSchool.140.392.453.383.374.353JuniorCollege.005.017.027.039.030.021Bachelor.031.068.093.228.182.100Graduate.016.035.040.131.162.059有效边际1.0001.0001.0001.0001.000第三部分的结果是在对应分析中点击Statistics按钮,进入Statistics对话框,选中Rowprofiles和Columnprofiles交友程序运行所得到的。表6概述行点aFather'sHighestDegree质量维中的得分惯量贡献12点对维惯量维对点惯量1212总计LTHighSchool.467-.608.188.072.432.100.963.0371.000HighSchool.353.269-.509.025.064.559.406.593.999JuniorCollege.021.786.007.005.032.000.965.000.965Bachelor.1001.019.476.046.261.139.901.080.981Graduate.0591.199.749.040.211.202.838.134.971有效总计1.000.1891.0001.000a.对称标准化表7概述列点aR'sHighestDegree质量维中的得分惯量贡献12点对维惯量维对点惯量1212总计LessthanHS.160-.998.652.075.399.416.851.1491.000Highschool.524-.165-.305.014.036.298.417.582.998Juniorcollege.062.127-.512.003.003.100.127.845.972Bachelor.171.976.321.069.406.108.948.042.990Graduate.082.874.395.029.157.078.875.073.949有效总计1.000.1891.0001.000a.对称标准化第四部分是概述行点和概述列点,是对列联表行与列各状态有关信息的概括.其中质量是行与列的边缘概率,也就是PI与PJ。惯量是每一行(列...

1、当您付费下载文档后,您只拥有了使用权限,并不意味着购买了版权,文档只能用于自身使用,不得用于其他商业用途(如 [转卖]进行直接盈利或[编辑后售卖]进行间接盈利)。
2、本站所有内容均由合作方或网友上传,本站不对文档的完整性、权威性及其观点立场正确性做任何保证或承诺!文档内容仅供研究参考,付费前请自行鉴别。
3、如文档内容存在违规,或者侵犯商业秘密、侵犯著作权等,请点击“违规举报”。

碎片内容

多元统计分析对应分析

文章天下+ 关注
实名认证
内容提供者

各种文档应有尽有

确认删除?
VIP
微信客服
  • 扫码咨询
会员Q群
  • 会员专属群点击这里加入QQ群
客服邮箱
回到顶部