电脑桌面
添加小米粒文库到电脑桌面
安装后可以在桌面快捷访问

员工绩效考核与奖惩制度VIP免费

员工绩效考核与奖惩制度_第1页
1/11
员工绩效考核与奖惩制度_第2页
2/11
员工绩效考核与奖惩制度_第3页
3/11
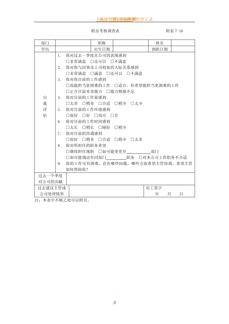
(GMP认证资料)-厂房与设施(管理标准和管理记录)解析UREa1第三节员工绩效考核与奖惩制度一、员工绩效考核管理制度1.总则(1)为全面了解、评估员工工作绩效,发现优秀人才,提高公司工作效率,特制定本制度。(2)凡公司全体员工均需考核,适用本制度。2.考核原则(1)通过考核,全面评价员工的各项工作表现,使员工了解自己的工作表现与取得报酬、待遇的关系,获得努力向上改善工作的动力。(2)使员工有机会参与公司管理程序,发表自己的意见。(3)考核目的,考核对象,考核时间,考核指标体系,考核形式向匹配。(4)以岗位职责为主要依据,坚持上下结合,左右结合,定性与定量考核相结合。3.考核目的(1)获得晋升,调配岗位的依据,重点自爱工作能力及工作表现考核。(2)获得确定工资、奖金的依据,重点在工作成绩(绩效)考核。(3)获得潜能开发和培训教育的依据,重点在工作和能力适应性考核。4.考核时间(1)公司定期考核,可分为月考、季度、半年、年度考核,月度考核以考勤为主。(2)公司为特别事件可以举行不定期专项考核。5.考核内容(1)部门经理:领导能力、策划能力、工作绩效、责任感、协调沟通、授权指导、品德言行、成本意识、出勤及奖惩。(2)非部门经理:专业知识、工作绩效、责任感、协调合作、发展潜力、品德言行、成本意识、出勤及奖惩。上述各项除奖惩之外,其余各项均分为五个标准,每个标准是一个等级,每个等级规定一个最高分。6.考核程序(1)《职员考核调查表》,由员工自行填写,该表作为部门考核的依据。(2)《职员考核表》分自行评分、初核评分、复核评分三栏。①自行评分:由职员根据自身情况,实事求是地填写。②初核评分:分部门经理和非部门经理。A.部门经理初核由各部门主管根据《职员考核调查表》、《职员考核表》自行评分以及平时考核记录和印象,客观公正的评分并写出初核评语。B.非部门经理初核由各部门经理根据《职员考核调查表》、《职员考核表》自行评分以及平时考核记录和印象,客观公正的评分并写出初核评语。③复核评分:分部门经理和非部门经理A.部门经理复核由总经理根据上述考核结果,客观公正的评分,并写出复核评语。B.非部门经理复核由各部门主管根据上述结果,客观公正的评分,并写出复核评语。(GMP认证资料)-厂房与设施(管理标准和管理记录)解析UREa2C.考核评分以总经理批准分数为最终得分。7.考核形式和办法(1)各类考核形式有:①上级评议。②同级同事评议。③自我鉴定。④下级评议。⑤外部客户评议。各种考核形式各有优缺点,在考核中宜分别选择或综合运用。(2)各类考核办法有:①查询记录法:对员工工作记录档案、文件、出勤情况进行整理统计。②书面报告法:部门员工提供总结报告。③重大事件法。所以考核办法最终反应在考核表上。8.考核结果处理(1)考核结果将计入个人人事档案。(2)根据考核成绩,分为四个等级:优秀、良好、一般、较差。各等级考核成绩标准如下:①优秀:不低于90分,有资格晋升一级工资。②良好:不低于80分,保留原级。③一般:不低于65分,保留原级。④较差:65分以下,有降一级工资的资格。(3)晋级、晋升采用定期和不定期两种形式。①定期:每年4月1日,根据公司的经营目标,统一安排晋升的考核、实施。②不定期:员工每为公司服务满一年,工龄工资自动增加100元,5年后不再增加。职员在平时绩效考核中,对组织有特殊贡献、表现优异者,随时得以提升,每年破格提升的名额控制在10%左右,主要向业务人员倾斜。(4)凡有以下情形之一者,不得列入优秀:①考核期内受过任何记过处罚,未撤销者。②考核期内有过旷工或累积迟到,早退两次以上者。③考核项目中有一项低于第三个标准者。④存在其他不宜列入优秀者。凡有以下情形之一者,不得列入良好。①考核期内受过警告以上记过处罚,未撤销者。②考核期内有过旷工或累积迟到、早退四次以上者。③存在其他不宜列入良好问题者。(GMP认证资料)-厂房与设施(管理标准和管理记录)解析UREa3职员考核调查表附表7-16部门职称姓名学历出生日期到职日期自我评估1.你对过去一季度在公司的表现感到□非常满意□还可以□不满意2.你对你与同事及上司...

1、当您付费下载文档后,您只拥有了使用权限,并不意味着购买了版权,文档只能用于自身使用,不得用于其他商业用途(如 [转卖]进行直接盈利或[编辑后售卖]进行间接盈利)。
2、本站所有内容均由合作方或网友上传,本站不对文档的完整性、权威性及其观点立场正确性做任何保证或承诺!文档内容仅供研究参考,付费前请自行鉴别。
3、如文档内容存在违规,或者侵犯商业秘密、侵犯著作权等,请点击“违规举报”。

碎片内容

员工绩效考核与奖惩制度

确认删除?
VIP
微信客服
  • 扫码咨询
会员Q群
  • 会员专属群点击这里加入QQ群
客服邮箱
回到顶部