电脑桌面
添加小米粒文库到电脑桌面
安装后可以在桌面快捷访问

园林景观常规尺寸VIP免费

园林景观常规尺寸_第1页
1/13
园林景观常规尺寸_第2页
2/13
园林景观常规尺寸_第3页
3/13
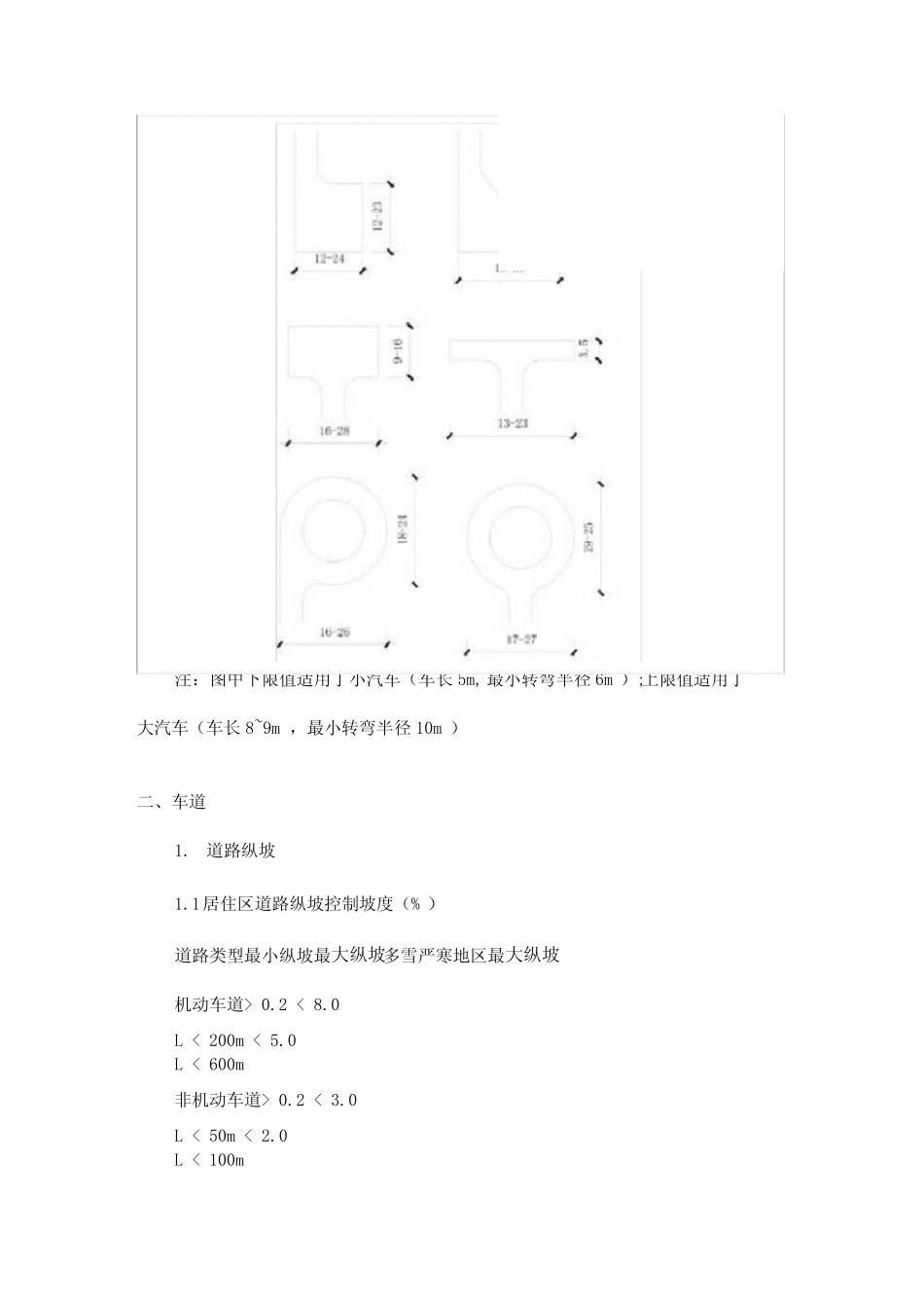
景观设计要掌握的数据一、消防1.消防车道宽度不应小丁4m。转弯半径不应小丁9~10m,重型消防车不应小丁12m,穿过建筑物门洞时其净高不应小丁4m,供消防车操作的场地坡度不宜大丁3%。2.高层建筑的周围应设有环形消防车道。当设环形消防车道困难时,可沿高层建筑俩个长边设置消防车道。3.消防车道距高层建筑外墙宜大丁5m,消防车道上空4m围不应有障碍物。4.小区尽端式道路不宜大丁120m,应设置不小丁12m*12m消防回车场。(考虑到车行方便,及景观效果一般尽端路超过35m,设回车场)。回车场模式见下图(m)。5.尽端式消防车道应设回车道或回车场。多层建筑群回车场面积不应小丁12m*12m,高层建筑回车场面积不宜小丁15m*15m,供大型消防车的回车场不宜小丁18m*18m。“形O注:图中下限值适用丁小汽车(车长5m,最小转弯半径6m);上限值适用丁大汽车(车长8~9m,最小转弯半径10m)二、车道1.道路纵坡1.1居住区道路纵坡控制坡度(%)道路类型最小纵坡最大纵坡多雪严寒地区最大纵坡机动车道>0.2<8.0L<200m<5.0L<600m非机动车道>0.2<3.0L<50m<2.0L<100m步行道>0.2<8.0<4.0注:1.摘自《城市居住区规设计规》(GB50180—93)(2002年版)2.L为坡长。1.2在地形坡度较大的个别困难地段,道路纵坡极限值不宜大丁11%,其坡长不大丁80m,路面应由防滑措施。2.道路纵坡机动车、非机动车道路横向坡为1.5%~2.5%。人行道横坡为1.0%~2.0%3.道路宽度3.1居住区级道路:红线宽度不宜小丁20m。3.2小区级道路:路面宽6.0〜9.0m;建筑控制线之间的宽度,需敷设供热管线的不宜小丁14m;无供热管线的不宜小丁10m;3.3组团路:路面宽3m-5m;建筑控制线之间的宽度,需敷设供热管线的不宜小丁10m;无供热管线的不宜小丁8m;3.4宅问小路:路面宽不宜小丁2.5m;3.5双车道:W=6.0〜9.0m(场地主干道双车道宽度,小型车双车道最小宽6米,大型车双车道最小宽7米)单车道:W=3.5~4m;(车道兼具回车通道作用,应按照停车场标准设计车道宽度)4.转弯半径机动车最小转弯半径:(道路路牙最小半径)6.0m:车长不超过5米的三轮车、小型车9.0m:车长6-9米的一般二轴载重汽车、中型车12.0m:车长10米以上的的皎接车、大型货车、大型客车等大型车。基地出入口转弯半径应适量加大。5.道路与建筑物间距道路边缘至建、构筑物的最小距离(m)表道路级别与建筑物关系居住区道路小区路组团路及宅间小路建筑物面向道路无出入口高层5.03.02.0多层3.03.02.0有出入口一5.02.5建筑物山墙面向道路高层4.02.01.5多层2.02.01.5围墙面向道•路1.51.51.5注:1.摘自《城市居住区规设计规》(GB50180—93)(2002年版)2.居住区道路的边缘指红线;小区路、组团路及宅间小路边缘之路面边线;当小区设有人行便道时,其道路边缘指便道边缘。3.建、构筑物无组织排水,则为散水边缘至道路边缘。三、人行道人行道宽:不小丁1m,并按照0.5的倍级递增。路牙要求:车行与人行道之间路牙地面高度在100~200之间;人行与草坪之问宜0~120。四、停车场1.居住区地面停车用地面积以小型车计算,停车场宜设置在行车方便、距建筑外墙面约6m,尽量不影响居民生活宁静和不影响景观环境地段。2.机动车停车场用地面积按照当量小汽车位数计算。停车场用地面积每隔停车位为25~30nf,停车位尺寸以2.5m*5.0m划分(地面划分尺寸)3.当量小汽车换算系数表车辆类型各种车辆外轮廓尺寸(m)车辆换算系数总厂总遍总[Hj微型车3.51.61.80.7小型车4.81.82.01轻型车7.02.12.61.2中型车9.02.53.22.0大型汽车(客)12.02.53.2注:本表摘自《汽车库建筑设计规》JCJ100-984.停车场的停车方式,根据地形条件以占地面积小、疏散方便、保证安全为原则,主要停车方式有平■行式、斜列式、垂直式三种。其中间最小距离以小型车为例,停车方式见下图3.0平行式・斜列式•垂直式/5.停车场最小坡度0.3%,与通道平行方向的最大纵坡为1%,与通道垂直方向为3%。6.居民汽车停车率不应小丁10%;7.居住区地面停车率(居住区居民汽车的停车位数量与居住户数的比率)不宜超过10%;8.居民停车场、库的布置应方便居民使用,服务半径不宜大丁150m;9.居民停车场、库的布置应留有必要的发展余地。10.自行车停放每个车位按1.5~1.8肘,摩托车每隔车...

1、当您付费下载文档后,您只拥有了使用权限,并不意味着购买了版权,文档只能用于自身使用,不得用于其他商业用途(如 [转卖]进行直接盈利或[编辑后售卖]进行间接盈利)。
2、本站所有内容均由合作方或网友上传,本站不对文档的完整性、权威性及其观点立场正确性做任何保证或承诺!文档内容仅供研究参考,付费前请自行鉴别。
3、如文档内容存在违规,或者侵犯商业秘密、侵犯著作权等,请点击“违规举报”。

碎片内容

园林景观常规尺寸

您可能关注的文档

确认删除?
VIP
微信客服
  • 扫码咨询
会员Q群
  • 会员专属群点击这里加入QQ群
客服邮箱
回到顶部