电脑桌面
添加小米粒文库到电脑桌面
安装后可以在桌面快捷访问

国际水培常用营养液配方一览VIP免费

国际水培常用营养液配方一览_第1页
1/6
国际水培常用营养液配方一览_第2页
2/6
国际水培常用营养液配方一览_第3页
3/6
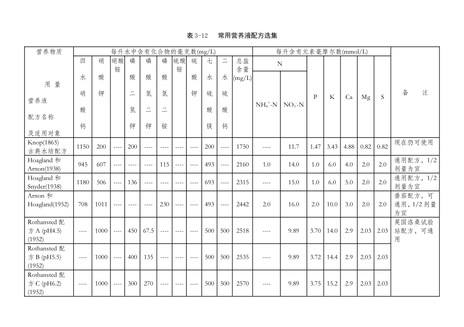
在无土栽培的发展过程中,很多工作者根据种植的作物种类、水质、气候条件以及营养元素化合物来源的不同,组配了许许多多的营养液配方。这里选列的多为经实践证明为良好的营养液配方,我国近十多年来进行大面积无土栽培生产过程中筛选出的有代表性的配方也选列了一些,同时还选列了一些较为特殊的营养液配方,如酰胺态氮型的配方和全铵态氮型配方,供参考。在选用这里所列的营养液配方时,要明确一点,只要一个营养液配方是生理平衡的,那么它具有一定程度上的通用性,也即不是每一种作物都需要一个相对应的营养液配方,一个生理平衡的营养液配方可能适用于一大类作物,也可能是适用于几类作物或几类作物中的几种作物品种。了解了这一点之后,就能根据读者掌握的理论知识,结合实践经验,对营养液配方进行灵活的运用了。我们还列出了一种微量元素的通用配方。因微量元素的用量很少,作物的需要量也较少,而且多数作物都有一个很相近的、较窄的适宜浓度范围,因此,微量元素的供应不需要像大量元素那样分为多种营养液配方,只需在大量元素配方中加入数量基本相同的微量元素即可。表3-12常用营养液配方选集营养物质用量营养液配方名称及适用对象每升水中含有化合物的毫克数(mg/L)每升含有元素毫摩尔数(mmol/L)备注四水硝酸钙硝酸钾硝酸铵磷酸二氢钾磷酸氢二钾磷酸氢二铵硫酸铵硫酸钾七水硫酸镁二水硫酸钙总盐含量(mg/L)NPKCaMgSNH4+-NNO3--NKnop(1865)古典水培配方1150200----200----------------200----1750----11.71.473.434.880.820.82现在仍可使用Hoagland和Arnon(1938)945607------------115--------493----21601.014.01.06.04.02.02.0通用配方,1/2剂量为宜Hoagland和Snyder(1938)1180506----136----------------693----2315----15.01.06.05.02.02.0通用配方,1/2剂量为宜Arnon和Hoagland(1952)7081011------------230--------493----24422.016.02.010.03.02.02.0番茄配方,可通用,1/2剂量为宜Rothansted配方A(pH4.5)(1952)----1000----45067.5------------5005002518----9.893.7014.02.92.032.03英国洛桑试验站配方,可通用Rothansted配方B(pH5.5)(1952)----1000----400135------------5005002535----9.893.7214.42.92.032.03Rothansted配方C(pH6.2)(1952)----1000----300270------------5005002570----9.893.7515.22.92.032.03Copper(1975)推荐NFT上使用的配方1062505----140----------------738----2445----14.01.036.034.53.03.0可通用,1/2剂量为宜荷兰温室作物研究所岩棉培滴灌配方886303----204--------33218247----18910.510.57.01.53.751.02.5以番茄为主,可通用荷兰花卉研究所,岩棉培滴灌配方66037864204----------------148----13940.88.941.55.242.20.60.6以非洲菊为主,可通用荷兰花卉研究所,岩棉培滴灌配方78634120204----------------185----15360.2510.31.54.873.330.750.75以玫瑰为主,可通用日本园试配方(堀,1966)945809------------153--------493----24001.3316.01.338.04.02.02.0通用配方,1/2剂量为宜山崎甜瓜配方(1978)826607------------153--------370----19561.3313.01.336.03.51.51.5山崎的这些配方是按照吸水吸肥同步的规律n/w值定的配方,性质较为稳定山崎黄瓜配方(1978)826607------------115--------483----20411.013.01.06.03.52.02.0表3-13通用微量元素配方营养物质用量营养液配方名称及适用对象每升水中含有化合物的毫克数(mg/L)每升含有元素毫摩尔数(mmol/L)备注四水硝酸钙硝酸钾硝酸铵磷酸二氢钾磷酸氢二钾磷酸氢二铵硫酸铵硫酸钾七水硫酸镁二水硫酸钙总盐含量(mg/L)NPKCaMgSNH4+-NNO3--N山崎番茄配方(1978)354404------------77--------246----10810.677.00.674.01.51.01.0吸水吸肥同步的规律n/w值确定的配方,性质较为稳定山崎甜椒配方(1978)354607------------96--------185----12420.839.00.836.01.50.750.75山崎莴苣配方(1978)236404------------57--------123----8200.56.00.54.01.00.50.5山崎茄子配方(1978)354708------------115--------246----14231.010.01.07.01.51.01.0山崎茼蒿配方(1978)472809------------153--------493-...

1、当您付费下载文档后,您只拥有了使用权限,并不意味着购买了版权,文档只能用于自身使用,不得用于其他商业用途(如 [转卖]进行直接盈利或[编辑后售卖]进行间接盈利)。
2、本站所有内容均由合作方或网友上传,本站不对文档的完整性、权威性及其观点立场正确性做任何保证或承诺!文档内容仅供研究参考,付费前请自行鉴别。
3、如文档内容存在违规,或者侵犯商业秘密、侵犯著作权等,请点击“违规举报”。

碎片内容

国际水培常用营养液配方一览

您可能关注的文档

确认删除?
VIP
微信客服
  • 扫码咨询
会员Q群
  • 会员专属群点击这里加入QQ群
客服邮箱
回到顶部