电脑桌面
添加小米粒文库到电脑桌面
安装后可以在桌面快捷访问

国标出口产品包装用瓦楞纸箱GB5033-85VIP免费

国标出口产品包装用瓦楞纸箱GB5033-85_第1页
1/32
国标出口产品包装用瓦楞纸箱GB5033-85_第2页
2/32
国标出口产品包装用瓦楞纸箱GB5033-85_第3页
3/32
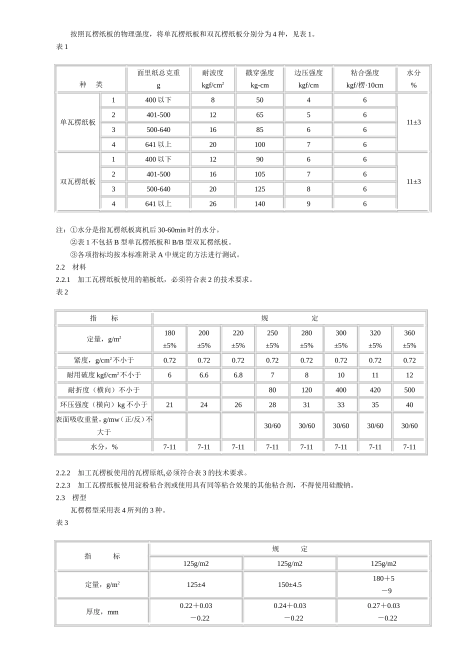
中华人民共和国国家标准UDC676.874出口产品包装用瓦楞纸箱:676.76:621.798CorrugatedboxforexportproductsGB5033-85本标准适用于出口产品运输包装用瓦楞纸箱(以下简称瓦楞纸箱)。1种类按照瓦楞纸箱的包装容量及所使用瓦楞纸板的种类,将瓦楞纸箱分为表1的8种。种类最大总容量kg最大尺寸(长、宽、高之和)mm极限偏差单瓦楞箱第1种101000+4-3单瓦楞箱第2种201400单瓦楞箱第3种301750+5-3单瓦楞箱第4种402000双瓦楞箱第1种201400+4-3双瓦楞箱第2种301750+5-3双瓦楞箱第3种402000双瓦楞箱第4种5025002技术要求2.1材料2.1.1加工瓦楞纸箱使用GB5034-85《出口产品包装用瓦楞纸板》中规定的瓦楞纸板。2.1.2钉合瓦楞纸箱使用16-18号带有镀层的金属扁丝,金属扁丝不许有龟裂或使用上的缺点。2.1.3粘合瓦楞纸箱使用聚乙酸乙烯乳液或具有粘合效果的其他粘合剂。2.2质量2.2.1箱体方正,表面洁净,不许有明显的外观不良和其他使用上的缺点。2.2.2瓦楞纸箱的搭接宽度不小于30mm。纸箱钉合采用斜钉或横钉。箱钉排列整齐,距离均匀。双钉钉距不大于75mm,单钉钉距不大于55mm,头、尾钉距离压痕中线不大于20mm,箱钉必须完全钉在接头上。2.2.3瓦楞纸箱的承压能力要符合产品及运输环节的要求。2.3瓦楞纸箱成形后,瓦楞纸板的厚度不小于GB5034-85所规定的相应楞型高度的下限数值。3结构、尺寸3.1瓦楞纸箱的结构以“对口盖箱”为基本形式,也可采用其他形式的瓦楞纸箱。3.2瓦楞纸箱的规格尺寸要符合GB4892-85《硬质直方体运输包装尺寸系列》的要求。4验收规则4.1瓦楞纸箱应成批交货。生产厂保证出厂的瓦楞纸箱符合本标准的规定,并出具合格证。4.2需货方按本标准进行验收,当发现基本项指标不符合标准要求时,可对不合格的指标进行复查。4.3若内尺寸、厚度及耐破度、戳穿强度、边压强度、粘合强度、水分有一项不符合村标准时,或其他指标不符合本标准的纸箱数多于10%时,则该批纸箱为不合格品。5标志、包装、运输、储存5.1纸箱贮运标志按GB191-85《包装储运图示标志》的规定执行,危险品标志按GB190-85《危险货物包装标志》的规定执行。5.2生产厂应根据用户要求对瓦楞纸箱进行包装。5.3保证瓦楞纸箱在运输过程中不直接受雨雪、暴晒和污染的影响。装卸时不得从高处扔下,不得使用有损产品质量的工具。5.4储存仓库应保持通风干燥,短期露天存放必须有良好的苫、垫防护措施。附加说明:本标准由中华人民共和国对外经济贸易部提出。本标准由中国出口商品包装研究所及天津分所负责起草。本标准主要起草人沙人玉、郭连壁、宫应选。中华人民共和国国家标准出口产品包装用瓦楞纸板UDC676-76:621-798CorrugatedfibreboardforexportproductsGB5034-85本标准适用于制造出口产品运输包装用瓦楞纸箱的瓦楞纸板(以下简称瓦楞纸板)。1术语1.1瓦楞纸板由箱板纸和通过瓦楞辊加工成波形的瓦楞纸粘合而成的板状物.1.2单瓦楞纸板由两层箱板纸和一层瓦楞纸加工而成的瓦楞纸板见图1。1.3双瓦楞纸板由两层箱板纸、两层瓦楞纸和一层夹芯加工而成的瓦楞纸板,见图2。2技术要求2.1种类按照瓦楞纸板的物理强度,将单瓦楞纸板和双瓦楞纸板分别分为4种,见表1。表1种类面里纸总克重g耐波度kgf/cm2戳穿强度kg-cm边压强度kgf/cm粘合强度kgf/楞·10cm水分%单瓦楞纸板1400以下8504611±32401-5001265563500-6401685664641以上2010076双瓦楞纸板1400以下12906611±32401-50016105763500-64020125864641以上2614096注:①水分是指瓦楞纸板离机后30-60min时的水分。②表1不包括B型单瓦楞纸板和B/B型双瓦楞纸板。③各项指标均按本标准附录A中规定的方法进行测试。2.2材料2.2.1加工瓦楞纸板使用的箱板纸,必须符合表2的技术要求。表2指标规定定量,g/m2180±5%200±5%220±5%250±5%280±5%300±5%320±5%360±5%紧度,g/cm2不小于0.720.720.720.720.720.720.720.72耐用破度kgf/cm2不小于66.66.878101112耐折度(横向)不小于80120400420500环压强度(横向)kg不小于2124262831333540表面吸收重量,g/mw(正/反)不大于30/6030/6030/6030/6030/60水分,%7-117-117-117-117-117-117-117-112.2.2加工瓦楞板使用的瓦楞原纸,必须...

1、当您付费下载文档后,您只拥有了使用权限,并不意味着购买了版权,文档只能用于自身使用,不得用于其他商业用途(如 [转卖]进行直接盈利或[编辑后售卖]进行间接盈利)。
2、本站所有内容均由合作方或网友上传,本站不对文档的完整性、权威性及其观点立场正确性做任何保证或承诺!文档内容仅供研究参考,付费前请自行鉴别。
3、如文档内容存在违规,或者侵犯商业秘密、侵犯著作权等,请点击“违规举报”。

碎片内容

国标出口产品包装用瓦楞纸箱GB5033-85

您可能关注的文档

确认删除?
VIP
微信客服
  • 扫码咨询
会员Q群
  • 会员专属群点击这里加入QQ群
客服邮箱
回到顶部