电脑桌面
添加小米粒文库到电脑桌面
安装后可以在桌面快捷访问

国内外汽油质量标准对比VIP免费

国内外汽油质量标准对比_第1页
1/8
国内外汽油质量标准对比_第2页
2/8
国内外汽油质量标准对比_第3页
3/8
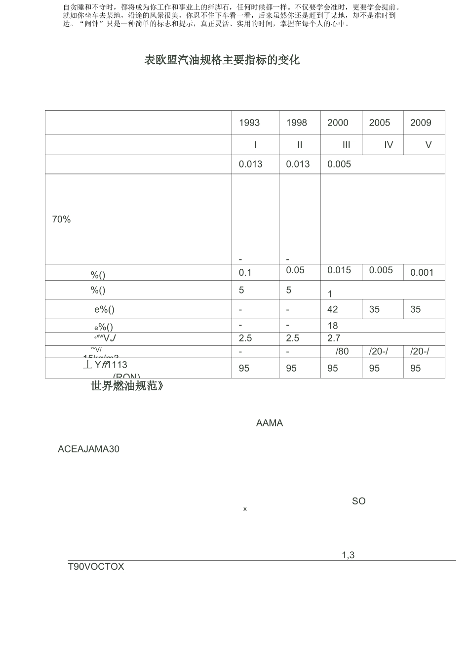
EN228自贪睡和不守时,都将成为你工作和事业上的绊脚石,任何时候都一样。不仅要学会准时,更要学会提前。就如你坐车去某地,沿途的风景很美,你忍不住下车看一看,后来虽然你还是赶到了某地,却不是准时到达。“闹钟”只是一种简单的标志和提示,真正灵活、实用的时间,掌握在每个人的心中。国内外汽油质量标准对比欧盟汽油标准EN228EN228-2002150卩g/g42%1.0%5mg/L200550卩g/g35%1.0%18%2007101()10旳/gEN228-2008200911自贪睡和不守时,都将成为你工作和事业上的绊脚石,任何时候都一样。不仅要学会准时,更要学会提前。就如你坐车去某地,沿途的风景很美,你忍不住下车看一看,后来虽然你还是赶到了某地,却不是准时到达。“闹钟”只是一种简单的标志和提示,真正灵活、实用的时间,掌握在每个人的心中。表欧盟汽油规格主要指标的变化19931998200020052009IIIIIIIVV0.0130.0130.00570%--%()0.10.050.0150.0050.001%()551e%()--423535e%()--18exwVJ%()2.52.52.7xwV/15kg/m3--/80/20-//20-/丄Yff1113(RON)9595959595世界燃油规范》AAMAACEAJAMA30SOx1,3T90VOCTOX自贪睡和不守时,都将成为你工作和事业上的绊脚石,任何时候都一样。不仅要学会准时,更要学会提前。就如你坐车去某地,沿途的风景很美,你忍不住下车看一看,后来虽然你还是赶到了某地,却不是准时到达。“闹钟”只是一种简单的标志和提示,真正灵活、实用的时间,掌握在每个人的心中。200691234NOX表《世界燃油规范》主要指标1234自贪睡和不守时,都将成为你工作和事业上的绊脚石,任何时候都一样。不仅要学会准时,更要学会提前。就如你坐车去某地,沿途的风景很美,你忍不住下车看一看,后来虽然你还是赶到了某地,却不是准时到达。“闹钟”只是一种简单的标志和提示,真正灵活、实用的时间,掌握在每个人的心中。(RON)91/95/991/95/98kPa10%77-10050%77-110130-17590%130-190195215707030555-1360480%(0.100.0150.00300.010--18/16/13(ISO4406)(50,3h)115,kg/m3715-780715-770--%()5.02.51.0自贪睡和不守时,都将成为你工作和事业上的绊脚石,任何时候都一样。不仅要学会准时,更要学会提前。就如你坐车去某地,沿途的风景很美,你忍不住下车看一看,后来虽然你还是赶到了某地,却不是准时到达。“闹钟”只是一种简单的标志和提示,真正灵活、实用的时间,掌握在每个人的心中。GB17930-1999%()504035%()-1810%(2.78---1%1052%10109.0----1CECF-05-A-93,mg/-50301ASTMD6201,-140140我国汽油标准2000199912282006自贪睡和不守时,都将成为你工作和事业上的绊脚石,任何时候都一样。不仅要学会准时,更要学会提前。就如你坐车去某地,沿途的风景很美,你忍不住下车看一看,后来虽然你还是赶到了某地,却不是准时到达。“闹钟”只是一种简单的标志和提示,真正灵活、实用的时间,掌握在每个人的心中。500卩g/g150卩g/g35%30%150卩g/g50卩g/g30%28%GB17930-2006800旳/g500旳/g2011512GB17930-2011表我国汽油规格指标变化200012003120056201012014--IIIIIIV(RON)90/93/9590/93/9590/93/9790/93/9790/93/(RON)0.0130.0130.0050.0050.0057010%70707070120kPa42-85mg/100mL585858585480480480480480%()0.100.080.050.0150.050如果你得罪了老板,失去的只是一份工作;如果你得罪了客户,失去的不过是;是的,世上只有一个人可以得罪:你给她脸色看,你冲她发牢骚,你大声顶撞她,甚至当着她的面摔碗,她都不会记恨你,原因很简单,因为她是你的母亲。40%自贪睡和不守时,都将成为你工作和事业上的绊脚石,任何时候都一样。不仅要学会准时,更要学会提前。就如你坐车去某地,沿途的风景很美,你忍不住下车看一看,后来虽然你还是赶到了某地,却不是准时到达。“闹钟”只是一种简单的标志和提示,真正灵活、实用的时间,掌握在每个人的心中。如果你得罪了老板,失去的只是一份工作;如果你得罪了客户,失去的不过是;是的,世上只有一个人可以得罪:你给她脸色看,你冲她发牢骚,你大声顶撞她,甚至当着她的面摔碗,她都不会记恨你,原因很简单,因为她是你的母亲。自贪睡和不守时,都将成为你工作和事业上的绊脚石,任何时候都一样。不仅要学会准时,更要学会提前。就如你坐车去某地,沿途的风景很美,你忍不住下车看一看,后来虽然你还是赶到了某地,却不是准时到达。“闹钟”只是一种简单的标志和提示,真正灵活、实用的时间,掌握在每个人的心中。

1、当您付费下载文档后,您只拥有了使用权限,并不意味着购买了版权,文档只能用于自身使用,不得用于其他商业用途(如 [转卖]进行直接盈利或[编辑后售卖]进行间接盈利)。
2、本站所有内容均由合作方或网友上传,本站不对文档的完整性、权威性及其观点立场正确性做任何保证或承诺!文档内容仅供研究参考,付费前请自行鉴别。
3、如文档内容存在违规,或者侵犯商业秘密、侵犯著作权等,请点击“违规举报”。

碎片内容

国内外汽油质量标准对比

确认删除?
VIP
微信客服
  • 扫码咨询
会员Q群
  • 会员专属群点击这里加入QQ群
客服邮箱
回到顶部