电脑桌面
添加小米粒文库到电脑桌面
安装后可以在桌面快捷访问

整理高中物理带电粒子在电场中的运动教学设计VIP免费

整理高中物理带电粒子在电场中的运动教学设计_第1页
1/7
整理高中物理带电粒子在电场中的运动教学设计_第2页
2/7
整理高中物理带电粒子在电场中的运动教学设计_第3页
3/7
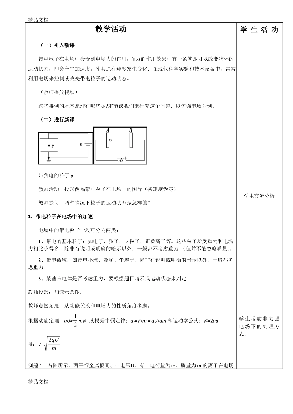
精品文档高中物理课堂教学设计课题教学目标§1.9带电粒子在电场中的运动(一)知识与技能课型新授课(第一课时)理解带电粒子在电场中不计重力情况下的运动规律,并能分析解决加速和偏转方向的问题.(二)过程与方法通过带电粒子在电场中加速、偏转过程分析,培养学生的分析、推理和知识迁移能力。(三)情感、态度与价值观通过知识的应用,培养学生热爱科学的精神精品文档教学重点、难点教学方法教学手段重点:带电粒子在匀强电场中的运动规律。难点:运用电学知识和力学知识综合处理偏转问题。讲授法、归纳法、互动探究法。多媒体课件精品文档教学活动(一)引入新课带电粒子在电场中会受到电场力的作用,而力的作用效果中有一条就是可以改变物体的运动状态,即会产生加速度,使其原有速度发生变化.在现代科学实验和技术设备中,常常利用电场来控制或改变带电粒子的运动状态。(教师播放视频)这些事例的基本原理有哪些呢?本节课我们来研究这个问题.以匀强电场为例。(二)进行新课学生活动带负电的粒子p教师活动:投影两幅带电粒子在电场中的图片(初速度为零)教师提问:两种情况下粒子的运动状态是怎样的?1、带电粒子在电场中的加速电场中的带电粒子一般可分为两类:1、带电的基本粒子:如电子,质子,α粒子,正负离子等。这些粒子所受重力和电场力相比小得多,除非有说明或明确的暗示以外,一般都不考虑重力。(但并不能忽略质量)。2、带电微粒:如带电小球、液滴、尘埃等。除非有说明或明确的暗示以外,一般都考虑重力。3、某些带电体是否考虑重力,要根据题目暗示或运动状态来判定教师投影:加速示意图.教师点拨拓展:从功能关系和电场力的性质角度考虑。根据动能定理:qU=学生交流分析学生考虑非匀强电场下的处理方式。12mv或根据牛顿定律:a=F/m=qU/dm和运动学公式:v2=2ad2得:v=2qUm例题1:右图所示,两平行金属板间加一电压U,有一电荷量为+q、质量为m的离子在电场精品文档精品文档力的作用下以初速v0开始从正极板向负极板运动。则(1)离子在电场中作什么运动?(2)离子穿出负极板时的速度多大?(3)离子穿出负极板后做什么运动?过渡:若粒子以初速度V0沿垂直场强方向进入电场,粒子的运动情况如何?2、带电粒子在电场中的偏转教师投影:如图所示,电子以初速度v0垂直于电场线射入匀强电场中.教师提问:(1)是直线还是曲线运动?(2)是什么性质的曲线运动?结合图示动手推导,当v0=0时,带电粒子到达另一板的速度大小。(教师抽查学生的结果展示、激励(3)以前学过这类的运动吗?那时我们是怎样处理这种性质的曲线运动的?评价)。(4)运动的合成与分解方法能用在这里吗?为什么?已知:带电粒子电性为负,电量大小为q,质量为m,重力不计,初速度v0垂直于场强。引导学生完成知识的迁移过程(用匀强电场:真空中YYˊ极板水平放置,二板间距为d,电势差为U,板长为l。平抛来解决类平抛问题)vvy+φV0yqV0φBOˊO—(1)带电粒子在垂直于电场线方向上不受任何力,做匀速直线解:由于带电粒子在电场中运动受力仅有电场力(与初速度垂直且恒定),不考虑重力,运动。故带电粒子做类平抛运动。粒子在电场中的运动时间t=(2)在平行于电场线方向上,受到电场力的作用做初速为零的匀加速直线运动。求偏移量y?投影示范解析:Lv0加速度a=竖直方向的偏转距离:Eq=qU/mdm精品文档精品文档121UqL2qL2y=at=()U.222mdv02mv0d粒子离开电场时的偏转角度θ为:tanθ=v1qLqLUarctanU.22v0mv0dmv0d拓展:若带电粒子的初速v0是在电场的电势差U1下加速而来的(从零开始),那么上面的结果又如何呢?(y,θ)学生探究活动:动手推导、互动检查。教师抽查学生推导结果并展示:ULUL2结论:y=θ=arctan2U1d4U1d与q、m无关。12qUL对偏移公式的讨论:yat222mdv0对于不同的带电粒子:(1)若以相同的速度射入则y∝q/m(2)若以相同的动能射入,则y∝q(3)若经相同电压U0加速后射入,则2qUL2UL2y24dU02mdV0y与qm无关,随加速电压的增大而减小,随偏转电压的增大而增大。例题2:已知:U1、l、YY׳偏转电极的电压U2、板间距d、板端到荧光屏的距离L。求:电子射出...

1、当您付费下载文档后,您只拥有了使用权限,并不意味着购买了版权,文档只能用于自身使用,不得用于其他商业用途(如 [转卖]进行直接盈利或[编辑后售卖]进行间接盈利)。
2、本站所有内容均由合作方或网友上传,本站不对文档的完整性、权威性及其观点立场正确性做任何保证或承诺!文档内容仅供研究参考,付费前请自行鉴别。
3、如文档内容存在违规,或者侵犯商业秘密、侵犯著作权等,请点击“违规举报”。

碎片内容

整理高中物理带电粒子在电场中的运动教学设计

您可能关注的文档

爱的疯狂+ 关注
实名认证
内容提供者

该用户很懒,什么也没介绍

确认删除?
VIP
微信客服
  • 扫码咨询
会员Q群
  • 会员专属群点击这里加入QQ群
客服邮箱
回到顶部