电脑桌面
添加小米粒文库到电脑桌面
安装后可以在桌面快捷访问

风机专业--超声波检测技术在风机塔筒紧固螺栓探伤中的应用介绍VIP免费

风机专业--超声波检测技术在风机塔筒紧固螺栓探伤中的应用介绍_第1页
1/6
风机专业--超声波检测技术在风机塔筒紧固螺栓探伤中的应用介绍_第2页
2/6
风机专业--超声波检测技术在风机塔筒紧固螺栓探伤中的应用介绍_第3页
3/6
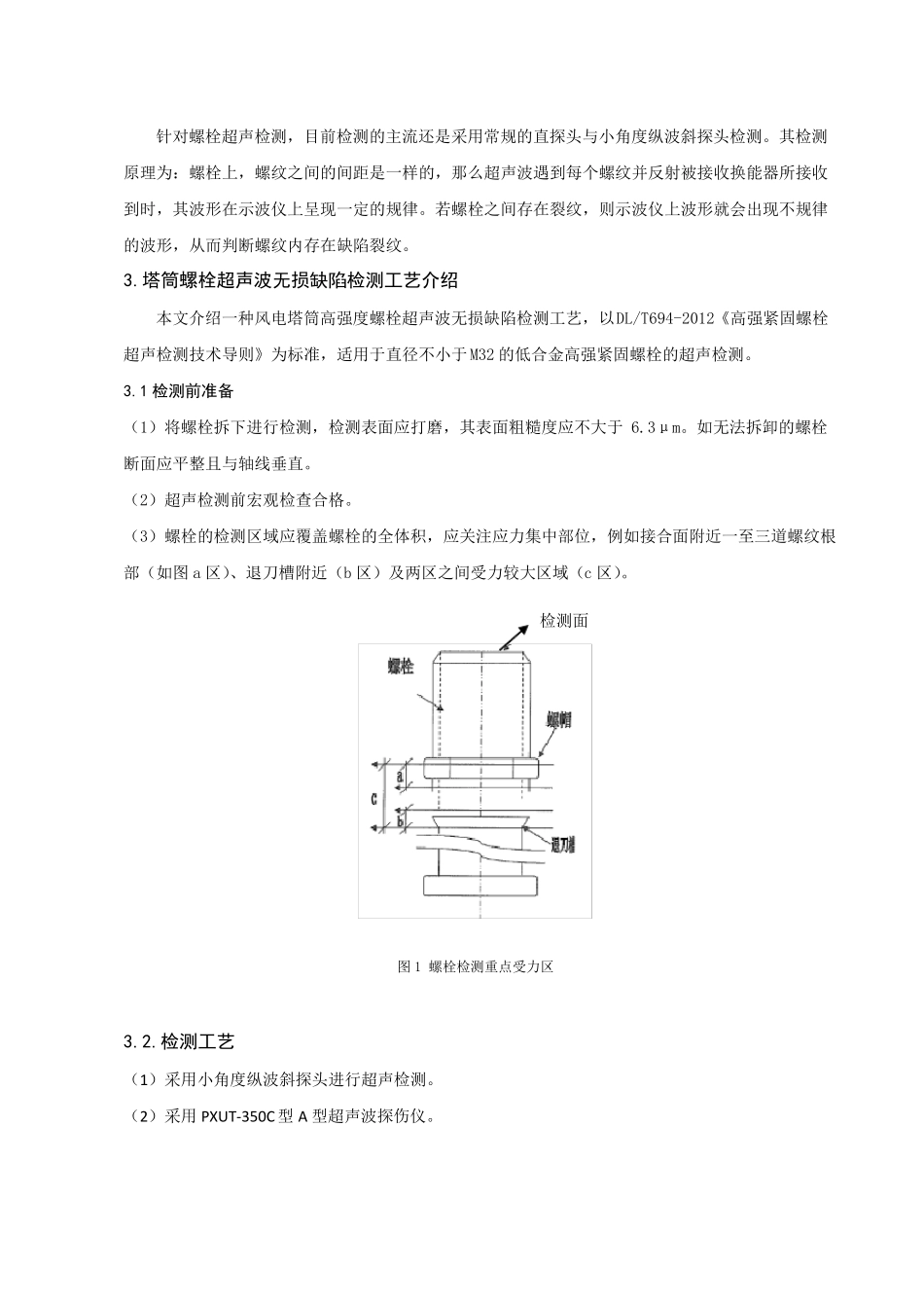
超声波检测技术在风机塔筒紧固螺栓探伤中的应用介绍中文摘要:塔筒是风力发电机组的主要承重部件,一般由3至4段短锥型筒通过法兰螺栓连接而成。塔筒高强紧固螺栓连接处所处环境恶劣,受力复杂,易出现裂纹及断裂情况,所以对其螺栓探伤的工作有着重要的意义。如何能检测更小裂纹缺陷,更快更方便的发现缺陷,一直是螺栓检测的重点难点,超声检测是目前研究最热的检测技术之一,本文介绍了超声波检测技术在塔筒螺栓检测探伤中的应用。关键词:塔筒,螺栓探伤,超声波检测Abstrcat:Towerdrumisthemainbearingpartsofwindturbine,whichisconnectedby3to4shortconicaltubesthroughflangebolts.Becauseofthebadspaceenvironmentandcomplexloading,thehighstrengthboltsoftowerdrumeasytoappeartothescenarioofcrackandfractureeasily.It’sAnimportanttopictoresearchtheboltinspectionandhowtodetectsmallercrackdefectseffectivelyhasbeenthefocusoftheboltinspection.Ultrasonictestingisoneofthehottesttestingtechnologyresearchrecently.Thispaperintroducestheapplicationofboltinspectionofdrumtowerwithultrasonicinspectiontechnology.Keywords:towerdrum,boltinspection,ultrasonicinspection1.序言风力发电机由叶片、轮毂、主轴、机舱和塔筒等组成,塔筒是风力发电机组的主要承重部件,大型风力机塔筒一般都在几十米以上,重量为风力机组总重量的50%以上[1]。风场的塔筒一般由3至4段短锥型筒通过法兰螺栓连接而成,螺栓连接处所处环境恶劣,受力复杂,易出现松动及裂纹缺陷,这些缺陷一般不易被发现,在缺陷发展一定程度时,造成重大安全事故,严重威胁人生安全。螺栓连接的可靠性直接影响到整个风机机组的可靠性。螺栓缺陷的定量分析结果至关重要,应尽可能早的发现裂纹缺陷,以便及时更换,把隐患扼杀在摇篮中。因此如何能检测更小裂纹缺陷,更快更方便的发现缺陷,一直是螺栓检测的重点难点。目前关于塔筒螺栓连接强度理论分析有对螺栓组联接受轴向载荷或受倾覆力矩的分析等方面[2]。2.超声波无损检测研究现状超声波技术无损检测技术在近20年取得了巨大的发展,并随着计算机和信号处理技术的发展,超声波检测的可靠性已大大加强[3],超声检测是目前研究最热的检测技术之一。由于超声波的多样性,故超声检测方法也是多种多样。目前研究最热的就属超声导波检测和相控阵技术。针对螺栓超声检测,目前检测的主流还是采用常规的直探头与小角度纵波斜探头检测。其检测原理为:螺栓上,螺纹之间的间距是一样的,那么超声波遇到每个螺纹并反射被接收换能器所接收到时,其波形在示波仪上呈现一定的规律。若螺栓之间存在裂纹,则示波仪上波形就会出现不规律的波形,从而判断螺纹内存在缺陷裂纹。3.塔筒螺栓超声波无损缺陷检测工艺介绍本文介绍一种风电塔筒高强度螺栓超声波无损缺陷检测工艺,以DL/T694-2012《高强紧固螺栓超声检测技术导则》为标准,适用于直径不小于M32的低合金高强紧固螺栓的超声检测。3.1检测前准备(1)将螺栓拆下进行检测,检测表面应打磨,其表面粗糙度应不大于6.3μm。如无法拆卸的螺栓断面应平整且与轴线垂直。(2)超声检测前宏观检查合格。(3)螺栓的检测区域应覆盖螺栓的全体积,应关注应力集中部位,例如接合面附近一至三道螺纹根部(如图a区)、退刀槽附近(b区)及两区之间受力较大区域(c区)。检测面图1螺栓检测重点受力区3.2.检测工艺(1)采用小角度纵波斜探头进行超声检测。(2)采用PXUT-350C型A型超声波探伤仪。(3)小角度纵波斜探头的折射角应根据探测的螺纹区长度及端面直径来确定[4],本次应用中选取为6°至8.5°,频率为5MHz,探头晶片尺寸如表1所示。表1探头晶片尺寸螺栓规格晶片尺寸<M567mm×12mm>M56,<M1009mm×12mm>M10013mm×13mm(4)单斜探头声速轴线水平偏离角不应大于2°,主声速在垂直方向不应有明显的双峰或多峰。(5)探头中心频率允许偏差应为±0.5MHz。(6)试块型号为LS-I,采用20号优质碳素结构钢加工制成。(7)扫描速度在LS-I试块上按深度定位法调整,扫描时基线比例应根据螺栓(螺纹)长度而定,最大检测范围应至少达到...

1、当您付费下载文档后,您只拥有了使用权限,并不意味着购买了版权,文档只能用于自身使用,不得用于其他商业用途(如 [转卖]进行直接盈利或[编辑后售卖]进行间接盈利)。
2、本站所有内容均由合作方或网友上传,本站不对文档的完整性、权威性及其观点立场正确性做任何保证或承诺!文档内容仅供研究参考,付费前请自行鉴别。
3、如文档内容存在违规,或者侵犯商业秘密、侵犯著作权等,请点击“违规举报”。

碎片内容

风机专业--超声波检测技术在风机塔筒紧固螺栓探伤中的应用介绍

您可能关注的文档

确认删除?
VIP
微信客服
  • 扫码咨询
会员Q群
  • 会员专属群点击这里加入QQ群
客服邮箱
回到顶部