电脑桌面
添加小米粒文库到电脑桌面
安装后可以在桌面快捷访问

高空云梯车与高空作业车区别及用途VIP免费

高空云梯车与高空作业车区别及用途_第1页
1/7
高空云梯车与高空作业车区别及用途_第2页
2/7
高空云梯车与高空作业车区别及用途_第3页
3/7
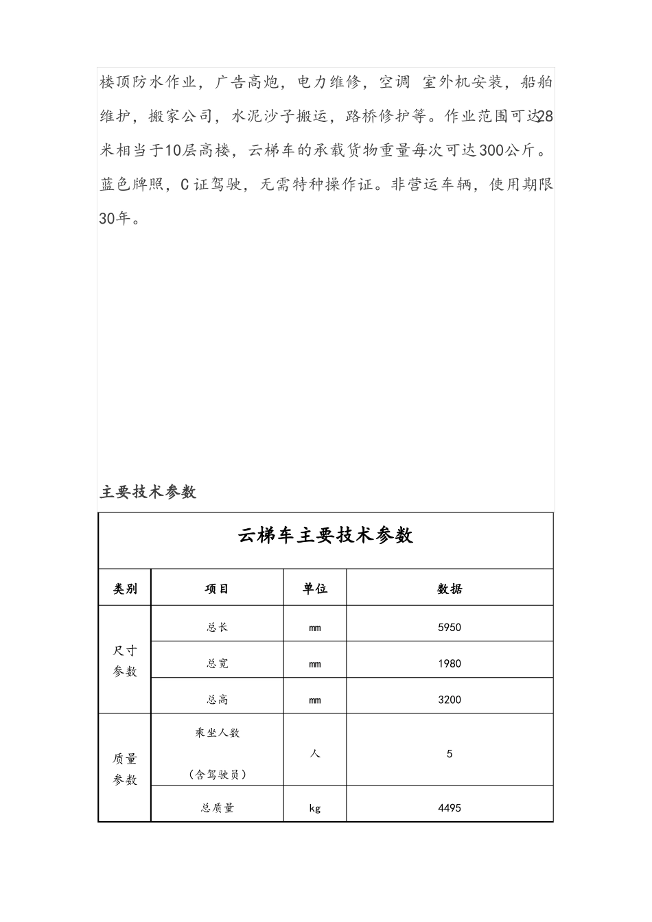
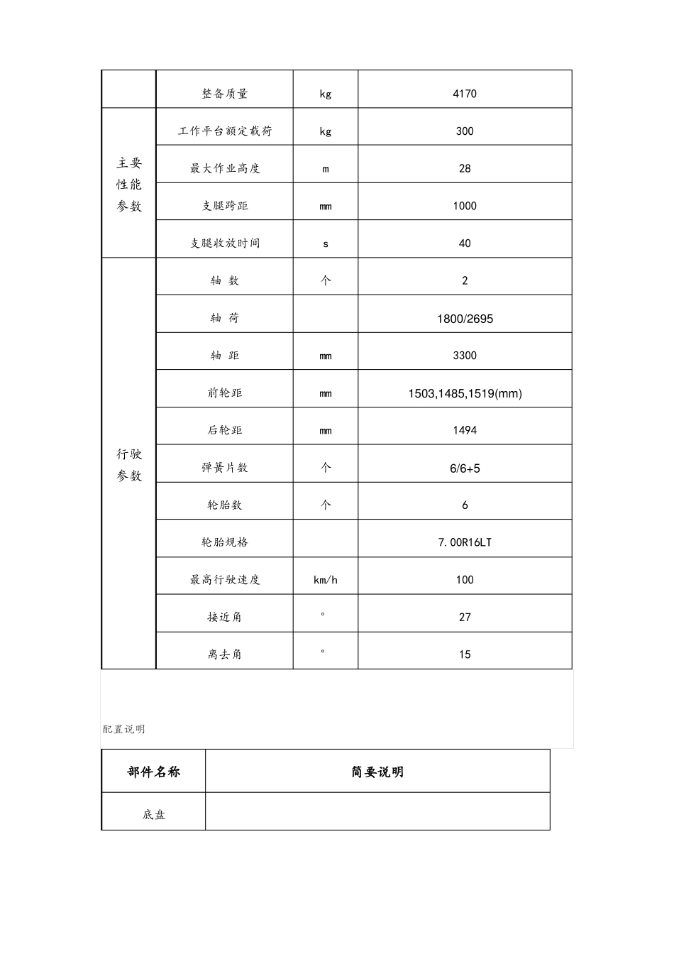
云梯高空作业车云梯车用途:云梯车一种利用车载云梯设备将物料搬运上楼的专项作业车辆,该车具有操作简便易学、灵活性强、运用面广、工作效率高、性能卓越等特点。主要用于工程租赁,幕墙施工、楼顶太阳能、楼顶防水作业,广告高炮,电力维修,空调室外机安装,船舶维护,搬家公司,水泥沙子搬运,路桥修护等。作业范围可达28米相当于10层高楼,云梯车的承载货物重量每次可达300公斤。蓝色牌照,C证驾驶,无需特种操作证。非营运车辆,使用期限30年。主要技术参数云梯车主要技术参数类别项目总长单位mmmmmm数据595019803200尺寸参数总宽总高乘坐人数质量参数(含驾驶员)总质量人5kg4495整备质量工作平台额定载荷kgkgmmms个41703002810004021800/269533001503,1485,1519(mm)14946/6+567.00R16LT1002715主要性能参数最大作业高度支腿跨距支腿收放时间轴数轴荷轴距前轮距后轮距mmmmmm个个行驶参数弹簧片数轮胎数轮胎规格最高行驶速度接近角离去角km/h°°配置说明部件名称底盘简要说明发动机驾驶室走台板取力系统工作平台臂架形式臂起落形式回转装置支腿操作调平系统双排座,可乘坐5人,驾驶室装备空调,行驶记录系统防滑走台板液压操作1100×1000×450(mm)七节同步伸缩双变幅油缸,臂起落、回转更平稳180度回转H型,二节伸缩支腿,单独可调工作平台和地面遥控器电气操作,转台液压操作液压自动调平基本功能及安全配置云梯车基本功能安全配置:作业车可以实现平台载荷300kg,最大作业高度28米,最大作业幅度13米。名称上下车自动互锁装置整车水平状态测试仪云梯限位报警装置紧急制动装置一键式点火、熄火简要说明用于上下车互锁,防止误操作发生危险可检测整车横向纵向两个方向倾斜状态梯子伸出达到限位自动报警提示用于强制停止平台运行在操作台可对发动机进行点火、熄火控制夜间安全照明装置在梯臂上有工程照明灯用于警示支腿未按要求收好支腿安全警示装置在平台和下车设有无线对讲实时通讯进口关键件明细表名称国家简介液压马达保加利亚主要动力输出,用于带动卷扬机制动器保加利亚压力不足时,紧急刹车制动平衡阀组保加利亚自锁功能,防止油管爆裂工作臂、平台自动下落,安全保护,还可以保证动作平稳液压锁保加利亚锁住回路,不让回路油液有流动多路阀保加利亚当在系统出现异常时,压力超过设计时的压力,使系统进入危险时,阀开启溢流,对系统起过载保护减速机保加利亚速同时降低了负载的惯量,降速同时提高输出扭矩行程开关日本上下车互锁、动作限位工作曲线图1、幅度曲线图

1、当您付费下载文档后,您只拥有了使用权限,并不意味着购买了版权,文档只能用于自身使用,不得用于其他商业用途(如 [转卖]进行直接盈利或[编辑后售卖]进行间接盈利)。
2、本站所有内容均由合作方或网友上传,本站不对文档的完整性、权威性及其观点立场正确性做任何保证或承诺!文档内容仅供研究参考,付费前请自行鉴别。
3、如文档内容存在违规,或者侵犯商业秘密、侵犯著作权等,请点击“违规举报”。

碎片内容

高空云梯车与高空作业车区别及用途

确认删除?
VIP
微信客服
  • 扫码咨询
会员Q群
  • 会员专属群点击这里加入QQ群
客服邮箱
回到顶部