电脑桌面
添加小米粒文库到电脑桌面
安装后可以在桌面快捷访问

某贝雷梁钢便桥计算书 VIP免费

某贝雷梁钢便桥计算书 _第1页
1/10
某贝雷梁钢便桥计算书 _第2页
2/10
某贝雷梁钢便桥计算书 _第3页
3/10
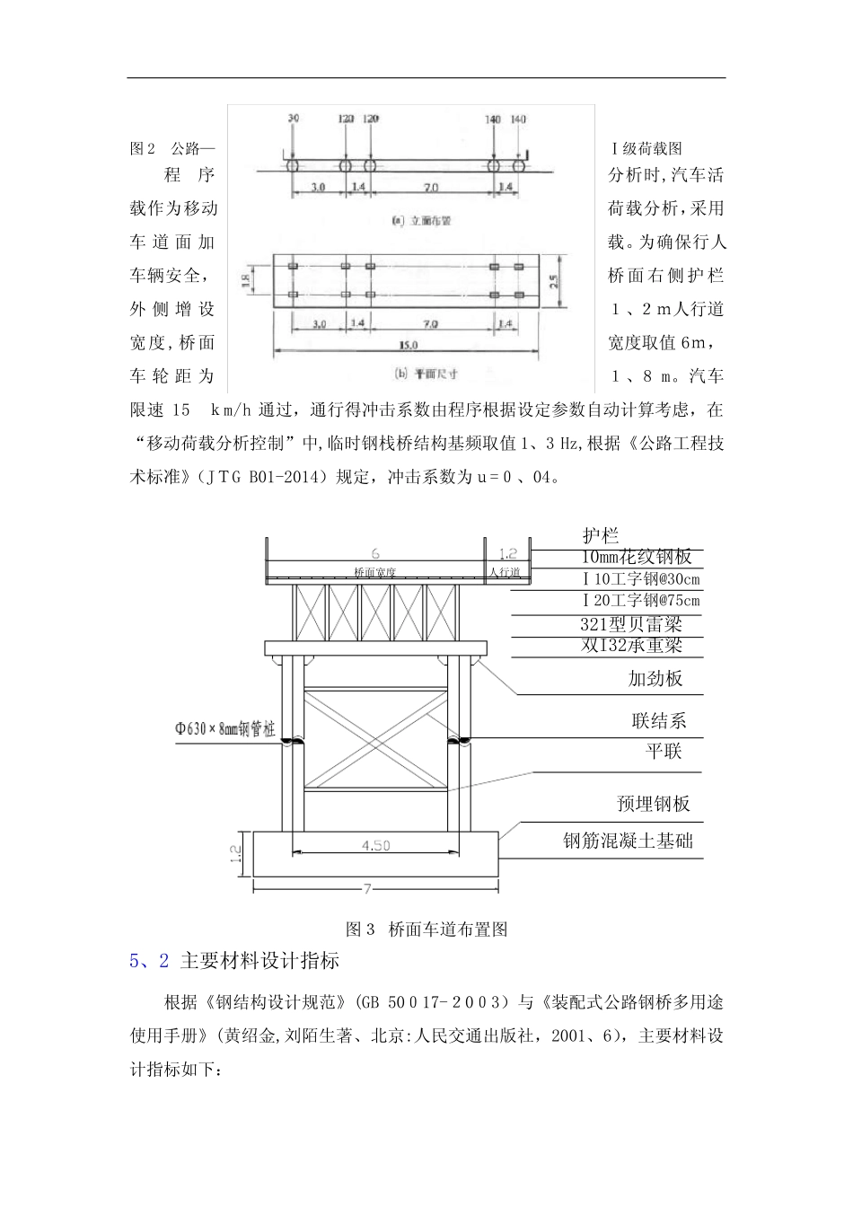
峃口隧道钢栈桥计算书1、工程概况本施工便桥采用321型单层上承式贝雷桁架,栈桥0#桥台与老56省道相连,6#桥台位于峃口隧道起点位置,横跨泗溪.便桥孔跨布置为10m+5*15m,全长85米,桥面净宽6米,人行道宽度1、2m,纵向坡度+3%,桥面至河床面净高10米,至水面净空为8、5米(图1为钢栈桥截面图)。钢栈桥桥面系主体结构由δ=10mm花纹钢板、I10工字钢纵梁(间距0、3m)、I20工字钢横梁(长7、2m,间距0、75m)组成。桥面板与工字钢采用手工电弧焊焊接连接,桥面系布置于贝雷桁梁之上,与贝雷桁梁之间用U型螺栓固定。贝雷桁梁由贝雷片拼制而成,横向设置6片,间距0、9m,贝雷片之间采用角钢支撑花架连接成整体。本桥基础为明挖基础,基础为7×2、6×1、2m得钢筋砼,扩大基础必须坐落于河床基岩上,且基础顶标高低于河床。基础上部墩身均采用φ630mm(δ=8mm)钢管,采用双排桩横桥向各布置2根,钢管桩之间由平联、斜撑连接。钢管桩顶设双I32工字钢分配梁。本桥基础设计为明挖基础,基础采用C25钢筋砼,钢管桩位于砼基础上与预埋钢板焊接牢固,在此不做计算。Ⅰ20工字钢@75cm321型贝雷梁双I32承重梁联结系平联预埋钢板钢筋混凝土基础加劲板10mm花纹钢板护栏Ⅰ10工字钢@30cm人行道桥面宽度图1钢栈桥截面图(单位:mm)2、计算目标本计算得计算目标为:1)确定通行车辆荷载等级;2)确定各构件计算模型以及边界约束条件;3)验算各构件强度与刚度。3、计算依据本计算得计算依据如下:[1]黄绍金,刘陌生、装配式公路钢桥多用途使用手册[M]、北京:人民交通出版社,2001[2]《钢结构设计规范》(GB50017-2003)[3]《公路桥涵设计通用规范》(JTGD60—2004)[4]《公路桥涵钢结构及木结构设计规范》(JTJ025-86)4、计算理论及方法本计算主要依据《装配式公路钢桥多用途使用手册》(黄绍金,刘陌生著、北京:人民交通出版社,2001、6)、《钢结构设计规范》(GB50017—2003)、《公路桥涵设计通用规范》(JTGD60—2004)、《公路桥涵钢结构及木结构设计规范》(JTJ025-86)等规范中得相关规定,通过MIDAS/Civil2012结构分析软件计算完成。5、计算参数取值5、1设计荷载5.1。1恒载本设计采用MidasCivil建模分析,自重恒载由程序根据有限元模型设定得截面与尺寸自行计算施加。5.1。2活载根据《公路桥涵设计通用规范JTGD60—2004》,汽车荷载按公路-Ⅰ级荷载计算,公路—Ⅰ荷载如图2:图2公路—Ⅰ级荷载图程序分析时,汽车活载作为移动荷载分析,采用车道面加载。为确保行人车辆安全,桥面右侧护栏外侧增设1、2m人行道宽度,桥面宽度取值6m,车轮距为1、8m。汽车限速15km/h通过,通行得冲击系数由程序根据设定参数自动计算考虑,在“移动荷载分析控制”中,临时钢栈桥结构基频取值1、3Hz,根据《公路工程技术标准》(JTGB01-2014)规定,冲击系数为u=0、04。Ⅰ20工字钢@75cm321型贝雷梁双I32承重梁联结系平联预埋钢板钢筋混凝土基础加劲板10mm花纹钢板护栏Ⅰ10工字钢@30cm人行道桥面宽度图3桥面车道布置图5、2主要材料设计指标根据《钢结构设计规范》(GB50017-2003)与《装配式公路钢桥多用途使用手册》(黄绍金,刘陌生著、北京:人民交通出版社,2001、6),主要材料设计指标如下:6计算分析6、1计算模型及边界条件设置图4为钢栈桥Midas分析模型图。其中,桩基础采用梁单元,桥面板采用板单元。图4分析模型边界条件设置如下:(1)桥面系构件连接:桥面板与I10工字钢纵梁、纵梁与I20工字钢横梁均采用共节点连接,横梁与贝雷桁梁采用仅受压弹性连接,连接刚度按经验取值100kN/mm。由于存在仅受压弹性连接,模型对桥面板进行三处约束,各处约束自由度分别为:(Dx,Dy,Rz);(Dx,Rz);(Dy,Rz)。(2)其余构件连接:贝雷桁梁与2I32工字钢分配梁采用弹性连接,分配梁与钢管桩采用共节点连接.钢管桩桩底按锚固模拟,约束Dx、Dy、Dz、Rx、Ry、Rz。6、2计算结果分析由于Midas计算结果中,桥面系构件总体变形与贝雷桁梁变形一致,导致桥面系构件变形输出结果远大于实际变形,另外再考虑到桥面系构件跨度均较小,故结果分析中桥面系构件仅以强度满足...

1、当您付费下载文档后,您只拥有了使用权限,并不意味着购买了版权,文档只能用于自身使用,不得用于其他商业用途(如 [转卖]进行直接盈利或[编辑后售卖]进行间接盈利)。
2、本站所有内容均由合作方或网友上传,本站不对文档的完整性、权威性及其观点立场正确性做任何保证或承诺!文档内容仅供研究参考,付费前请自行鉴别。
3、如文档内容存在违规,或者侵犯商业秘密、侵犯著作权等,请点击“违规举报”。

碎片内容

某贝雷梁钢便桥计算书

您可能关注的文档

文达天下+ 关注
实名认证
内容提供者

各类试题、文摘、指南、行业规范

相关文档

确认删除?
VIP
微信客服
  • 扫码咨询
会员Q群
  • 会员专属群点击这里加入QQ群
客服邮箱
回到顶部