电脑桌面
添加小米粒文库到电脑桌面
安装后可以在桌面快捷访问

基-本-情-况0VIP免费

基-本-情-况0_第1页
1/9
基-本-情-况0_第2页
2/9
基-本-情-况0_第3页
3/9
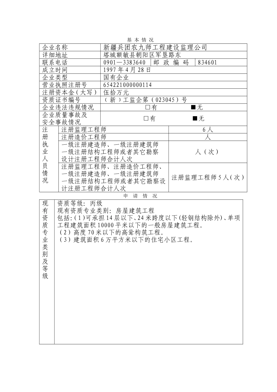
基本情况企业名称新疆兵团农九师工程建设监理公司详细地址塔城额敏县朝阳区军垦路东联系电话0901—3383640邮政编码834601成立时间1997年4月28日企业类型国有企业营业执照注册号654221000000114注册资本金(大写)伍拾万元资质证书编号﹝新﹞工监企第(023045)号企业违法违规情况□有■无企业质量事故及安全事故情况□有■无注册执业人员情况注册监理工程师6人注册造价工程师人一级注册建造师、一级注册建筑师一级注册结构工程师或者其它勘察设计注册工程师合计人次人(次)注册监理工程师、注册造价工程师、一级注册建造师、一级注册建筑师一级注册结构工程师或者其它勘察设计注册工程师合计人次注册监理工程师5人(次)申请情况现有资质专业类别及等级资质等级:丙级现有资质专业类别:房屋建筑工程包括:(1)可承担14层以下、24米跨度以下(轻钢结构除外)、单项工程建筑面积10000平米以下的一般房屋建筑工程。(2)高度70米以下的高耸构筑工程。(3)建筑面积6万平方米以下的住宅小区工程。申请内容新设立□专业资质升级□增加其他专业资质□综合资质□资质延续■其他□资质序列:□综合资质■专业资质□事务所资质专业资质类别及等级:法定代表人(签名):公章:法定代表人情况姓名周正川年龄51性别男民族汉一寸免冠照片身份证号652522195809204018学历本科专业水利水电注册监理工程师注册号从事工程建设工作年限32监理工程师执业资格证号职称及证号高级工程师A0900153工作简历起止时间单位从事何种专业技术工作职务1982年3月至1983年8月新疆兵团农九师勘测设计院水利设计技术员1983年9至1988年8月新疆兵团农九师勘测设计院水利设计助理工程师1988年9月至1994年11月新疆兵团农九师勘测设计院水利设计、审核水工室主任、工程师11994年12月至1996年1月新疆兵团农九师勘测设计院水利设计、审核副院长、高级工程师1998年1月至今新疆兵团农九师勘测设计院水利设计审核工程设计审核院长、高级工程师1997年12月至今新疆兵团农九师工程建设监理公司房屋建筑工程公司法人、总经理、高级工程师技术负责人情况姓名陈芝良年龄45性别男民族汉一寸免冠照片身份证号65252219640206461x学历大专专业水利水电注册监理工程师注册号65000900从事工程建设工作年限28监理工程师执业资格证号0039271职称及证号工程师98B01001工作简历起止时间单位从事何种专业技术工作职务1987年7月至1989年3月九师165团基建科工民建科员1989年3月至1997年3月九师165团水管所农田水利所长21997年3月至1998年3月九师165团基建科工民建副科长1998年3月至2005年3月九师165团水管所农田水利所长2005年3月至今新疆兵团农九师监理公司工民建负责人企业负责人情况姓名张莉年龄41性别女民族汉一寸免冠照片身份证号654221196805164040学历本科专业工民建注册监理工程师注册号从事工程建设工作年限19监理工程师执业资格证号职称及证号高级工程师A20060286工作简历起止时间单位从事何种专业技术工作职务1990年7月至1998年1月农九师建安总公司工民建科员31998年1月至2005年12月新疆兵团农九师监理公司工民建负责人2006年1月至2009年6月农九师质量监督站工民建科员2009年7月至今新疆兵团农九师监理公司工民建副经理兼总工4工程建设类注册执业人员一览表序号姓名学历所学专业身份证号码注册执业证书类别及等级注册编号注册执业证书号注册监理工程师注册专业1注册监理工程师注册专业2备注1陈芝良大专水利水电65252219640206461x6500090000063277房屋建筑工程2刘月刚大专工民建6542211969080840196500089900063276房屋建筑工程3刘刚本科工民建6501051973091322136500089800063275房屋建筑工程4何茂青大专工民建6525221969032748506500089700063274房屋建筑工程5左强大专农田水利65422119731003461x6500181700153029房屋建筑工程657896农九师工程建设监理公司简介新疆兵团农九师工程建设监理公司位于塔城地区,单位位于新疆额敏县朝阳区军垦路东,企业资格为丙级,监理工程范围为可承担14层以下,24米跨度以下(轻钢结构除外);单项工程建筑面积10000平方米以下的一般房屋建筑工程;高度70米以下高耸构筑工程;建筑面积6万平方米以下...

1、当您付费下载文档后,您只拥有了使用权限,并不意味着购买了版权,文档只能用于自身使用,不得用于其他商业用途(如 [转卖]进行直接盈利或[编辑后售卖]进行间接盈利)。
2、本站所有内容均由合作方或网友上传,本站不对文档的完整性、权威性及其观点立场正确性做任何保证或承诺!文档内容仅供研究参考,付费前请自行鉴别。
3、如文档内容存在违规,或者侵犯商业秘密、侵犯著作权等,请点击“违规举报”。

碎片内容

基-本-情-况0

确认删除?
VIP
微信客服
  • 扫码咨询
会员Q群
  • 会员专属群点击这里加入QQ群
客服邮箱
回到顶部