电脑桌面
添加小米粒文库到电脑桌面
安装后可以在桌面快捷访问

xx市工业企业“星级安全合格班组”评定表VIP免费

xx市工业企业“星级安全合格班组”评定表_第1页
1/6
xx市工业企业“星级安全合格班组”评定表_第2页
2/6
xx市工业企业“星级安全合格班组”评定表_第3页
3/6
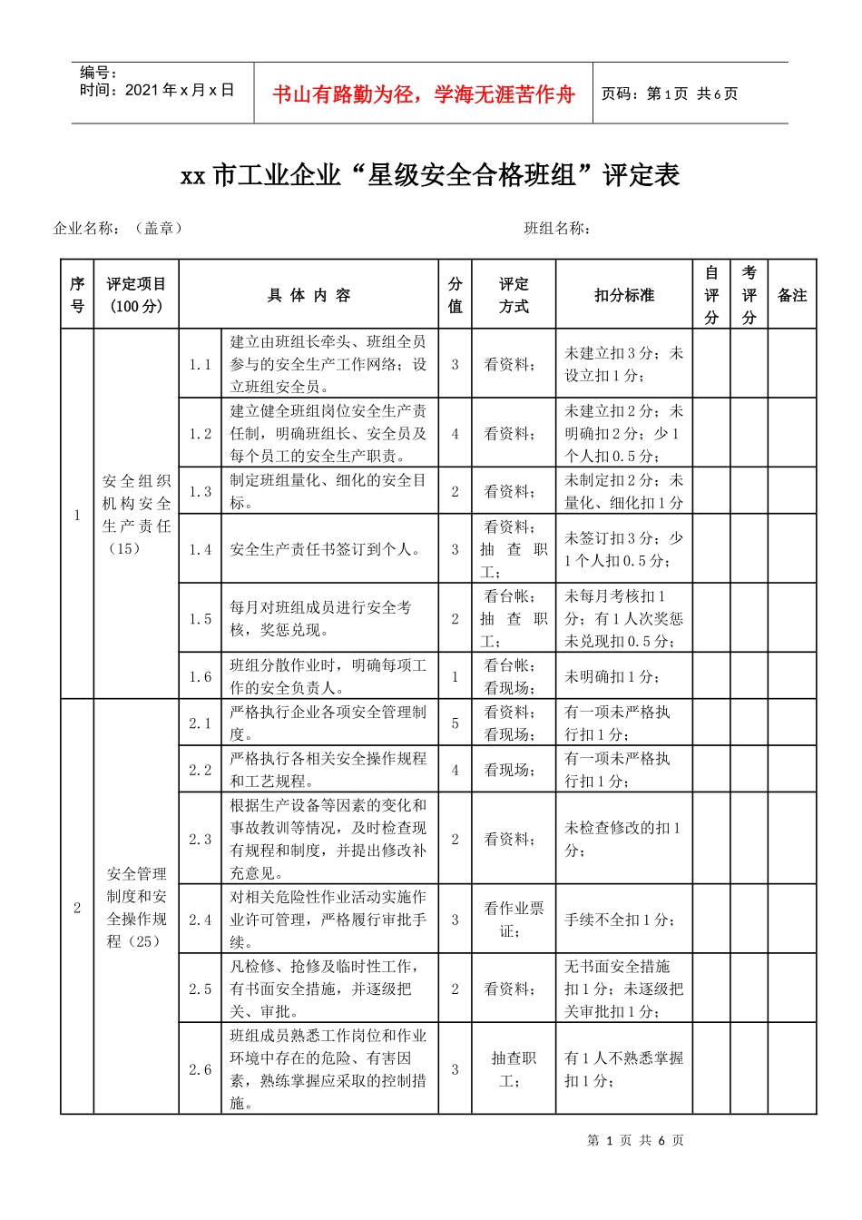
第1页共6页编号:时间:2021年x月x日书山有路勤为径,学海无涯苦作舟页码:第1页共6页xx市工业企业“星级安全合格班组”评定表企业名称:(盖章)班组名称:序号评定项目(100分)具体内容分值评定方式扣分标准自评分考评分备注1安全组织机构安全生产责任(15)1.1建立由班组长牵头、班组全员参与的安全生产工作网络;设立班组安全员。3看资料;未建立扣3分;未设立扣1分;1.2建立健全班组岗位安全生产责任制,明确班组长、安全员及每个员工的安全生产职责。4看资料;未建立扣2分;未明确扣2分;少1个人扣0.5分;1.3制定班组量化、细化的安全目标。2看资料;未制定扣2分;未量化、细化扣1分1.4安全生产责任书签订到个人。3看资料;抽查职工;未签订扣3分;少1个人扣0.5分;1.5每月对班组成员进行安全考核,奖惩兑现。2看台帐;抽查职工;未每月考核扣1分;有1人次奖惩未兑现扣0.5分;1.6班组分散作业时,明确每项工作的安全负责人。1看台帐;看现场;未明确扣1分;2安全管理制度和安全操作规程(25)2.1严格执行企业各项安全管理制度。5看资料;看现场;有一项未严格执行扣1分;2.2严格执行各相关安全操作规程和工艺规程。4看现场;有一项未严格执行扣1分;2.3根据生产设备等因素的变化和事故教训等情况,及时检查现有规程和制度,并提出修改补充意见。2看资料;未检查修改的扣1分;2.4对相关危险性作业活动实施作业许可管理,严格履行审批手续。3看作业票证;手续不全扣1分;2.5凡检修、抢修及临时性工作,有书面安全措施,并逐级把关、审批。2看资料;无书面安全措施扣1分;未逐级把关审批扣1分;2.6班组成员熟悉工作岗位和作业环境中存在的危险、有害因素,熟练掌握应采取的控制措施。3抽查职工;有1人不熟悉掌握扣1分;第2页共6页第1页共6页编号:时间:2021年x月x日书山有路勤为径,学海无涯苦作舟页码:第2页共6页2.7建立安全交底、安全确认为主要内容的交接班安全管理制度。2看资料;未建立扣2分;2.8本班组所在岗位有危险源、关键装置或重点部位的,应建立符合标准的应急预案。2看现场;看资料;未建立扣2分;不符合标准扣1分;2.9至少每半年进行一次应急预案演练,确保危险源、关键装置、重点部位的操作、检修、仪表、电气等人员能够识别和及时处理各种事件及事故。2看台帐;抽查职工;未演练扣2分;3安全教育和培训(15)3.1新进、转岗、复岗员工培训实行三级安全教育,并经考试合格后上岗。4看台帐;有1人次未接受培训扣0.5分;3.2特种作业人员持证上岗,并定期参加复审。3看台帐;看证书;有1人无证或未定期复审扣0.5分;3.3班组成员定期参加安全培训教育,培训教育资料一人一档。2看台帐;有1人无档案扣0.5分;3.4班组每周组织一次安全学习活动。2看台帐;少1次扣0.5分;3.5班组成员熟练掌握本岗位工艺安全信息(①物品危险性信息;②工艺信息;③设备信息)。4看台帐;抽查职工;有1人次未掌握的扣1分;4安全检查和事故隐患排查治理(20)4.1坚持“一班三检”(班前、班中、班后)制度,有异常情况及时处理。5看台帐;有1次未及时处理扣1分;4.2每天开好班前班后会,时间不少于15分钟,并做好记录。4看台帐;有1次未记录扣1分;4.3认真组织开展“零伤害”活动,开展班组“安全日”活动。2看资料;未开展扣2分;4.4组织职工开展“反三违、查隐患、堵漏洞”等多种形式的安全生产竞赛活动3看资料;未开展扣3分;4.5规范完善各类台帐(建立事故发生和处理台帐、安全隐患检查整改台帐、职工违章处理台帐等)。6看台帐;有1个未建立扣1分;第3页共6页第2页共6页编号:时间:2021年x月x日书山有路勤为径,学海无涯苦作舟页码:第3页共6页5现场安全管理(25)5.1班组内的设备、工具、车辆及工作现场安全无隐患。安全防护装置、设施齐全可靠。5看现场;有1处隐患扣0.5分;5.2设备清洁完好,无跑、冒、滴、漏。现场环境整洁,物料工具堆放整齐,安全通道畅通,安全标志合规明显。10看现场;有1处不合要求扣1分;5.3安全管理制度和安全操作规程上墙,设立班组安全园地。2看现场;未设立扣2分;5.4正确穿戴劳护用品。3看现场;有1人未正确穿戴扣1分;5.5班组成员按规定配备“三卡”...

1、当您付费下载文档后,您只拥有了使用权限,并不意味着购买了版权,文档只能用于自身使用,不得用于其他商业用途(如 [转卖]进行直接盈利或[编辑后售卖]进行间接盈利)。
2、本站所有内容均由合作方或网友上传,本站不对文档的完整性、权威性及其观点立场正确性做任何保证或承诺!文档内容仅供研究参考,付费前请自行鉴别。
3、如文档内容存在违规,或者侵犯商业秘密、侵犯著作权等,请点击“违规举报”。

碎片内容

xx市工业企业“星级安全合格班组”评定表

精品中小学文档+ 关注
实名认证
内容提供者

精品资料,值得下载

确认删除?
VIP
微信客服
  • 扫码咨询
会员Q群
  • 会员专属群点击这里加入QQ群
客服邮箱
回到顶部