电脑桌面
添加小米粒文库到电脑桌面
安装后可以在桌面快捷访问

分户验收表A03VIP免费

分户验收表A03_第1页
1/99
分户验收表A03_第2页
2/99
分户验收表A03_第3页
3/99
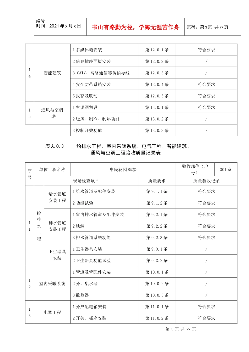
第1页共99页编号:时间:2021年x月x日书山有路勤为径,学海无涯苦作舟页码:第1页共99页表A.0.3给排水工程、室内采暖系统、电气工程、智能建筑、通风与空调工程验收质量记录表序号单位工程名称惠民花园8#楼验收部位(户号)101室现场检查项目质量要求质量验收记录11给排水工程给水管道安装工程1给水管道及配件安装第9.1.1条符合要求2功能试验第9.1.2条符合要求排水管道安装工程1室内排水管道及配件安装第9.2.1条符合要求2地漏第9.2.2条符合要求3排水管道系统功能第9.2.3条符合要求卫生器具安装1卫生器具安装第9.3.1条/2卫生器具功能试验第9.3.2条/12室内采暖系统1管道及管配件安装第10.0.1条/2分、集水器第10.0.2条/3散热器第10.0.3条/13电器工程1分户配电箱安装第11.0.1条符合要求2开关、插座安装第11.0.2条符合要求3导线连接第11.0.3条符合要求4等电位联结第11.0.4条符合要求5灯具安装第11.0.5条符合要求6插座接线连接第11.0.6条符合要求14智能建筑1多媒体箱安装第12.0.1条符合要求2信息插座面板安装第12.0.2条/3CATV、网络通信等传输导线第12.0.3条/4安全防范系统安装第12.0.4条符合要求第2页共99页第1页共99页编号:时间:2021年x月x日书山有路勤为径,学海无涯苦作舟页码:第2页共99页5报警及联动第12.0.5条符合要求15通风与空调工程1空调洞留设第13.0.1条符合要求2送风、制冷、制热功能第13.0.2条/3控制开关功能第13.0.3条/表A.0.3给排水工程、室内采暖系统、电气工程、智能建筑、通风与空调工程验收质量记录表序号单位工程名称惠民花园8#楼验收部位(户号)201室现场检查项目质量要求质量验收记录11给排水工程给水管道安装工程1给水管道及配件安装第9.1.1条符合要求2功能试验第9.1.2条符合要求排水管道安装工程1室内排水管道及配件安装第9.2.1条符合要求2地漏第9.2.2条符合要求3排水管道系统功能第9.2.3条符合要求卫生器具安装1卫生器具安装第9.3.1条/2卫生器具功能试验第9.3.2条/12室内采暖系统1管道及管配件安装第10.0.1条/2分、集水器第10.0.2条/3散热器第10.0.3条/13电器工程1分户配电箱安装第11.0.1条符合要求2开关、插座安装第11.0.2条符合要求3导线连接第11.0.3条符合要求4等电位联结第11.0.4条符合要求5灯具安装第11.0.5条符合要求6插座接线连接第11.0.6条符合要求第3页共99页第2页共99页编号:时间:2021年x月x日书山有路勤为径,学海无涯苦作舟页码:第3页共99页14智能建筑1多媒体箱安装第12.0.1条符合要求2信息插座面板安装第12.0.2条/3CATV、网络通信等传输导线第12.0.3条/4安全防范系统安装第12.0.4条符合要求5报警及联动第12.0.5条符合要求15通风与空调工程1空调洞留设第13.0.1条符合要求2送风、制冷、制热功能第13.0.2条/3控制开关功能第13.0.3条/表A.0.3给排水工程、室内采暖系统、电气工程、智能建筑、通风与空调工程验收质量记录表序号单位工程名称惠民花园8#楼验收部位(户号)301室现场检查项目质量要求质量验收记录11给排水工程给水管道安装工程1给水管道及配件安装第9.1.1条符合要求2功能试验第9.1.2条符合要求排水管道安装工程1室内排水管道及配件安装第9.2.1条符合要求2地漏第9.2.2条符合要求3排水管道系统功能第9.2.3条符合要求卫生器具安装1卫生器具安装第9.3.1条/2卫生器具功能试验第9.3.2条/12室内采暖系统1管道及管配件安装第10.0.1条/2分、集水器第10.0.2条/3散热器第10.0.3条/13电器工程1分户配电箱安装第11.0.1条符合要求2开关、插座安装第11.0.2条符合要求第4页共99页第3页共99页编号:时间:2021年x月x日书山有路勤为径,学海无涯苦作舟页码:第4页共99页3导线连接第11.0.3条符合要求4等电位联结第11.0.4条符合要求5灯具安装第11.0.5条符合要求6插座接线连接第11.0.6条符合要求14智能建筑1多媒体箱安装第12.0.1条符合要求2信息插座面板安装第12.0.2条/3CATV、网络通信等传输导线第12.0.3条/4安全防范系统安装第12.0.4条符合要求5报警及联动第12.0.5条符合要求15通风与空调工程1空调洞留设第13.0.1条符合要求2送风、制冷、制热功能第13.0.2条/3控制开关功能第13.0.3条/表A.0.3给排水工程、室内采暖系统、电气工程、智能建筑、通风与空调工...

1、当您付费下载文档后,您只拥有了使用权限,并不意味着购买了版权,文档只能用于自身使用,不得用于其他商业用途(如 [转卖]进行直接盈利或[编辑后售卖]进行间接盈利)。
2、本站所有内容均由合作方或网友上传,本站不对文档的完整性、权威性及其观点立场正确性做任何保证或承诺!文档内容仅供研究参考,付费前请自行鉴别。
3、如文档内容存在违规,或者侵犯商业秘密、侵犯著作权等,请点击“违规举报”。

碎片内容

分户验收表A03

您可能关注的文档

确认删除?
VIP
微信客服
  • 扫码咨询
会员Q群
  • 会员专属群点击这里加入QQ群
客服邮箱
回到顶部