电脑桌面
添加小米粒文库到电脑桌面
安装后可以在桌面快捷访问

安全管理检查表大全VIP专享VIP免费

安全管理检查表大全_第1页
1/48
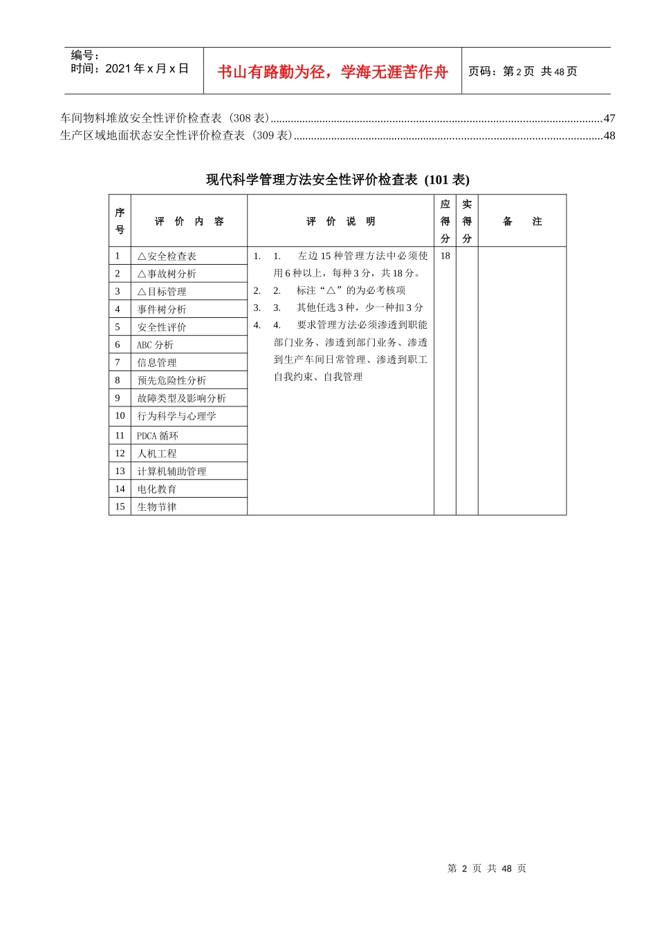
安全管理检查表大全_第2页
2/48
安全管理检查表大全_第3页
3/48
第1页共48页编号:时间:2021年x月x日书山有路勤为径,学海无涯苦作舟页码:第1页共48页评价检查表现代科学管理方法安全性评价检查表(101表).............................................................................................................2劳动安全卫生规章制度安全性评价检查表(102表).....................................................................................................3规划与计划安全性评价检查表(103表)........................................................................................................................4安全技术措施安全性评价检查表(104表).....................................................................................................................5劳动安全卫生教育检查表(105表)................................................................................................................................6特种作业人员培训、复训检查表(106表).....................................................................................................................7劳动安全卫生档案评价检查表(107表)........................................................................................................................8安全合格班组抽样检查表(108表)................................................................................................................................9工业气瓶安全性评价检查表(201表)........................................................................................................................10化学品库安全性评价检查表(202表)........................................................................................................................11油库(站)安全性评价检查表(203表)........................................................................................................................12液化气站安全性评价检查表(204表)........................................................................................................................14煤气站安全性评价检查表(205表)............................................................................................................................15制氧站安全性评价检查表(206表)............................................................................................................................16压力容器安全性评价检查表(207表)........................................................................................................................18乙炔发生站安全性评价检查表(208表)....................................................................................................................20锅炉与辅机安全性评价检查表(209表)....................................................................................................................21工业管道安全性评价检查表(210表)........................................................................................................................22木料场所安全性评价检查表(211表)........................................................................................................................23工厂建筑安全性评价检查表(212表).........................................................................................................................24涂装作业场所安全性评价检查表(213表).................................................................................................................25锻造机械安全性评价检查表(21...

1、当您付费下载文档后,您只拥有了使用权限,并不意味着购买了版权,文档只能用于自身使用,不得用于其他商业用途(如 [转卖]进行直接盈利或[编辑后售卖]进行间接盈利)。
2、本站所有内容均由合作方或网友上传,本站不对文档的完整性、权威性及其观点立场正确性做任何保证或承诺!文档内容仅供研究参考,付费前请自行鉴别。
3、如文档内容存在违规,或者侵犯商业秘密、侵犯著作权等,请点击“违规举报”。

碎片内容

安全管理检查表大全

确认删除?
VIP
微信客服
  • 扫码咨询
会员Q群
  • 会员专属群点击这里加入QQ群
客服邮箱
回到顶部