电脑桌面
添加小米粒文库到电脑桌面
安装后可以在桌面快捷访问

IT项目经理工作规范VIP免费

IT项目经理工作规范_第1页
1/8
IT项目经理工作规范_第2页
2/8
IT项目经理工作规范_第3页
3/8
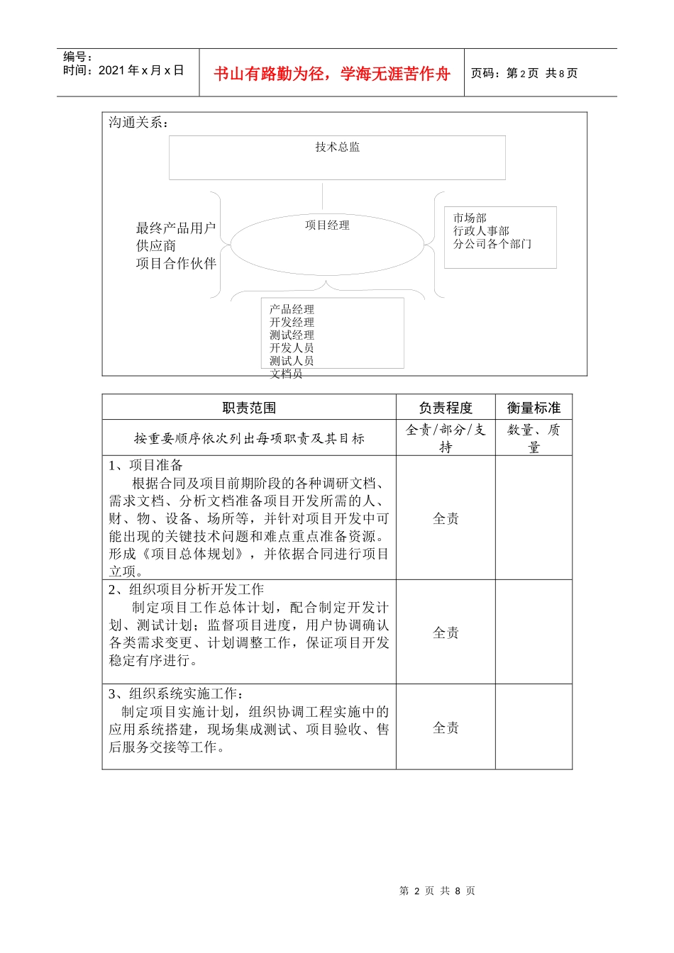
第1页共8页编号:时间:2021年x月x日书山有路勤为径,学海无涯苦作舟页码:第1页共8页项目经理工作规范根据公司目前项目特征、项目管理状况,结合未来项目管理的规范要求,对项目经理的工作职责和项目各个阶段的工作要求做如下说明:一、项目经理职位描述:二、项目经理在项目的各个阶段工作要求:三、项目经理日常工作规范下面分项进行说明:一、项目经理职位描述:根据目前公司的组织架构,对项目经理的职位进行描述。单位:万户网络总部职位名称:项目经理编制日期:2003.8.24部门:项目管理部任职人:****任职人签字:处室:直接主管:技术总监直接主管签字:任职条件学历:计算机、信息管理相关专业,本科经验:3年以上应用系统软件开发、实施经验。专业知识:熟悉软件工程、PROJECT软件使用、了解多种开发工具;业务了解范围:熟悉办公管理系统在企业事业单位的运用,以及各类网站建设业务特点。职位目的(目标、权限):负责计划制定、资源分配、客户沟通,保证项目团队于正确目标开展工作;贯彻执行项目管理各项制度规范,协助制定完善项目管理所需的相关规范;第2页共8页第1页共8页项目经理技术总监市场部行政人事部分公司各个部门产品经理开发经理测试经理开发人员测试人员文档员编号:时间:2021年x月x日书山有路勤为径,学海无涯苦作舟页码:第2页共8页沟通关系:最终产品用户供应商项目合作伙伴职责范围负责程度衡量标准按重要顺序依次列出每项职责及其目标全责/部分/支持数量、质量1、项目准备根据合同及项目前期阶段的各种调研文档、需求文档、分析文档准备项目开发所需的人、财、物、设备、场所等,并针对项目开发中可能出现的关键技术问题和难点重点准备资源。形成《项目总体规划》,并依据合同进行项目立项。全责2、组织项目分析开发工作制定项目工作总体计划,配合制定开发计划、测试计划;监督项目进度,用户协调确认各类需求变更、计划调整工作,保证项目开发稳定有序进行。全责3、组织系统实施工作:制定项目实施计划,组织协调工程实施中的应用系统搭建,现场集成测试、项目验收、售后服务交接等工作。全责第3页共8页第2页共8页编号:时间:2021年x月x日书山有路勤为径,学海无涯苦作舟页码:第3页共8页4、项目日常管理管理项目组成员,督促和监控开发工作和测试工作以及相应的文档和工作报告,负责审批程序软件的出入库、客户问题报告单及一些非程序文档。负责管理和审批项目组内成员日常的各种活动和申请。全责5、售前技术支持(今后移交顾问咨询部)负责项目前期用户交流、技术标书制作、方案讲解等工作。全责岗位编号:第4页共8页第3页共8页编号:时间:2021年x月x日书山有路勤为径,学海无涯苦作舟页码:第4页共8页二、项目经理在项目的各个阶段工作规范流程要求说明:1、售前工作:i.技术支持:依据《售前协作任务单》,准备技术支持相关工作,并且在与用户的每次接洽之后填写《用户接洽记录》,作为日工作汇报的附件,在每次技术支持工作完成后填写《售前协作报告单》,并且适时对技术支持工作进行总结,形成《项目前期分析报告》。ii.合同评审:对合同中相关项目条款进行审核确认。2、项目立项:i.计划制定:项目经理根据合同要求,与开发经理、测试经理,协商制定项目总体工作计划,以及相关资源要求。ii.项目总体规划:根据项目计划、合同、前期分析报告、技术方案等相关内容,编写项目总体规划;iii.立项申请:项目经理填写立项申请,《项目总体规划》作为附件。3、开发管理:i.开发计划:审核项目开发计划,确认计划内容,ii.进度控制:实时跟踪项目进展,控制项目进度,iii.用户协调:对用户提出的疑难需求变更,认真分析,尽量减少不必要的变更,避免重大需求变更的出现。iv.日常管理:核查日报、定期例会,周报上报,日常事务协调。v.文档整理:对开发阶段产生的各种技术文档、技术规范,进行整理归档。4、实施管理:i.计划制定:依据项目情况,在开发测试后期,制定工作计划。ii.工作准备;确认各项准备事宜,包括产品封装、用户沟通、确认工作计划细节。iii.现场安装调试:进度控制,用户协调,人员调配,软件修改。iv.现场集成、功能测试...

1、当您付费下载文档后,您只拥有了使用权限,并不意味着购买了版权,文档只能用于自身使用,不得用于其他商业用途(如 [转卖]进行直接盈利或[编辑后售卖]进行间接盈利)。
2、本站所有内容均由合作方或网友上传,本站不对文档的完整性、权威性及其观点立场正确性做任何保证或承诺!文档内容仅供研究参考,付费前请自行鉴别。
3、如文档内容存在违规,或者侵犯商业秘密、侵犯著作权等,请点击“违规举报”。

碎片内容

IT项目经理工作规范

您可能关注的文档

确认删除?
VIP
微信客服
  • 扫码咨询
会员Q群
  • 会员专属群点击这里加入QQ群
客服邮箱
回到顶部