电脑桌面
添加小米粒文库到电脑桌面
安装后可以在桌面快捷访问

2016届高三物理一轮复习第7章第4课时描绘小灯泡的伏安特性曲线导学案无答案VIP免费

2016届高三物理一轮复习第7章第4课时描绘小灯泡的伏安特性曲线导学案无答案_第1页
1/5
2016届高三物理一轮复习第7章第4课时描绘小灯泡的伏安特性曲线导学案无答案_第2页
2/5
2016届高三物理一轮复习第7章第4课时描绘小灯泡的伏安特性曲线导学案无答案_第3页
3/5
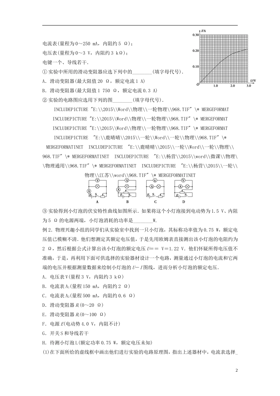
第4课时描绘小灯泡的伏安特性曲线【考纲解读】1.掌握滑动变阻器的使用方法及连接方式.2.掌握伏安特性曲线的描绘方法.3.理解小灯泡的伏安特性曲线为什么不是一条直线.【知识要点】1.实验原理(1)测多组小电珠的U、I的值,并绘出I-U图象;(2)由图线的斜率反映电流与电压和温度的关系.2.实验器材小电珠“3.8V,0.3A”、电压表“0~3V~15V”、电流表“0~0.6A~3A”、滑动变阻器、学生电源、开关、导线若干、坐标纸、铅笔.3.实验步骤(1)画出电路图(如实验原理图甲).(2)将小电珠、电流表、电压表、滑动变阻器、学生电源、开关用导线连接成如实验原理图乙所示的电路.(3)测量与记录移动滑动变阻器触头位置,测出12组左右不同的电压值U和电流值I,并将测量数据填入自己设计的表格中.(4)数据处理①在坐标纸上以U为横轴,I为纵轴,建立直角坐标系.②在坐标纸上描出各组数据所对应的点.③将描出的点用平滑的曲线连接起来,就得到小电珠的伏安特性曲线.4.实验器材选取(1)原则:①安全;②精确;③操作方便.(2)具体要求①电源允许的最大电流不小于电路中的实际最大电流.干电池中电流一般不允许超过0.6A.②用电器的额定电流不能小于通过该用电器的实际最大电流.③电压表或电流表的量程不能小于被测电压或电流的最大值.④电压表或电流表的指针应偏转到满刻度的以上.⑤从便于操作的角度来考虑,限流式接法要选用与待测电阻相近的滑动变阻器,分压式接法要选用较小阻值的滑动变阻器.【典型例题】例1.(2013·天津·9(3))要描绘一个标有“3V0.6W”小灯泡的伏安特性曲线,灯泡两端的电压需要由零逐渐增加到3V,并便于操作.乙选用的器材有:电池组(电动势为4.5V,内阻约1Ω);1电流表(量程为0~250mA,内阻约5Ω);电压表(量程为0~3V,内阻约3kΩ);电键一个、导线若干.①实验中所用的滑动变阻器应选下列中的________(填字母代号).A.滑动变阻器(最大阻值20Ω,额定电流1A)B.滑动变阻器(最大阻值1750Ω,额定电流0.3A)②实验的电路图应选用下列的图________(填字母代号).INCLUDEPICTURE"E:\\2015\\Word\\物理\\一轮物理\\968.TIF"\*MERGEFORMATINCLUDEPICTURE"E:\\2015\\Word\\物理\\一轮物理\\968.TIF"\*MERGEFORMATINCLUDEPICTURE"E:\\2015\\Word\\物理\\一轮物理\\968.TIF"\*MERGEFORMATINCLUDEPICTURE"E:\\鹿晴晴\\2015\\一轮\\Word\\一轮\\物理\\968.TIF"\*MERGEFORMATINETINCLUDEPICTURE"E:\\鹿晴晴\\2015\\一轮\\Word\\一轮\\物理\\968.TIF"\*MERGEFORMATINETINCLUDEPICTURE"E:\\杨营\\2015\\word\\微课\\物理\\物理通用\\968.TIF"\*MERGEFORMATINETINCLUDEPICTURE"E:\\杨营\\2015\\一轮\\物理\\江苏\\word\\968.TIF"\*MERGEFORMATINET③实验得到小灯泡的伏安特性曲线如图所示.如果将这个小灯泡接到电动势为1.5V、内阻为5Ω的电源两端,小灯泡消耗的功率是________W.例2.物理兴趣小组的同学们从实验室中找到一只小灯泡,其标称功率值为0.75W,额定电压值已模糊不清.他们想测定其额定电压值,于是先用欧姆表直接测出该小灯泡的电阻约为2Ω,然后根据公式计算出该小灯泡的额定电压U==V=1.22V.他们怀疑所得电压值不准确,于是,再利用下面可供选择的实验器材设计一个电路,测量通过小灯泡的电流和它两端的电压并根据测量数据来绘制小灯泡的U-I图线,进而分析小灯泡的额定电压.A.电压表V(量程3V,内阻约3kΩ)B.电流表A1(量程150mA,内阻约2Ω)C.电流表A2(量程500mA,内阻约0.6Ω)D.滑动变阻器R1(0~20Ω)E.滑动变阻器R2(0~100Ω)F.电源E(电动势4.0V,内阻不计)G.开关S和导线若干H.待测小灯泡L(额定功率0.75W,额定电压未知)(1)在下面所给的虚线框中画出他们进行实验的电路原理图,指出上述器材中,电流表选择_2_______(填“A1”或“A2”);滑动变阻器选择________(填“R1”或“R2”).(2)在实验过程中,该同学将小灯泡两端的电压由零缓慢地增加,当电压达到1.23V时,发现小灯泡亮度很暗,当达到2.70V时,发现小灯泡已过亮,便立即断开开关,并将所测数据记录在下边表格中.次数1234567U/V0.200.601.001.401.802.202.70I/mA80155195227255279310请你根据表...

1、当您付费下载文档后,您只拥有了使用权限,并不意味着购买了版权,文档只能用于自身使用,不得用于其他商业用途(如 [转卖]进行直接盈利或[编辑后售卖]进行间接盈利)。
2、本站所有内容均由合作方或网友上传,本站不对文档的完整性、权威性及其观点立场正确性做任何保证或承诺!文档内容仅供研究参考,付费前请自行鉴别。
3、如文档内容存在违规,或者侵犯商业秘密、侵犯著作权等,请点击“违规举报”。

碎片内容

2016届高三物理一轮复习第7章第4课时描绘小灯泡的伏安特性曲线导学案无答案

您可能关注的文档

教育教学文库+ 关注
实名认证
内容提供者

本店有大量的教育教学资料,课件

相关文档

确认删除?
VIP
微信客服
  • 扫码咨询
会员Q群
  • 会员专属群点击这里加入QQ群
客服邮箱
回到顶部