电脑桌面
添加小米粒文库到电脑桌面
安装后可以在桌面快捷访问

农田土地整理项目监理工作总结VIP免费

农田土地整理项目监理工作总结_第1页
1/14
农田土地整理项目监理工作总结_第2页
2/14
农田土地整理项目监理工作总结_第3页
3/14
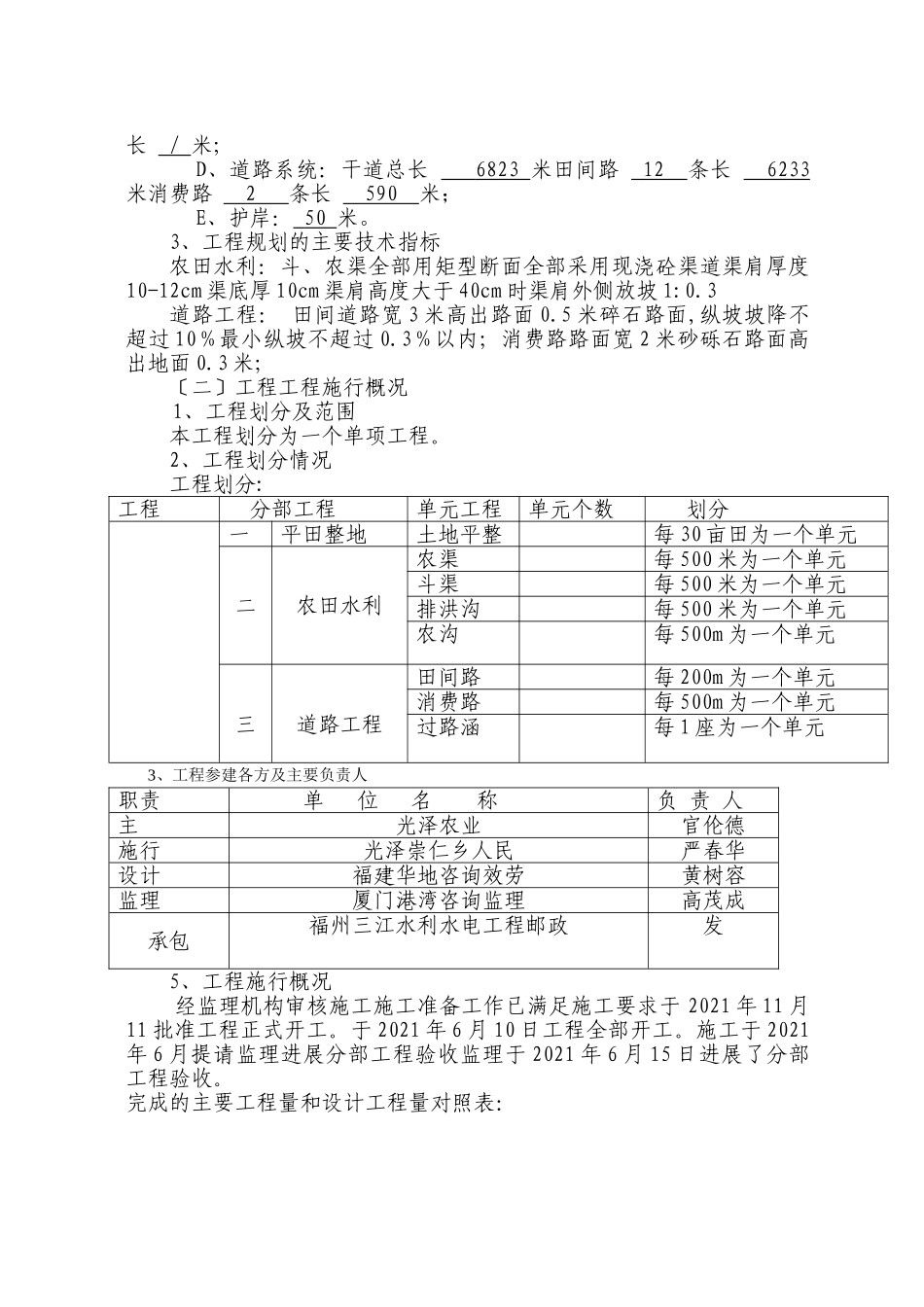
光泽崇仁乡2021年整理土地建立高农田工程监理工作总结监理:厦门港湾咨询监理2021年6月一、工程建立概况〔一〕建立概况1、工程区地理位置和范围地理位置:工程区位于光泽崇仁乡共青村1;地理位置在东径117°13′至117°25′北纬27°34′至27°41′之间。工程区地形:区内地势杂乱、东侧山洪水排水不畅。工程区呈长条状分布在北溪支流西岸东侧靠山;整体上地势平坦连片但区内地势上下不平加上土地权属纷争山涧洪水常常淹漫农田2、工程建立的主要内容和工程量A、土地平整:田块内平整67118m3表土剥离51049m3;B、排水系统:斗、农沟9条长3069米排洪沟2条长1071米C、灌溉系统:斗、农渠31条长12778米排灌渠/条长/米;D、道路系统:干道总长6823米田间路12条长6233米消费路2条长590米;E、护岸:50米。3、工程规划的主要技术指标农田水利:斗、农渠全部用矩型断面全部采用现浇砼渠道渠肩厚度10-12cm渠底厚10cm渠肩高度大于40cm时渠肩外侧放坡1:0.3道路工程:田间道路宽3米高出路面0.5米碎石路面,纵坡坡降不超过10%最小纵坡不超过0.3%以内;消费路路面宽2米砂砾石路面高出地面0.3米;〔二〕工程工程施行概况1、工程划分及范围本工程划分为一个单项工程。2、工程划分情况工程划分:工程分部工程单元工程单元个数划分一平田整地土地平整每30亩田为一个单元二农田水利农渠每500米为一个单元斗渠每500米为一个单元排洪沟每500米为一个单元农沟每500m为一个单元三道路工程田间路每200m为一个单元消费路每500m为一个单元过路涵每1座为一个单元3、工程参建各方及主要负责人职责单位名称负责人主光泽农业官伦德施行光泽崇仁乡人民严春华设计福建华地咨询效劳黄树容监理厦门港湾咨询监理高茂成承包福州三江水利水电工程邮政发5、工程施行概况经监理机构审核施工施工准备工作已满足施工要求于2021年11月11批准工程正式开工。于2021年6月10日工程全部开工。施工于2021年6月提请监理进展分部工程验收监理于2021年6月15日进展了分部工程验收。完成的主要工程量和设计工程量对照表:序工程名称方案实际工程量规格构造备注工程量规格构造备注一土地平整1格田面积亩12531253因6.19洪灾部冲毁2填方量m36711857865.53挖方量m36722857865.54表土剥离量m35104946868.5二农田水利㈠水源工程1拦水坝2座1高2m宽7m顶宽1m,埋石砼新建1同方案新建被水毁2拦水坝3座1已有坝宽40m,现浇砼整修加高0.5m1同方案整修被水毁㈡输配水工程1农渠m84366960.4新建4821.4m(水毁3016.5m),整修2139m农渠1m3500.3*0.3m现浇砼新建350同方案新建被水毁农渠2m1500.4*0.4mU形槽已有150同方案压顶翻修农渠3m3220.4*0.4m现浇砼整修重建m同方案新建m,被水毁农渠4m2110.4*0.4mU形槽已有211同方案压顶翻修农渠5m2150.4*0.4mU形槽已有215同方案压顶翻修农渠6m2790.4*0.4mU形槽已有279同方案压顶翻修农渠7m7070.4*0.4mU形槽已有707同方案压顶翻修农渠8m1690.4*0.4mU形槽已有169同方案压顶翻修农渠9m1340.4*0.4mU形槽已有134同方案压顶翻修农渠10m1360.4*0.4mU形槽已有136同方案压顶翻修农渠11m1380.4*0.4mU形槽已有138同方案压顶翻修农渠12m6060.4*0.4m现浇砼新建404.6同方案新建农渠13m1650.4*0.4mU形槽已有已有2080.4*0.4m现浇砼新建180同方案新建被水毁200.6*0.6m现浇砼新建被水毁农渠14m2550.4*0.4m现浇砼新建206同方案新建被水毁农渠15m3560.4*0.4m现浇砼新建356同方案新建农渠16m2760.4*0.4m现浇砼新建276同方案新建农渠17m1580.3*0.3m现浇砼新建158同方案新建被水毁农渠18m3060.3*0.3m现浇砼新建306同方案新建被水毁农渠19m2950.3*0.3m现浇砼新建295同方案新建农渠20m10300.4*0.4m现浇砼新建1230.6*0.6m现浇砼新建202.50.8*0.8m埋石砼新建农渠21m1680.3*0.3m现浇砼新建0未建农渠22m2690.4*0.4m现浇砼新建0未建农渠23m3850.3*0.3m现浇砼新建87同方案新建被水毁农渠24m3620.3*0.3m现浇砼新建309同方案新建被水毁农渠25m6570.4*0.4m现浇砼新建3220.6*0.6m现浇砼新建被水毁1930.4*0.6m现浇砼新建被水毁农渠26m2940.4*0.4m现浇砼新建294同方案新建被水毁新增农渠1m01700.4*0.6m现浇砼新增建被水毁新增农渠2m0357.50.6*0.6m现浇砼新增建被水毁...

1、当您付费下载文档后,您只拥有了使用权限,并不意味着购买了版权,文档只能用于自身使用,不得用于其他商业用途(如 [转卖]进行直接盈利或[编辑后售卖]进行间接盈利)。
2、本站所有内容均由合作方或网友上传,本站不对文档的完整性、权威性及其观点立场正确性做任何保证或承诺!文档内容仅供研究参考,付费前请自行鉴别。
3、如文档内容存在违规,或者侵犯商业秘密、侵犯著作权等,请点击“违规举报”。

碎片内容

农田土地整理项目监理工作总结

您可能关注的文档

确认删除?
VIP
微信客服
  • 扫码咨询
会员Q群
  • 会员专属群点击这里加入QQ群
客服邮箱
回到顶部