电脑桌面
添加小米粒文库到电脑桌面
安装后可以在桌面快捷访问

地下防水工程施工质量监理实施细则VIP免费

地下防水工程施工质量监理实施细则_第1页
1/12
地下防水工程施工质量监理实施细则_第2页
2/12
地下防水工程施工质量监理实施细则_第3页
3/12
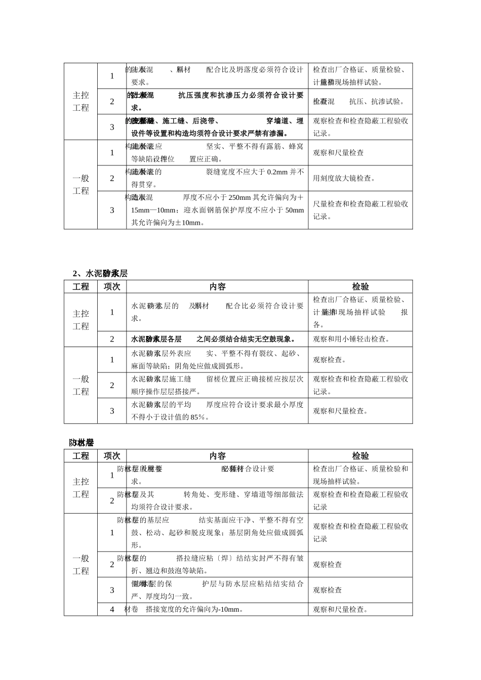
八、地下防水工程施工质量监理施行细那么(一)根本规定1、地下工程的防水等级分为4级各级应符合下表的规定。地下工程防水等级防水等级标准1级不允许渗水构造外表无湿渍2级不允许漏水构造外表可有少量湿渍工业与民用建筑:湿渍总面积不大于总防水面积的1‰单个湿渍面积不大于0.1m2任意100m2防水面积不超过1处其他地下工程:湿渍总面积不大于总防水面积的61‰单个湿渍面积不大于0.2m2任意100m2防水面积下超过4处3级有少量漏水点不得有线流和漏泥砂单个湿渍面积不大于0.3m2单个漏水点的漏水量不大于2.5L/d任意100防水面积不超过7处4级有漏水点不得有线流和漏泥砂整个工程平均漏水量不大于2L/m2•d任意100m2防水面积的平均漏水量不大于4L/m2•d2、地下工程的防水设防要求应按下表选用。明挖法地下工程防水设防〔GB50208-2002表工程部位主体施工缝后浇带变形缝、导缝防水措施防水混凝土防水砂浆防水卷材防水涂料塑料防水板金属板遇水膨胀止水条中埋式止水条外贴式止水带外抹防水砂浆外涂防水涂料膨胀混凝土遇水膨胀止水条外贴式止水带防水嵌缝材料中埋式止水带外贴式止水带可卸式止水带防水嵌缝材料外贴防水卷材外涂防水涂料遇水膨胀止水条防水等级1级应选应选一至二种应选二种应选应选二种应选应选二种2级应选应选一种应选一至二种应选应选一至二种应选应选一至二种3级应选宜选一种宜选一至二种应选宜选一至二种应选宜选一至二种4级应选—宜选一种应选宜选一种应选宜选一种暗挖法地下工程防水设防〔GB50208-2002表工程部位主体内衬砌施工缝内衬砌变形缝、导缝防水措施复合式衬砌离壁式衬砌、衬砌贴壁式衬砌喷射混凝土外贴式止水带遇水膨胀止水条防水嵌缝材料中埋式止水带外涂防水涂料中埋式止水带外贴式止水带可卸式止水带防水嵌缝材料遇水膨胀止水条防水等级1级应选一种—应选二种应选应选二种2级应选一种—应选一至二种应选应选一至二种3级—应选一种宜选一至二种应选宜选一种4级—应选一种宜选一种应选宜选一种3、地下防水工程施工前施工应进展图纸会审掌握工程主体及细部构造的防水技术要求并编制防水工程的施工方案。4、地下防水工程必须由相应资质的专业防水队伍进展施工;主要施工人员应持有建立行政主部门或其指定颁发的执业书。5、地下防水工程所使用的防水材料应有的合格证书各性能检测材料的品种、规格、性能等应符合现行和设计要求。对进场的防水材料应按GB50208-2002附录A和附录B的规定抽样复验并提出试验;不合格的材料不得在工程中使用。6、地下防水工程施工间明挖法的基坑以及暗挖法的竖井、洞口、必须保持地下水位稳定在基底0.5m以下必要时应采取降水措施。7、地下防水工程的防水层严禁在雨天、雪天和五级风及其以上时施工其施工环境气温条件宜符合下表的规定。防水层施工环境气温条件防水层材料施工环境气温高聚物改性沥青防水卷材冷粘法不低于5℃热熔法不低于-10℃合成高分子防水卷材冷粘法不低于5℃热风焊接法不低于-10℃有机防水涂料溶剂型-5~35℃水溶性5~35℃无机防水涂料5~35℃防水混凝土、水泥砂浆5~35℃8、地下防水工程是一个子分部工程其分项工程的划分应符合下表要求。地下防水工程的分项工程子分部工程分项工程地下防水工程地下建筑防水工程:防水混凝土水泥砂浆防水层卷材防水层涂料防水层塑料板防水层金属板防水层细部构造特殊施工法防水工程:锚喷支护地下连续墙复合式衬砌盾构法隧道排水工程:渗排水、盲沟排水隧道、坑道排水注浆工程:预注浆、后注浆衬砌裂缝注浆〔二〕地下建筑防水工程1、防水混凝土工程项次内容检验主控工程1防水混凝土的原材料、配合比及坍落度必须符合设计要求。检查出厂合格证、质量检验、计量措施和现场抽样试验。2防水混凝土的抗压强度和抗渗压力必须符合设计要求。检查混凝土抗压、抗渗试验。3防水混凝土的变形缝、施工缝、后浇带、穿墙道、埋设件等设置和构造均须符合设计要求严禁有渗漏。观察检查和检查隐蔽工程验收记录。一般工程1防水混凝土构造外表应坚实、平整不得有露筋、蜂窝等缺陷;埋设件位置应正确。观察和尺量检查2防水混凝土构造外表的裂缝宽度不应大于0.2mm并不得贯穿。用刻度放大镜检查。3防水混...

1、当您付费下载文档后,您只拥有了使用权限,并不意味着购买了版权,文档只能用于自身使用,不得用于其他商业用途(如 [转卖]进行直接盈利或[编辑后售卖]进行间接盈利)。
2、本站所有内容均由合作方或网友上传,本站不对文档的完整性、权威性及其观点立场正确性做任何保证或承诺!文档内容仅供研究参考,付费前请自行鉴别。
3、如文档内容存在违规,或者侵犯商业秘密、侵犯著作权等,请点击“违规举报”。

碎片内容

地下防水工程施工质量监理实施细则

您可能关注的文档

教育教学文库+ 关注
实名认证
内容提供者

本店有大量的教育教学资料,课件

确认删除?
VIP
微信客服
  • 扫码咨询
会员Q群
  • 会员专属群点击这里加入QQ群
客服邮箱
回到顶部