电脑桌面
添加小米粒文库到电脑桌面
安装后可以在桌面快捷访问

爬架施工工法VIP专享VIP免费

爬架施工工法_第1页
1/17
爬架施工工法_第2页
2/17
爬架施工工法_第3页
3/17
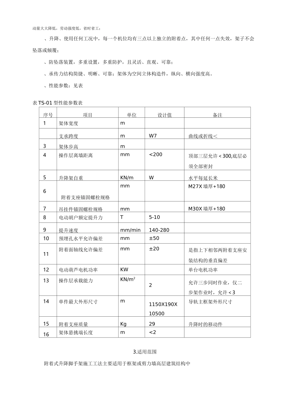
附着式升降脚手架施工工法江西省建工集团有限责任公司章建新1.前言TS-01型附着式升降脚手架是随着高层建筑施工技术创新而发展起来的新一代的施工工具式脚手架,它具有安全可靠、技术先进、方便快捷等特点,是现代高层建筑施工安全防护的理想设备。通过采用微电脑控制技术,能实现整组升降架的提升和下降;通过设在每个机位处的荷载实时监测系统,可随时直观地了解升降过程中各机位的荷载数值,通过系统自带的荷载保护功能,能有效避免提升过程中因电动葫芦过载而造成设备损坏及人员伤亡的事故。我公司在高层建筑施工中,与相关专业单位合作,采用了TS-01型附着式升降脚手架施工技术,通过对该类型脚手架的应用,总结并编制完善了TS-01型附着式升降脚手架施工工法,该工法具有显著优势。2.工法特点、技术先进,功能齐全,具有实时荷载显示,过、失载保护,遥控升降,声光报警及故障机位指示功能;、操作简便、直观,误操作可能性小,容易管理;无需移动提升设备,升降时设备移动量大大降低,劳动强度低,省时省工;、升降、使用任何工况中,每一个机位均有三点以上独立的附着点,其中任何一点失效,架子不会坠落或倾覆;、防坠落装置,多重设置,多重防护,且灵活、直观、可靠;、承传力结构简捷、明晰、可靠;架体为空间立体构造件,纵向、横向强度高。、性能参数:见表表TS-01型性能参数表序号项目单位设计值备注1架体宽度m支承跨度mW7曲线或折线<3架体步高m4操作层离墙距离mm<200顶部三层允许<300,底层必须全部密封5升降架自重KN/mW水平每延长米6附着支座锚固螺栓规格mmM27X墙厚+1807吊挂件锚固螺栓规格mmM30X墙厚+1808电动胡户额定提升力T5-109提升速度mm/min140-28010预埋孔水平允许偏差mm±5011附着面轴线允许偏差mm±20是指上下相邻两附着支座安装结构的垂直偏差12电动葫芦电机功率KW单台电机功率13操作层承载能力KN/m22允许三步同时作业,仅二步架作业时,允许<314单件最大外形尺寸m1150X190X10500导轨主框架外形尺寸15附着支座质量Kg29升降时的移动件16架体悬挑端长度m<23.适用范围附着式升降脚手架施工工法主要适用于框架或剪力墙高层建筑结构中4.构造及爬升原理、TS-01型系列附着式升降脚手架构造:主要由架体构架、附着支承系统、升降系统、防坠系统、电气控制系统、架体防护等六部分组成:1)、架体构架:由导轨主框架、水平支承桁架(俗称A、B片)、双排架架体组成。2)、附着支承系统:包括附着支座、锚固螺栓及特殊附着转换件等组成。3)、升降系统:由吊挂件、电动葫芦、双管吊点组件组成。4)、防坠系统:每个附着支座内均设有独立的防坠装置,每榀主框架有三个独立附墙点,即每榀主框架有三套防坠装置。5)、电气控制系统:由总控箱、分控箱及控制线路组成,线路及箱体周圈敷设在第三步架体内。6)、架体防护:随架体同步搭设完成的安全防护措施,包括有底部密封板、翻板、安全网、水平兜网、护身栏杆等构成。爬升原理爬架主框架是由横梁、斜杆、导轨、立杆组成的空间桁架体系,当架体在使用工况下时,通过连接于主框架上面的导轨,利用卸荷座卸荷到附墙导向座上面,附墙导向座采用M27的锚固螺栓安装在建筑结构上;当架体在提升工况下时,提升葫芦上端挂于吊挂件上,吊挂件采用M27的锚固螺栓固定安装在建筑结构上;提升葫芦下端挂于主框架立杆下端附近的双管吊点组件上,升降时通过提升葫芦及吊挂件将架体荷载传递到建筑结构上。这样,通过电动葫芦链条的收缩,可以实现架体相对于建筑结构的上下运动,从而实现爬架的提升运动。、导轨主框架是升降架架体结构的主要组成部分,它承受升降架的全部荷载,然后将其传递给附着支座,并通过锚固螺栓传递给工程结构,导轨主框架由圆管焊接而成,根据楼层层高不同,分为标准节和上部加长节,通常在层高超过米时增加上部加长节,导轨主框架见图:图导轨主框架示意图、水平支承桁架(A、B片)是爬架架体构架的主要组成部分,位于导轨主框架的底部,由内外排A、B片组成,其宽度与导轨主框架的宽度相等,并且平行于墙面,主要承受架体构架传递下来的架体竖向荷载,并将竖向荷载传递至导轨主框架,由圆管焊接而成,通过A片一...

1、当您付费下载文档后,您只拥有了使用权限,并不意味着购买了版权,文档只能用于自身使用,不得用于其他商业用途(如 [转卖]进行直接盈利或[编辑后售卖]进行间接盈利)。
2、本站所有内容均由合作方或网友上传,本站不对文档的完整性、权威性及其观点立场正确性做任何保证或承诺!文档内容仅供研究参考,付费前请自行鉴别。
3、如文档内容存在违规,或者侵犯商业秘密、侵犯著作权等,请点击“违规举报”。

碎片内容

爬架施工工法

确认删除?
VIP
微信客服
  • 扫码咨询
会员Q群
  • 会员专属群点击这里加入QQ群
客服邮箱
回到顶部