电脑桌面
添加小米粒文库到电脑桌面
安装后可以在桌面快捷访问

最全施工工艺流程图VIP免费

最全施工工艺流程图_第1页
1/29
最全施工工艺流程图_第2页
2/29
最全施工工艺流程图_第3页
3/29
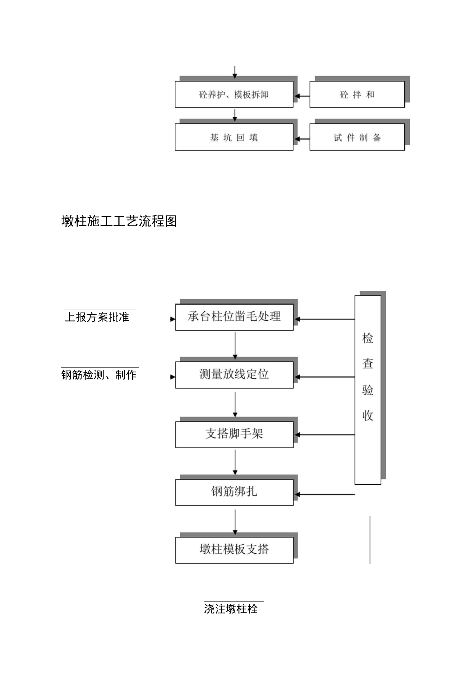
钻孔灌注桩施工工艺流程图施工准备一1_钻机就位「石0备泥浆=1验孔设立导管浇注系梁(承台)磴钢筋抽检、加工二.系梁(承台)施工工艺流程图测放系梁(承台)平面位置基坑周边设排水沟基坑排水墩柱施工工艺流程图上报方案批准钢筋检测、制作浇注墩柱栓四、墩身、桥台施工工艺流程图场地平整五、盖梁(台帽)施工工艺流程图施工准备测量放样六、先张法空心板梁预应力施工工艺流程图制作台座底模张拉安装钢筋I|—钢筋制作I放张七、后张法工^下道工序艺流程图安装预应力管道及铺垫板施工准备养护安装预应力钢筋测碗强度压浆、封锚八、空心板梁吊装施工工艺流程图施工准备九、箱梁安装施工工艺流程图平整场地养生测量放样支座安装1支座验收11箱梁装车运输1架桥机吊装就位1||一平整场地]箱梁就位验收波纹管设置穿束浇注接头栓下道工序十、架桥机架梁施工工艺流程图架桥机拼装卜施工准备纵移轨道铺设卜一、现浇连续箱梁施工工艺流程图上报方案批准施工准备I工程师验收挂篮移动就位1安装头、端模十三、测量放线十四、路基素土填筑施工工艺流程图测量放样拉毛监理签认清表工作测量、试验填前碾压压实度检测监理签认I>整平碾压压实度检测合格路基填筑十五.路基灰土填筑施工工艺流程图原地翻松洒布石灰合格路基填筑十六、排水处理十七.二灰土拌和工艺流程图混合料拌和运输混合料摊铺虚铺、标高检查质量检查粉煤灰十八.水稳碎石基层施工工艺流程图符合设计要求稳定土拌和站底基层验收混合料拌和运输混合料摊铺混合料摊铺虚铺、标高检查虚铺、标高检查轻振碾压十九、路面面层施工工艺流程图轻振碾压重振碾压11◄平整度、标高检查]静压111<压实度检测]压实度合格1二十、水泥栓面板施工工艺流程图施工准备基准线准备■■栓摊铺接缝、传力杆设置制作试件路面修理抗滑构造施工养生二十一、泥灰结碎石路面施工工艺流程图路基清理摊铺均匀111虚铺、标高检查<洒布石灰1翻拌均匀整平1检测灰剂量二十二、盖板涵施工工艺流程图混凝上拌制混凝洒布碎石质量检查二十三.钢筋栓圆板涵施工工艺流程图测量定位基坑开挖二十四、箱涵和箱通施工工艺流程图施工准备1碎石、砂鉴定碗、砂浆配合比设计和实验钢筋实验和制绑扎基础放样基槽检验砂浆拌和WelcomeToDownload!!!欢迎您的下载,资料仅供参考!

1、当您付费下载文档后,您只拥有了使用权限,并不意味着购买了版权,文档只能用于自身使用,不得用于其他商业用途(如 [转卖]进行直接盈利或[编辑后售卖]进行间接盈利)。
2、本站所有内容均由合作方或网友上传,本站不对文档的完整性、权威性及其观点立场正确性做任何保证或承诺!文档内容仅供研究参考,付费前请自行鉴别。
3、如文档内容存在违规,或者侵犯商业秘密、侵犯著作权等,请点击“违规举报”。

碎片内容

最全施工工艺流程图

您可能关注的文档

确认删除?
VIP
微信客服
  • 扫码咨询
会员Q群
  • 会员专属群点击这里加入QQ群
客服邮箱
回到顶部