电脑桌面
添加小米粒文库到电脑桌面
安装后可以在桌面快捷访问

基础轴线标高检查记录VIP免费

基础轴线标高检查记录_第1页
1/5
基础轴线标高检查记录_第2页
2/5
基础轴线标高检查记录_第3页
3/5
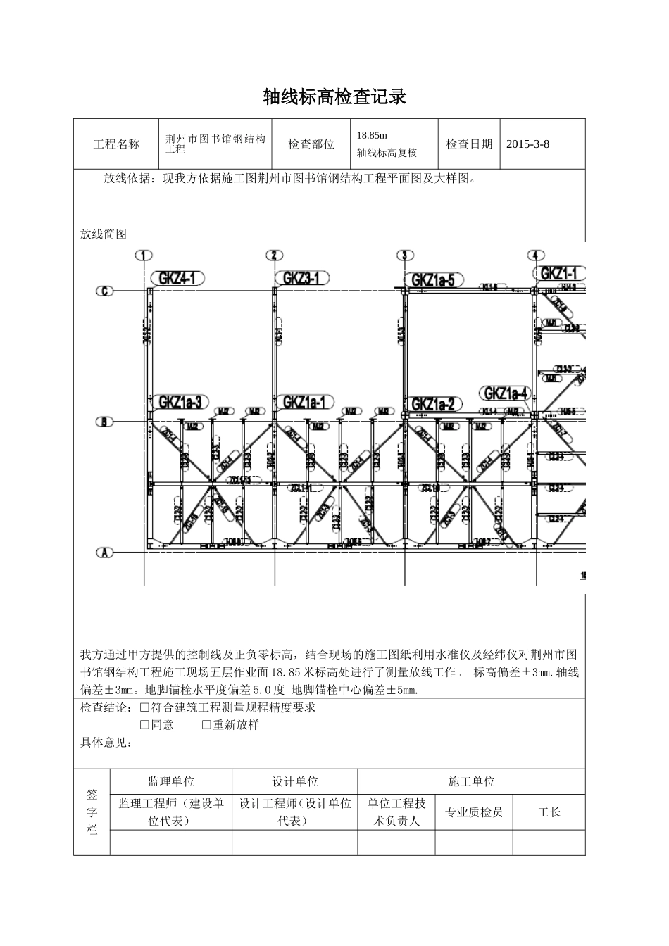
轴线标高检查记录工程名称荆州市图书馆钢结构工程检查部位±9.85m轴线标高复核检查日期2015-1-3放线依据:现我方依据施工图荆州市图书馆钢结构工程平面图及大样图。放线简图检查结论:□符合建筑工程测量规程精度要求□同意□重新放样具体意见:签字栏监理单位设计单位施工单位监理工程师(建设单位代表)设计工程师(设计单位代表)单位工程技术负责人专业质检员工长轴线标高检查记录工程名称荆州市图书馆钢结构工程检查部位±14.35m轴线标高复核检查日期2015-1-16放线依据:现我方依据施工图荆州市图书馆钢结构工程平面图及大样图。放线简图检查结论:□符合建筑工程测量规程精度要求□同意□重新放样具体意见:签字栏监理单位设计单位施工单位监理工程师(建设单位代表)设计工程师(设计单位代表)单位工程技术负责人专业质检员工长轴线标高检查记录工程名称荆州市图书馆钢结构工程检查部位18.85m轴线标高复核检查日期2015-3-8放线依据:现我方依据施工图荆州市图书馆钢结构工程平面图及大样图。放线简图我方通过甲方提供的控制线及正负零标高,结合现场的施工图纸利用水准仪及经纬仪对荆州市图书馆钢结构工程施工现场五层作业面18.85米标高处进行了测量放线工作。标高偏差±3mm.轴线偏差±3mm。地脚锚栓水平度偏差5.0度地脚锚栓中心偏差±5mm.检查结论:□符合建筑工程测量规程精度要求□同意□重新放样具体意见:签字栏监理单位设计单位施工单位监理工程师(建设单位代表)设计工程师(设计单位代表)单位工程技术负责人专业质检员工长轴线标高检查记录工程名称荆州市图书馆钢结构工程检查部位23.45m轴线标高复核检查日期2015-3-30放线依据:现我方依据施工图荆州市图书馆钢结构工程平面图及大样图。放线简图我方通过甲方提供的控制线及正负零标高,结合现场的施工图纸利用水准仪及经纬仪对荆州市图检查结论:□符合建筑工程测量规程精度要求□同意□重新放样具体意见:签字栏监理单位设计单位施工单位监理工程师(建设单位代表)设计工程师(设计单位代表)单位工程技术负责人专业质检员工长

1、当您付费下载文档后,您只拥有了使用权限,并不意味着购买了版权,文档只能用于自身使用,不得用于其他商业用途(如 [转卖]进行直接盈利或[编辑后售卖]进行间接盈利)。
2、本站所有内容均由合作方或网友上传,本站不对文档的完整性、权威性及其观点立场正确性做任何保证或承诺!文档内容仅供研究参考,付费前请自行鉴别。
3、如文档内容存在违规,或者侵犯商业秘密、侵犯著作权等,请点击“违规举报”。

碎片内容

基础轴线标高检查记录

您可能关注的文档

确认删除?
VIP
微信客服
  • 扫码咨询
会员Q群
  • 会员专属群点击这里加入QQ群
客服邮箱
回到顶部