电脑桌面
添加小米粒文库到电脑桌面
安装后可以在桌面快捷访问

坡屋面施工和模板支撑系统施工方案VIP免费

坡屋面施工和模板支撑系统施工方案_第1页
1/34
坡屋面施工和模板支撑系统施工方案_第2页
2/34
坡屋面施工和模板支撑系统施工方案_第3页
3/34
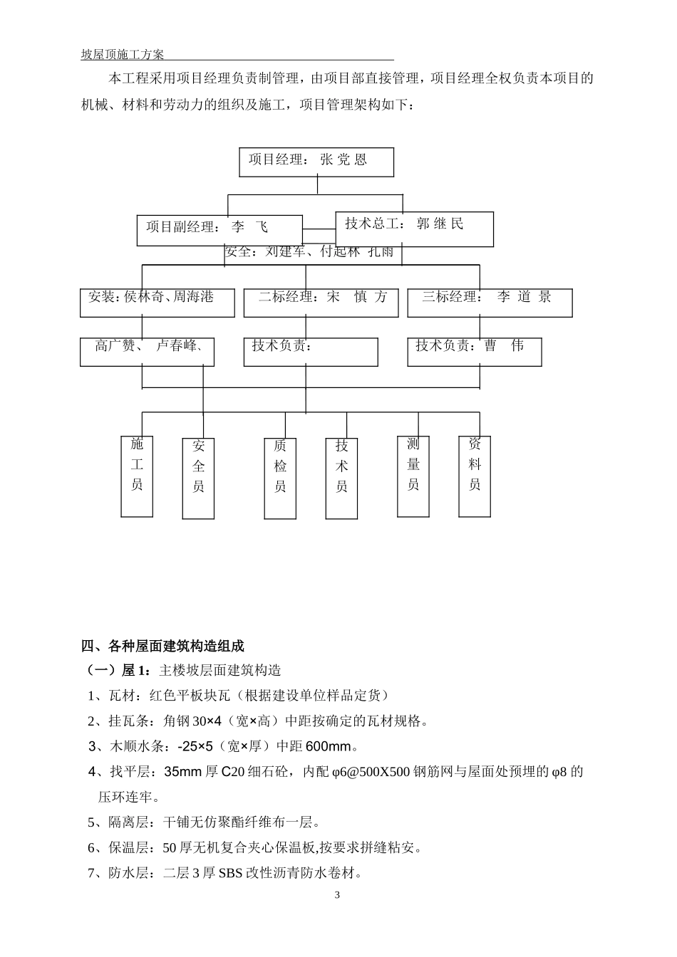
坡屋顶施工方案目录1、编制依据22、工程概况23、质量保证体系34、各种屋面建筑构造组成45、坡屋面工程主要控制要点56、施工准备57、模板施工方法及措施68、钢筋绑扎139、混凝土施工1310、屋面工程1511、模板现场加工2312、安全注意事项2413、环保及文明施工措施2614、支撑系统架管、模板验算27坡屋面施工和模板支撑系统施工方案一、编制依据1、《屋面工程质量验收规范》(GB50207-2002)1、《建筑施工模板安全技术规范》(JGJ162-2008)2、《钢管脚手架、模板支架安全选用技术规程》(DB11/T583-2008)1坡屋顶施工方案3、《建筑施工安全检查标准》(JGJ59-99)4、《建筑施工扣件式钢管脚手架安全技术规范》(JGJ130-2011)5、《建筑施工高处作业安全技术规范》(JGJ80-91)6、《建筑工程施工质量验收统一标准》(GB50300-2001)7、《弹性体改性沥青防水卷材》(GB18242-2000)8、《建筑分项施工工艺标准企业标准》(GXEJ/QB)9、《工程建设标准强制性条文》2002年版10、《建筑施工手册》(第四版)11、施工组织总设计12、本项目工程施工图纸、图纸会审、变更等有关文件。二、工程概况河南省公共卫生医疗中心住宅项目B区,位于郑州市航空港区的航城环路西,龙中路南,航城西路东,郑港路北。建设单位为河南省名门地产有限公司;设计单位:为河南省建筑设计研究院有限公司;监理单位为河南华泽工程管理有限公司;施工单位:湖南省第三工程有限公司。本项目工程共分为三个标段,其中一标段1#~3#楼为高层建筑,地下一层地上三十三层;二标段为小高层建筑,地下两层地上九层,其中18#楼为地下一层地上十一层;第三标段为小高层建筑,地下两层地上九层。主楼之间为地下车库。车库南北方向共长280.52m,东西方向共宽284.50m。高层总高度为99.30m,多层总高度为34.414m。总建筑面积为:240684.92m2。该工程结构形式为剪力墙结构,基础形式为筏板基础。建筑抗震烈度为七度,结构抗震等级为三级。本工程屋面防水等级为二级,地下室防水等级主体部分为二级。其中多栋小高层为坡屋面结构,长约为50.40m,跨宽为17.10m,夹层平面上檐口高度:根据各楼的结构不同0.20~0.8~1.20~1.30m等高度。坡度设计为45度,主坡共宽约为18.38m,屋脊中心高度为6.25m。另设计有中坡的中心高度为6.10m,小屋脊中心高度为3.20m。虎窗脊高为2.90。三、质量保证体系本项目工程坡屋面现浇板:除注明者外,均为120mm厚,为了保证模板、钢筋、防水、保温保护层、瓦屋面等各项施工技术措施的落实,成立以项目经理为首的,以屋面各分项工程施工领导小组。保证各种施工设备和物资及时到位,严格按照既定的施工措施,合理安排施工、机械设备和劳动力计划,监督落实计划中每个细节的实际完成情况,确保工程工期目标和质量目标的实现。2坡屋顶施工方案本工程采用项目经理负责制管理,由项目部直接管理,项目经理全权负责本项目的机械、材料和劳动力的组织及施工,项目管理架构如下:安全:刘建军、付起林孔雨四、各种屋面建筑构造组成(一)屋1:主楼坡层面建筑构造1、瓦材:红色平板块瓦(根据建设单位样品定货)2、挂瓦条:角钢30×4(宽×高)中距按确定的瓦材规格。3、木顺水条:-25×5(宽×厚)中距600mm。4、找平层:35mm厚C20细石砼,内配φ6@500X500钢筋网与屋面处预埋的φ8的压环连牢。5、隔离层:干铺无仿聚酯纤维布一层。6、保温层:50厚无机复合夹心保温板,按要求拼缝粘安。7、防水层:二层3厚SBS改性沥青防水卷材。3安装:侯林奇、周海港二标经理:宋慎方三标经理:李道景高广赞、卢春峰、技术负责:技术负责:曹伟项目经理:张党恩项目副经理:李飞技术总工:郭继民施工员安全员质检员技术员测量员资料员坡屋顶施工方案8、基层处理剂一遍。9、找平层:15厚1:3水泥砂浆中参聚丙烯纤维0.75~0.90㎏/m3找平层,阴角与阳角位置分别作R≥50及R≥10的圆弧处理。10、结合层:素水泥浆结合层一遍。11、结构层:钢筋混凝土屋面结构板,表面清扫干净,基层处理洒水湿润。(二)、屋2:北部楼梯间上屋面平台构造(倒置式上人平屋面)1、保护层:25厚1:4干硬性水泥砂浆面撒素浆,上铺10厚地砖做平拍实。2、垫层:40厚C20细石砼,...

1、当您付费下载文档后,您只拥有了使用权限,并不意味着购买了版权,文档只能用于自身使用,不得用于其他商业用途(如 [转卖]进行直接盈利或[编辑后售卖]进行间接盈利)。
2、本站所有内容均由合作方或网友上传,本站不对文档的完整性、权威性及其观点立场正确性做任何保证或承诺!文档内容仅供研究参考,付费前请自行鉴别。
3、如文档内容存在违规,或者侵犯商业秘密、侵犯著作权等,请点击“违规举报”。

碎片内容

坡屋面施工和模板支撑系统施工方案

您可能关注的文档

文章天下+ 关注
实名认证
内容提供者

各种文档应有尽有

确认删除?
VIP
微信客服
  • 扫码咨询
会员Q群
  • 会员专属群点击这里加入QQ群
客服邮箱
回到顶部