电脑桌面
添加小米粒文库到电脑桌面
安装后可以在桌面快捷访问

基于PLCQCS003B液压教学实验台控制系统的改造(实验报告仿宋)1VIP免费

基于PLCQCS003B液压教学实验台控制系统的改造(实验报告仿宋)1_第1页
1/23
基于PLCQCS003B液压教学实验台控制系统的改造(实验报告仿宋)1_第2页
2/23
基于PLCQCS003B液压教学实验台控制系统的改造(实验报告仿宋)1_第3页
3/23
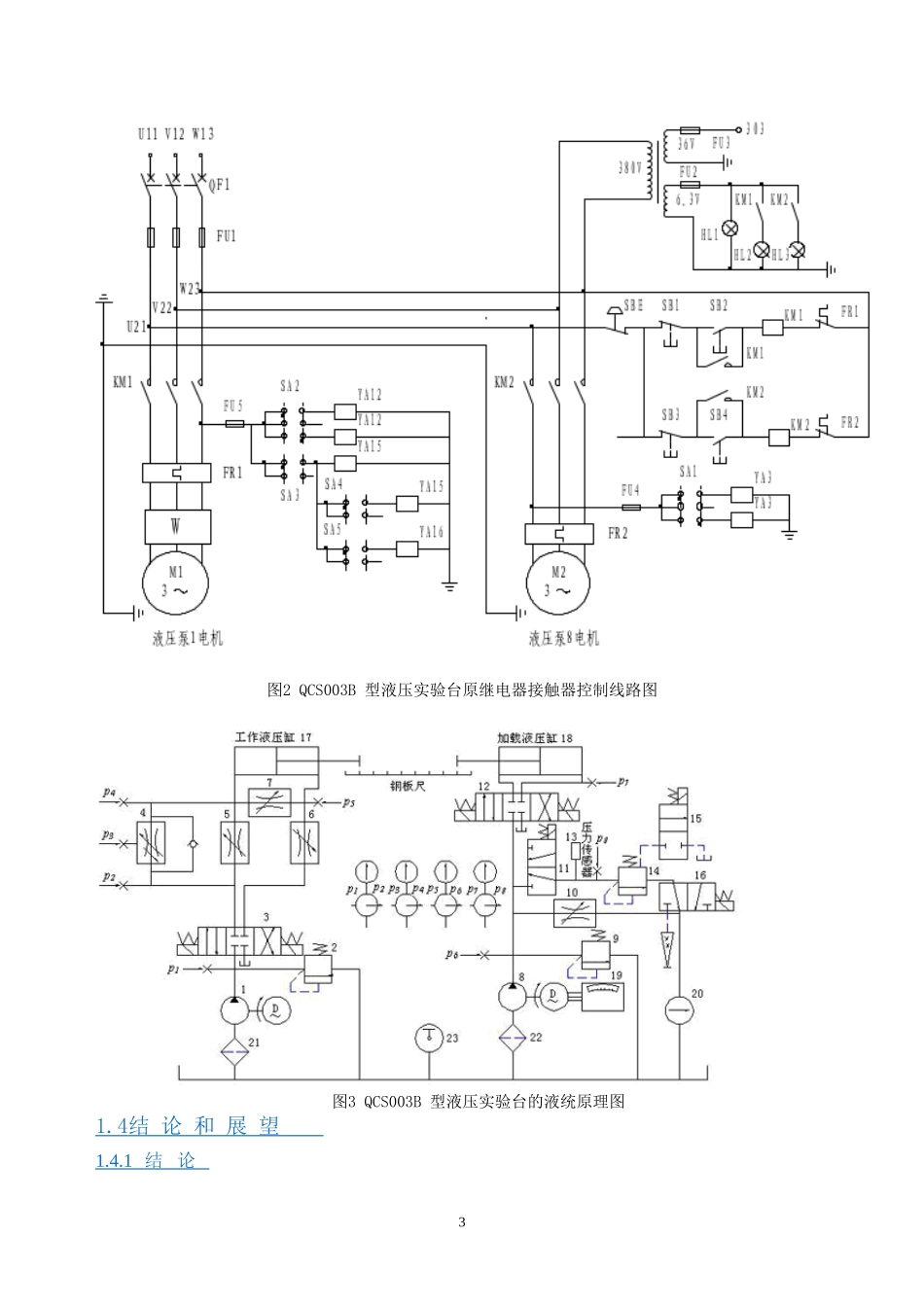
基于PLC的QCS003B液压教学实验台控制系统的改造1.前言1.1QCS-003B液压教学实验台的概况QCS-003B液压教学实验台是上世纪80年代的产品,集液压泵性能、溢流阀静态特性、节流调速性能实验于一体,是我院《液压技术》课程和《液压、气压传动及夹具设计》课程的主要实验设备之一。图1为实验台的外形图,图2是用新的电气符号绘制的对应的原继电器接触器控制线路图。图3是QCS003B型液压实验台的液压系统原理图。1.2设计制作完成的过程⑴收集资料;⑵了解QCS003B实验台的原继电器-接触器控制系统及其实验项目,对该实验台的液压系统原理图进行改进,明确被控对象并确定控制思路;⑶对三菱FX2N型号的PLC的硬件结构及其编程软件GXDeveloper和仿真软件GXSimulator进行深入学习,掌握其主要编程方法;⑷采用三菱PLC对实验台的控制系统进行改造(包括硬件选型,绘制外部接线图,编程PLC控制程序等);⑸对液压仿真软件FluidSIM进行深入学习,并使用液压仿真软件FluidSIM对改进后的实验台的相应实验项目进行仿真。1.3设计的主要内容本课题包括使用PLC对实验台原继电器-接触器控制系统的改造和使用仿真软件FluidSIM对改造后的实验台的相应实验项目进行仿真两个方面的内容。⑴使用PLC对实验台原继电器-接触器控制系统的改造①参考原实验台的使用说明书,以及搜集和查阅该实验台的相关资料,对实验台的继电器-接触器控制系统及其实验项目进行深入的了解和研究;②对该实验台的液压系统原理图进行改进,使得1实验项目由原来的3个扩展为7个,并明确改进后实验台控制系统的被控对象(2个液压泵的电动机、7个电磁阀、2个液压缸、3个指示灯、速度缸17的位移和实验压力);③对三菱FX2N型号的PLC的硬件结构及其编程软件GXDeveloper深入学习;根据⑵确定整套系统需要模拟量输入共2点,数字量输入点19点,数字量输出共14点,总I/O的点数为35点。并使用三菱的编程软件GXDeveloper编制了PLC控制主程序。⑵使用仿真软件FluidSIM对改造后的实验台的相应实验项目进行仿真①对液压仿真软件FluidSIM进行深入学习;②使用液压仿真软件FluidSIM对改进后的实验台的相应实验项目进行仿真。图1QCS003B型液压实验台的外形图2图2QCS003B型液压实验台原继电器接触器控制线路图图3QCS003B型液压实验台的液统原理图1.4结论和展望1.4.1结论3⑴该实验台是上世纪80年代的产品,使用国家标准规定的新电气符号改画了实验台原继电器接触器控制线路的电气接线图;⑵在原实验台的基础上,增加了一个二位二通电磁阀(元件24)和一个二位三通电磁阀(元件25)及行程开关(SQ1-SQ5),使得实验台的实验项目由原来的3个增加到7个,并画出了改进后的的液压系统原理图。⑶使用三菱的编程软件GXDeveloper和仿真软件GXSimulator编制了控制程序,并对控制程序进行了仿真调试。⑷使用液压仿真软件FluidSIM对改进后的实验台的相应实验项目进行仿真,这为实验项目的可行性提供了很重要的参考。1.4.2展望该项目目前只是限于理论设计阶段,还没有将研究的成果应用实践中,研究成果的正确性有待于实践的检验;对应液压调速回路可以考虑使用变频调速来实现,对于实验过程中压力、流量等数据的采集可以使用组态软件开发监控界面来实现数据的实时采集、监控和管理等。1.4.3个人心得通过此项目的学习,使我们全面的了解PLC控制系统设计的全过程。更重要的是把我们大学里所学的理论知识运用到实践当中,并与实际相结合。此项目在指导老师的帮助下经过各组员共同讨论、学习、调研,过程中虽然遇到了种种困难但最终较好的完成了全部任务。但是,本系统作为一个实践性的系统依然在理论设计阶段,由于种种原因未能在实际环境中进行验证,其实用性及高效性不能进行验证,让我们在完成任务之余有一丝遗憾,希望在以后的学习工作过程中能有机会接触到实际现场并对此系统加以验证,让所学习的只是与实践紧密的结合起来!2.QCS-003B液压教学实验台的改造42.1QCS-003B液压教学实验台原液压系统的改进QCS003B型液压实验台仅能进行3个实验项目,并随着设备的老化和液压元件的损坏,部分液压元件的性能落后已不能满足实验要求,更不能满足液压新技术发展的需求。为此,...

1、当您付费下载文档后,您只拥有了使用权限,并不意味着购买了版权,文档只能用于自身使用,不得用于其他商业用途(如 [转卖]进行直接盈利或[编辑后售卖]进行间接盈利)。
2、本站所有内容均由合作方或网友上传,本站不对文档的完整性、权威性及其观点立场正确性做任何保证或承诺!文档内容仅供研究参考,付费前请自行鉴别。
3、如文档内容存在违规,或者侵犯商业秘密、侵犯著作权等,请点击“违规举报”。

碎片内容

基于PLCQCS003B液压教学实验台控制系统的改造(实验报告仿宋)1

您可能关注的文档

确认删除?
VIP
微信客服
  • 扫码咨询
会员Q群
  • 会员专属群点击这里加入QQ群
客服邮箱
回到顶部