电脑桌面
添加小米粒文库到电脑桌面
安装后可以在桌面快捷访问

初三(九年级)科学竞赛试题及答案 VIP免费

初三(九年级)科学竞赛试题及答案 _第1页
1/10
初三(九年级)科学竞赛试题及答案 _第2页
2/10
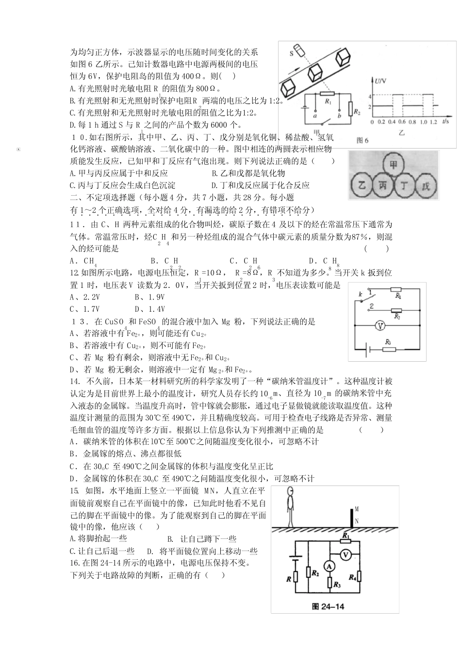
九年级科学竞赛试题卷班级姓名学号一、单项选择题(本题共10小题,每小题3分,共30分)1.地球是一个大磁体。如果设想,地磁场是由地球内部的环形电流形成的,那么这一环形电流的方向应该是()A.由东向西B.由西向东C.由南向北D.由北向南2.假设体积相同的小球在空中下落时,受到的空气阻力与其运动的速度成正比。两个体积相同、重力分别为2牛和3牛的小球之间用短细线相连,细线强度足够大。现将这两个小球从漂浮在空中的气球上由静止开始自由释放,当两球匀速下降时,细线上的拉力为()(A)0牛(B)0.5牛(C)1牛(D)2.5牛3.某容器中装有盐水若干,老师让小强再倒入质量分数为1%的盐水80克以配成质量分数为2%的盐水.但小强却错误的倒入了80克水.老师发现后说,不要紧,你再将第三种盐水40克倒入容器,就可得到2%的盐水了.那么,第三种盐水的质量分数为:(A.3%B.4%C.5%D.6%4.摄影工作者在水面上拍摄水下物体,刚好得到清晰的像,若将水抽干再拍摄,为了得到)清晰的像,他应该()A.把照相机的镜头往前伸C.增大照相机与物体的距离B.增大暗箱的长度D.换用焦距较大的透镜的镜头35.如图所示,锥形瓶内装有水,置于水平桌面上,此时水对瓶底的压力为F,锥形瓶对桌1面的压力为F。若向瓶内放入一个重为0.3N的小木球,木球浮在水面上。放入球后,上述2所说的压力F、F将有怎样的变化?()12A、F、F增加的值都是0.3NB、F、F增加的值都大于0.3N121C、F增加的值小于0.3N,F增加的值等于0.3N212D、F增加的值大于0.3N,F增加的值等于0.3N126.在相同条件下,密闭容器中气体分子数与表现出来的压强成正比例关系。若将m克焦炭和n克O同时放入一个密闭容器中,测得压强为。在一定条件下,当容器内物质充分发p12ppp1生反应后,恢复至原温度时,测得压强为。若=时,则m与n应满足的关系式为22()338334mmmmA.nB.nC.nD.n847.U形管内注入适量的水银,然后在左右两管内分别注入水和煤油。两管通过水平细管相连,细管中的阀门将水和煤油隔离,两管中的水银面相平,如图24-7所示。当阀门打开瞬间,细管中的液体会(A.向左流动。B.向右流动。C.不动。D.水向右流动,煤油向左流动。8.大气中的氧气要与人的血红蛋白结合,需要通过几层细胞膜?A.3B.5C.8D.9)9.图6甲是某生产流水线上的产品输送及计数装置示意图。其中S为激光源,R为光敏电阻(有光照射时,阻值较小;无光照射时,阻值较大),R为定值l2保护电阻,a、b间接“示波器”(示波器的接入电路无影响)。水平传送带匀速前进,每当传送带上的产品通过S与R之间时,射向光敏电阻的光线会被产品挡住。若传送带上的产品l为均匀正方体,示波器显示的电压随时间变化的关系如图6乙所示。己知计数器电路中电源两极间的电压恒为6V,保护电阻岛的阻值为400Ω。则()A.有光照射时光敏电阻R的阻值为800Ω。lB.有光照射和无光照射时保护电阻R两端的电压之比为1:2。2C.有光照射和无光照射时光敏电阻的阻值之比为1:2。D.每1h通过S与R之间的产品个数为6000个。l10.如右图所示,其中甲、乙、丙、丁、戊分别是氧化铜、稀盐酸、氢氧化钙溶液、碳酸钠溶液、二氧化碳中的一种。图中相连的两圆表示相应物质能发生反应,已知甲和丁反应有气泡出现。则下列说法正确的是()A.甲与丙反应属于中和反应C.丙与丁反应会生成白色沉淀B.乙和戊都是氧化物D.丁和戊反应属于化合反应二、不定项选择题(每小题4分,共7小题,共28分。每小题有1~2个正确选项,全对给4分,有漏选的给2分,有错项不给分)..............................11.由C、H两种元素组成的化合物叫烃,碳原子数在4及以下的烃在常温常压下通常为气体。常温常压时,烃CH和另一种烃组成的混合气体中碳元素的质量分数为87%,则混24入的烃可能是()A.CH4B.CHC.CHD.CH88222612.如图所示电路,电源电压恒定,R=10Ω,R=8Ω,R不知道为多少。当开关k扳到位123置1时,电压表V读数为2.0V,当开关扳到位置2时,电压表读数可能是A、2.2VC、1.7VB、1.9VD、1.4V13.在CuSO和FeSO的混合液中加入Mg粉,下列说法正确的是44A、若溶液中有Fe,则可能还有Cu2+2+B、若溶液中有Cu,...

1、当您付费下载文档后,您只拥有了使用权限,并不意味着购买了版权,文档只能用于自身使用,不得用于其他商业用途(如 [转卖]进行直接盈利或[编辑后售卖]进行间接盈利)。
2、本站所有内容均由合作方或网友上传,本站不对文档的完整性、权威性及其观点立场正确性做任何保证或承诺!文档内容仅供研究参考,付费前请自行鉴别。
3、如文档内容存在违规,或者侵犯商业秘密、侵犯著作权等,请点击“违规举报”。

碎片内容

初三(九年级)科学竞赛试题及答案

您可能关注的文档

确认删除?
VIP
微信客服
  • 扫码咨询
会员Q群
  • 会员专属群点击这里加入QQ群
客服邮箱
回到顶部