电脑桌面
添加小米粒文库到电脑桌面
安装后可以在桌面快捷访问

土方边坡计算计算书VIP免费

土方边坡计算计算书_第1页
1/13
土方边坡计算计算书_第2页
2/13
土方边坡计算计算书_第3页
3/13
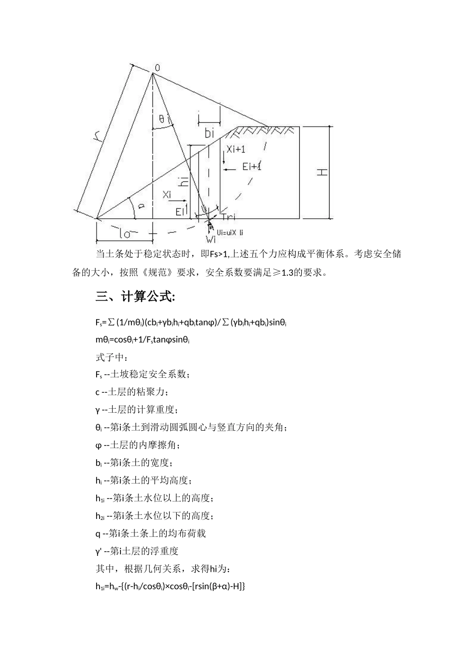
土方边坡计算书本计算书参照《建筑施工计算手册》江正荣编著中国建筑工业出版社、《实用土木工程手册》第三版杨文渊编著人民教同出版社、《地基与基础》第三版中国建筑工业出版社等相关文献进行编制。本工程基坑壁需进行放坡,以保证边坡稳定和施工操作安全。基坑挖方安全边坡按以下方法计算。一、参数信息:坑壁土类型:淤泥质二坑壁土的重度γ(kN/m3):17.25坑壁土的内摩擦角φ(°):12.5坑壁土粘聚力c(kN/m2):12.5基坑开挖深度h(m):6.0二、挖方安全边坡计算:挖方安全边坡按以下公式计算:h=2×c×sinθ×cosφ/(γ×sin2((θ-φ)/2))其中θ--土方边坡角度(°)解得,sinθ=0.929则,θ=68.326°>φ=12.50°,为陡坡坡度:1/tanθ=0.4本工程的基坑壁最大土方坡度为1:0.4(垂直:水平)。土坡稳定性计算书本计算书参照《建筑施工计算手册》江正荣编著中国建筑工业出版社、《实用土木工程手册》第三版杨文渊编著人民教同出版社、《地基与基础》第三版中国建筑工业出版社、《土力学》等相关文献进行编制。计算土坡稳定性采用圆弧条分法进行分析计算,由于该计算过程是大量的重复计算,故本计算书只列出相应的计算公式和计算结果,省略了重复计算过程本计算书采用毕肖普法进行分析计算,假定滑动面为圆柱面及滑动土体为不变形刚体,还同时考虑了土条两侧面的作用力。一、参数信息:条分方法:毕肖普法;条分块数:4;不考虑地下水位影响;放坡参数:序号放坡高度(m)放坡宽度(m)平台宽度(m)条分块数16.003.006.000.00荷载参数:序号类型面荷载q(kPa)基坑边线距离b0(m)宽度b1(m)1局布10.0014土层参数:序号土名称土厚度坑壁土的重度γ坑壁土的内摩擦角φ内聚力C饱容重(m)(kN/m3)(°)(kPa)(kN/m3)1淤泥质二2.0017.2512.5012.501.002粘性土8.0017.2514.5014.001.00二、计算原理:根据土坡极限平衡稳定进行计算。自然界匀质土坡失去稳定,滑动面呈曲面,通常滑动面接近圆弧,可将滑裂面近似成圆弧计算。将土坡的土体沿竖直方向分成若干个土条,从土条中任意取出第i条,该土条上存在着:1、土条自重Wi,2、作用于土条弧面上的法向反力Ni,3、作用于土条圆弧面上的切向阻力或抗剪力Tri,4、土条弧面上总的孔隙水应力Ui,其作用线通过滑动圆心,5、土条两侧面上的作用力Xi+1,Ei+1和Xi,Ei.如图所示:当土条处于稳定状态时,即Fs>1,上述五个力应构成平衡体系。考虑安全储备的大小,按照《规范》要求,安全系数要满足≥1.3的要求。三、计算公式:Fs=∑(1/mθi)(cbi+γbihi+qbitanφ)/∑(γbihi+qbi)sinθimθi=cosθi+1/Fstanφsinθi式子中:Fs--土坡稳定安全系数;c--土层的粘聚力;γ--土层的计算重度;θi--第i条土到滑动圆弧圆心与竖直方向的夹角;φ--土层的内摩擦角;bi--第i条土的宽度;hi--第i条土的平均高度;h1i--第i条土水位以上的高度;h2i--第i条土水位以下的高度;q--第i条土条上的均布荷载γ'--第i土层的浮重度其中,根据几何关系,求得hi为:h1i=hw-{(r-hi/cosθi)×cosθi-[rsin(β+α)-H]}式子中:r--土坡滑动圆弧的半径;l0--坡角距圆心垂线与坡角地坪线交点长度;α--土坡与水平面的夹角;h1i的计算公式:h1i=hw-{(r-hi/cosθi)×cosθi-[rsin(β+α)-H]}当h1i≥hi时,取h1i=hi;当h1i≤0时,取h1i=0;h2i的计算公式:h2i=hi-h1i;hw--土坡外地下水位深度;θi=90-arccos[((i-0.5)×bi-l0)/r]四、计算安全系数:将数据各参数代入上面的公式,通过循环计算,求得最小的安全系数Fs:------------------------------------------------------------------------------------计算步数安全系数滑裂角(度)圆心X(m)圆心Y(m)半径R(m)第1步0.92029.589-0.4698.8838.896示意图如下:--------------------------------------------------------------------------------------土钉墙支护计算书品茗软件大厦工程;属于结构;地上0层;地下0层;建筑高度:0m;标准层层高:0m;总建筑面积:0平方米;总工期:0天;施工单位:某某施工单位。本工程由某某房开公司投资建设,某某设计院设计,某某勘察单位地质勘察,某某监理公司监理,某某施工单位组织施工;由章某某担任项目经理,李某某担任技术负...

1、当您付费下载文档后,您只拥有了使用权限,并不意味着购买了版权,文档只能用于自身使用,不得用于其他商业用途(如 [转卖]进行直接盈利或[编辑后售卖]进行间接盈利)。
2、本站所有内容均由合作方或网友上传,本站不对文档的完整性、权威性及其观点立场正确性做任何保证或承诺!文档内容仅供研究参考,付费前请自行鉴别。
3、如文档内容存在违规,或者侵犯商业秘密、侵犯著作权等,请点击“违规举报”。

碎片内容

土方边坡计算计算书

文章天下+ 关注
实名认证
内容提供者

各种文档应有尽有

确认删除?
VIP
微信客服
  • 扫码咨询
会员Q群
  • 会员专属群点击这里加入QQ群
客服邮箱
回到顶部