电脑桌面
添加小米粒文库到电脑桌面
安装后可以在桌面快捷访问

土建规范允许偏差一览表VIP免费

土建规范允许偏差一览表_第1页
1/31
土建规范允许偏差一览表_第2页
2/31
土建规范允许偏差一览表_第3页
3/31
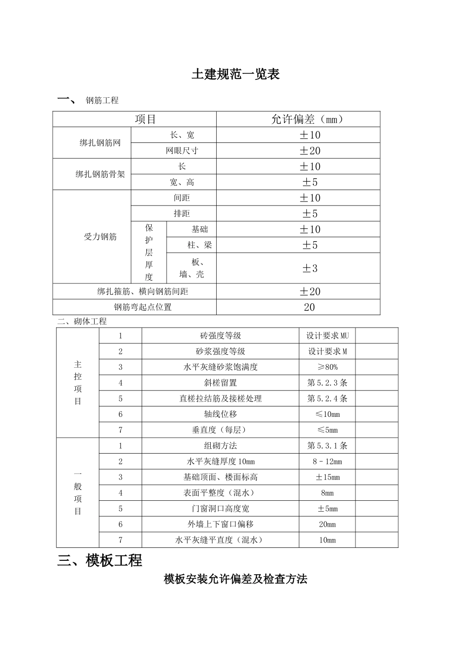
土建规范一览表一、钢筋工程项目允许偏差(mm)绑扎钢筋网长、宽±10网眼尺寸±20绑扎钢筋骨架长±10宽、高±5受力钢筋间距±10排距±5保护层厚度基础±10柱、梁±5板、墙、壳±3绑扎箍筋、横向钢筋间距±20钢筋弯起点位置20二、砌体工程主控项目1砖强度等级设计要求MU2砂浆强度等级设计要求M3水平灰缝砂浆饱满度≥80%4斜槎留置第5.2.3条5直槎拉结筋及接槎处理第5.2.4条6轴线位移≤10mm7垂直度(每层)≤5mm一般项目1组砌方法第5.3.1条2水平灰缝厚度10mm8–12mm3基础顶面、楼面标高±15mm4表面平整度(混水)8mm5门窗洞口高度宽±5mm6外墙上下窗口偏移20mm7水平灰缝平直度(混水)10mm三、模板工程模板安装允许偏差及检查方法序号项目允许偏差值(mm)检查方法国家标准省优质结构工程标准1轴线位移柱、墙、梁53尺量2底模上表面标高±5±3水准仪或拉线尺量3截面内尺寸基础±10±6尺量柱、墙、梁+4、-5±34层高垂直度层高不大于5m64经纬仪或吊线、尺量小于5m865相邻两板表面高低差22尺量6表面平整度53靠尺、塞尺7阴阳角方正—2方尺、塞尺顺直—2线尺8预埋铁件中心线位移32拉线、尺量9预埋管、螺栓中心线位移32拉线、尺量螺栓外露长度+10、0+5、010预留孔洞中心线位移+106拉线、尺量尺寸+10、0+6、011门窗洞口中心线位移—3拉线、尺量宽、高—±5对角线—612插筋中心线位移55尺量外露长度+10、0+10、0四、混凝土工程预制构件尺寸允许偏差及检验方法项目允许偏差(mm)检验方法长度板、梁+10,-5钢尺检查柱+5,-10墙板±5薄腹梁、桁架+15,-10宽度高(厚)度板、梁、柱、墙板、薄腹梁、桁架±5钢尺量一端及中部,取其中较大值侧向弯曲梁、柱、板L/750且≤20拉线、钢尺量最大侧向弯曲处墙板、薄腹梁、桁架L/1000且≤20预埋件中心线位置10钢尺检查螺栓位置5螺栓外露长度+10,-5预留孔中心线位置5钢尺检查预留洞中心线位置15钢尺检查主筋保护层厚度板+5,-3钢尺或保护层厚度测定仪式量测梁、柱、墙板、薄腹梁、桁架+10,-5对角线差板、墙板10钢尺量两个对角线表面平整度板、墙板、柱、梁52m靠尺和塞尺检查预应力构件预留孔道位置梁、墙板、薄腹梁、桁架3钢尺检查翘曲板L/750调平尺在两端量测墙板L/1000墙板注:1、为构件长度(mm)。2、检查中心线、螺栓和孔道位置时,应沿纵、横两个方向量测,并取其中的较大值;3、对开头复杂或特殊要求的构件,其尺寸偏差应符合标准图基设计的要求。现浇构件尺寸允许偏差及检验方法项目允许偏差(mm)检查方法轴线位置mm基础15钢尺检查独立基础10墙、柱、梁8剪力墙5垂直度mm层高≤5m8钢尺检查>5m10全高(H)H/1000且≤30钢尺检查标高mm层高±10钢尺检查全高±30截面尺寸+8,-5+25,0钢尺检查电梯井井筒长、宽对定位中心线mm井筒全高(H)垂直度mmH/1000且≤30钢尺检查表面平整度mm8钢尺检查预埋设施中心线位置mm预埋件10钢尺检查预埋螺栓5预埋管5预留洞中心线位置mm15钢尺检查http://wenku.baidu.com/view/14e7a48ecc22bcd126ff0c0b.html一混凝土工程GBJ134-901、梁、柱上任何一处的锋窝面积不大于1000㎝²,累计不大于2000㎝²;孔洞面积不大于40㎝²,累计不大于80㎝²;露筋长度不大于10㎝,累计不大于20㎝。2、墙、板、拱上任何一处的蜂窝面积不大于2000㎝²,累计不大于4000㎝²;孔洞面积不大于100㎝²,累计不大于200㎝²;露筋长度不大于20㎝,累计不大于40㎝²。3、混凝土结构尺寸的允许偏差表人防)项目允许偏差(㎜)轴线位移10标高层高全高±10±20截面尺寸厚度小于200㎜±10厚度为200-400㎜±15厚度大于400㎜±20柱、墙垂直度5表面平整度8预埋管、预留孔中心线位置偏移5预埋螺栓中心线位置偏移5预留洞中心线位置偏移15电梯井井筒长、宽对中心线井筒全高垂直度+25H/1000且不大于20注:H为电梯井筒全高(㎜)。4、混凝土组成材料计量结果的允许偏差:GB50164-92组成材料允许偏差水泥、掺合料±2%粗、细骨料±3%水、外加剂±2%5、混凝土从搅拌机卸出到浇筑完毕的延续时间:GB50164-92气温延续时间(min)采用搅拌车采用其他运输设备≤C30>C30≤C30>C30≤25ºC>25ºC>120909060906075456、现浇结构尺寸允...

1、当您付费下载文档后,您只拥有了使用权限,并不意味着购买了版权,文档只能用于自身使用,不得用于其他商业用途(如 [转卖]进行直接盈利或[编辑后售卖]进行间接盈利)。
2、本站所有内容均由合作方或网友上传,本站不对文档的完整性、权威性及其观点立场正确性做任何保证或承诺!文档内容仅供研究参考,付费前请自行鉴别。
3、如文档内容存在违规,或者侵犯商业秘密、侵犯著作权等,请点击“违规举报”。

碎片内容

土建规范允许偏差一览表

您可能关注的文档

确认删除?
VIP
微信客服
  • 扫码咨询
会员Q群
  • 会员专属群点击这里加入QQ群
客服邮箱
回到顶部