电脑桌面
添加小米粒文库到电脑桌面
安装后可以在桌面快捷访问

优质结构自评VIP免费

优质结构自评_第1页
1/12
优质结构自评_第2页
2/12
优质结构自评_第3页
3/12
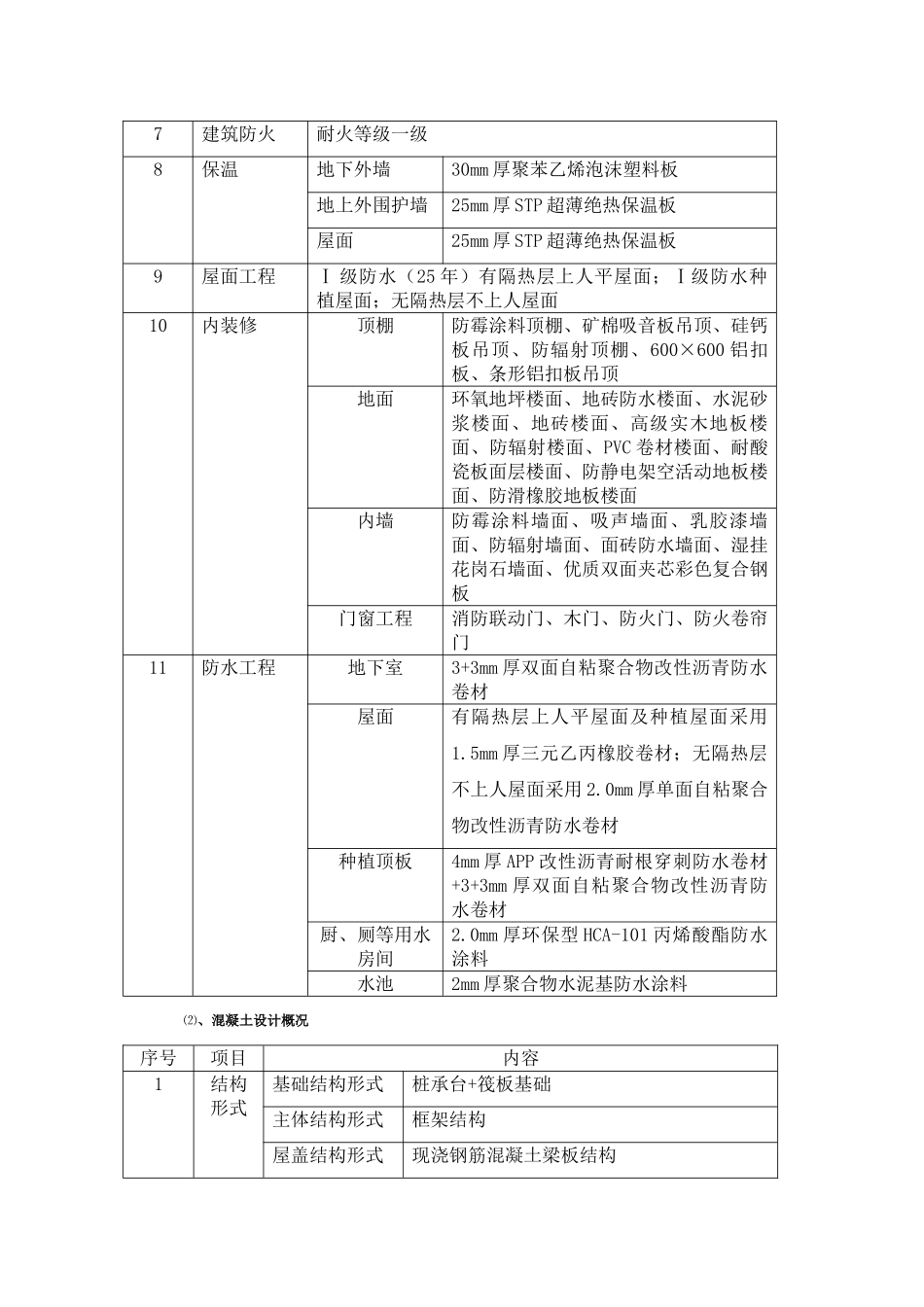
高新分院医疗综合楼工程Ⅰ标段结构创优自评报告北京建工集团有限责任公司安徽分公司2014年11月高新分院医疗综合楼Ⅰ标段工程结构创优自评报告一、工程概况1、工程简介工程名称:高新分院医疗综合楼Ⅰ标段工程地点:合肥市高新区创新大道与皖水路交口建设单位:安徽医科大学第一附属医院设计单位:深圳市建筑设计研究总院有限公司勘察单位:合肥建材地质工程勘察院监理单位:安徽南巽建设项目管理投资有限公司施工单位:北京建工集团有限责任公司2、建筑结构概况:⑴、建筑设计概况序号项目内容1建筑功能门诊、医技楼2建筑面积154576.94(m2)占地面积24052(m2)3建筑层数地上4-5地下24建筑层高(m)地下部分层高地下二层4.7地下一层5.65地上部分层高-5.400层5.4首层~三层4.8设备房及屋顶3.05屋面层5.505建筑高度(m)绝对标高54.3M室内外高差5.4基底标高-16.5、-17.7、18.5建筑高度23.906建筑平面建筑平面形状“矩”型长×宽(m)233.5×128.75横轴编号1~29纵轴编号A~1/R横轴距离(m)8、7.25纵轴距离8.4、8、6.6、4.9、3.57建筑防火耐火等级一级8保温地下外墙30mm厚聚苯乙烯泡沫塑料板地上外围护墙25mm厚STP超薄绝热保温板屋面25mm厚STP超薄绝热保温板9屋面工程Ⅰ级防水(25年)有隔热层上人平屋面;Ⅰ级防水种植屋面;无隔热层不上人屋面10内装修顶棚防霉涂料顶棚、矿棉吸音板吊顶、硅钙板吊顶、防辐射顶棚、600×600铝扣板、条形铝扣板吊顶地面环氧地坪楼面、地砖防水楼面、水泥砂浆楼面、地砖楼面、高级实木地板楼面、防辐射楼面、PVC卷材楼面、耐酸瓷板面层楼面、防静电架空活动地板楼面、防滑橡胶地板楼面内墙防霉涂料墙面、吸声墙面、乳胶漆墙面、防辐射墙面、面砖防水墙面、湿挂花岗石墙面、优质双面夹芯彩色复合钢板门窗工程消防联动门、木门、防火门、防火卷帘门11防水工程地下室3+3mm厚双面自粘聚合物改性沥青防水卷材屋面有隔热层上人平屋面及种植屋面采用1.5mm厚三元乙丙橡胶卷材;无隔热层不上人屋面采用2.0mm厚单面自粘聚合物改性沥青防水卷材种植顶板4mm厚APP改性沥青耐根穿刺防水卷材+3+3mm厚双面自粘聚合物改性沥青防水卷材厨、厕等用水房间2.0mm厚环保型HCA-101丙烯酸酯防水涂料水池2mm厚聚合物水泥基防水涂料⑵、混凝土设计概况序号项目内容1结构形式基础结构形式桩承台+筏板基础主体结构形式框架结构屋盖结构形式现浇钢筋混凝土梁板结构2土质水位场地类别Ⅱ类基底以上土质分层情况①层杂填土(Qml)——层厚0.70~5.90m,层底标高为43.90~51.31m。②层粉质粘土(Q4al+pl)——层厚0.60~1.50m,层底标高为43.00~48.20m。③层粘土(Q3al+pl)——层厚5.00~12.30m,层底标高为35.13~41.91m。④层粉质粘土(Q3al+pl)——层厚1.70~3.60米,层底标高为30.76~39.91m。⑤-1层强风化泥质粉砂岩(K)——层厚1.70~3.60米,层底标高为30.76~39.91m。⑤-2层中风化泥质粉砂岩(K)—此层未钻穿。地下水位地下水类型主要为2层,1层为①层杂填土中的上层滞水,主要由大气降水渗入及地表迳流补给,受大气降水、季节、气候以及地形的变化影响较大,沿地势由高向低径流,由于整个场地高低起伏,地表水排泄不畅,在低洼处易富集。2层为⑤-1层强风化泥质粉砂岩、⑤-2层中风化泥质粉砂岩中的裂隙水,主要由地下迳流补给3地基人工挖孔桩承载力⑤-2层中风化泥质粉砂岩3000kPa基础埋深-16.5m、-17.7m、18.5m4地下防水混凝土自防水地下室底板及地下室外墙抗渗等级P8,地下室顶盖抗渗等级P6材料防水3+3mm厚双面自粘聚合物改性沥青防水卷材5砼强度等级基础垫层C15承台、基础梁(地梁)、地下室底板、外墙C35地下二层~-5.400层墙柱C40一层及以上墙柱C35地下二层~一层梁板C35二层及以上梁板C30女儿墙、过梁、构造柱、圈梁等C256抗震等级抗震设防烈度八度结构抗震等级-11.100m及其以下第7~10、12抗震单元为框架三级;-11.100m以上第7~10、12抗震单元及-11.100m及其以下第11抗震单元为框架二级;-11.100m以上第11抗震单元为框架一级结构安全等级二级7钢筋类别HPB300、HRB335、HRB335E、HRB400、HRB400E8钢筋接头形式直螺纹连接下挂柱、吊挂夹层的竖向构件、桁架和拱的拉杆等轴心受拉...

1、当您付费下载文档后,您只拥有了使用权限,并不意味着购买了版权,文档只能用于自身使用,不得用于其他商业用途(如 [转卖]进行直接盈利或[编辑后售卖]进行间接盈利)。
2、本站所有内容均由合作方或网友上传,本站不对文档的完整性、权威性及其观点立场正确性做任何保证或承诺!文档内容仅供研究参考,付费前请自行鉴别。
3、如文档内容存在违规,或者侵犯商业秘密、侵犯著作权等,请点击“违规举报”。

碎片内容

优质结构自评

您可能关注的文档

确认删除?
VIP
微信客服
  • 扫码咨询
会员Q群
  • 会员专属群点击这里加入QQ群
客服邮箱
回到顶部