电脑桌面
添加小米粒文库到电脑桌面
安装后可以在桌面快捷访问

CO2横焊注意事项VIP免费

CO2横焊注意事项_第1页
1/5
CO2横焊注意事项_第2页
2/5
CO2横焊注意事项_第3页
3/5
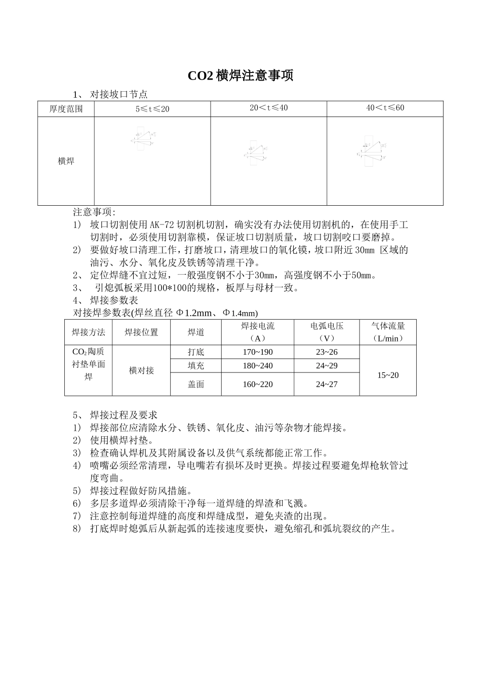
CO2横焊注意事项1、对接坡口节点厚度范围5≤t≤2020<t≤4040<t≤60横焊注意事项:1)坡口切割使用AK-72切割机切割,确实没有办法使用切割机的,在使用手工切割时,必须使用切割靠模,保证坡口切割质量,坡口切割咬口要磨掉。2)要做好坡口清理工作,打磨坡口,清理坡口的氧化镆,坡口附近30mm区域的油污、水分、氧化皮及铁锈等清理干净。2、定位焊缝不宜过短,一般强度钢不小于30mm,高强度钢不小于50mm。3、引熄弧板采用100*100的规格,板厚与母材一致。4、焊接参数表对接焊参数表(焊丝直径Φ1.2mm、Φ1.4mm)焊接方法焊接位置焊道焊接电流(A)电弧电压(V)气体流量(L/min)CO2陶质衬垫单面焊横对接打底170~19023~2615~20填充180~24024~29盖面160~22024~275、焊接过程及要求1)焊接部位应清除水分、铁锈、氧化皮、油污等杂物才能焊接。2)使用横焊衬垫。3)检查确认焊机及其附属设备以及供气系统都能正常工作。4)喷嘴必须经常清理,导电嘴若有损坏及时更换。焊接过程要避免焊枪软管过度弯曲。5)焊接过程做好防风措施。6)多层多道焊必须清除干净每一道焊缝的焊渣和飞溅。7)注意控制每道焊缝的高度和焊缝成型,避免夹渣的出现。8)打底焊时熄弧后从新起弧的连接速度要快,避免缩孔和弧坑裂纹的产生。6、焊接过程注意事项:横对接焊最容易出现的焊缝内部缺陷是夹渣。表面缺陷有正反面焊道上咬边。图1图2注意焊接时的运枪方法,和焊枪角度。7、现场横焊缝质量情况熄弧后起弧间隔时间太长,造成弧坑缩孔。规范掌握不当,焊穿处理不好,没有认真清渣8、现场横焊拍片情况气体保护不好、焊丝受潮或坡口清洁不好造成补焊不认真,造成密集性气孔,条状夹渣是图2所示问题造成

1、当您付费下载文档后,您只拥有了使用权限,并不意味着购买了版权,文档只能用于自身使用,不得用于其他商业用途(如 [转卖]进行直接盈利或[编辑后售卖]进行间接盈利)。
2、本站所有内容均由合作方或网友上传,本站不对文档的完整性、权威性及其观点立场正确性做任何保证或承诺!文档内容仅供研究参考,付费前请自行鉴别。
3、如文档内容存在违规,或者侵犯商业秘密、侵犯著作权等,请点击“违规举报”。

碎片内容

CO2横焊注意事项

您可能关注的文档

确认删除?
VIP
微信客服
  • 扫码咨询
会员Q群
  • 会员专属群点击这里加入QQ群
客服邮箱
回到顶部