电脑桌面
添加小米粒文库到电脑桌面
安装后可以在桌面快捷访问

地下车库灯具安装施工工法VIP免费

地下车库灯具安装施工工法_第1页
1/7
地下车库灯具安装施工工法_第2页
2/7
地下车库灯具安装施工工法_第3页
3/7
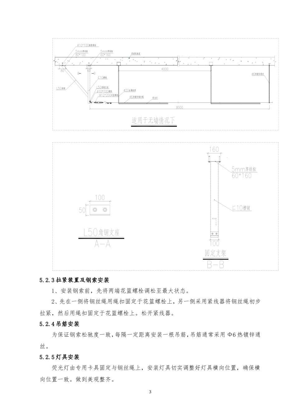
施工准备拉紧装置及钢索安装支座安装灯具安装吊筋安装检查调整钢索张拉法安装灯具施工工法江苏元辰集团1.前言:随着社会的快速发展,各大城市新型住宅小区、商业楼等均大量兴建大型地下车库,不但给开发商带来了巨大的经济利润,同时也更好的解决了当前面临的车患之急。地下车库占地面积大,停放车辆多,安全系统高。同时灯具也相当多,安装要求排列整齐美观。本公司在大庆汇景花园地下车库安装施工中,首次使用了“钢索张拉法”安装照明灯具,本文对该安装方案的科学性和经济实用性进行了分析和探讨。2.工法特点:2.1比传统的吊链固定牢固,安全系数高。2.2制作简单,安装方便。3.3经济实用,快速安装。4.4整齐美观。3.适用范围:建筑物内大型地下车库。4.工艺原理“钢索张拉法”安装灯具是通过在两侧墙之间采用花篮螺栓拉紧钢丝绳后,将荧光灯固定在钢丝绳上的一种安装方式。如果两侧没有墙,也可采用固定支架代替。5.施工工艺流程及操作要点5.1施工工艺流程:5.2操作要点5.2.1施工准备1、依据施工图、施工方案及现场实际情况确定所需的材料计划,计划的制定充分考虑材料的生产周期及运输时间。确保按时提供至现场。2、做好材料的进场验收和保管,对进场材料按图纸、方案及规范严格检验。3、施工作业人员现场制作安装前要做好相关技术交底工作。14、制作完成拉紧装置支座以及固定支架。及时做好除锈刷油工作。5.2.2支座安装1、用激光水准仪确定支座安装标高。要求整个车库统一标高。2、将各照明回路安装位置按图纸要求在天棚和两边剪力墙上做好记号。同时必须充分考虑偏开棚下采暖管道、给水管道、排水管道、消防管道、配电桥架的安装位置。3、支座分三类情况:一是剪力墙上直接采用膨胀螺栓安装支座;二是砖墙上采用穿墙螺栓安装支座;三是无墙情况下采用固定支架安装支座。如下图。25.2.3拉紧装置及钢索安装1、安装钢索前,先将两端花篮螺栓调松至最大状态。2、先在一侧将钢丝绳用绳扣固定于花篮螺栓上,另一侧采用紧线器将钢丝绳初步拉紧,然后用绳扣固定于花篮螺栓上。松开紧线器。5.2.4吊筋安装为保证钢索松驰度一致,每隔一定距离安装一根吊筋,吊筋通常采用Φ6热镀锌通丝。5.2.5灯具安装荧光灯由专用卡具固定与钢丝绳上,安装灯具切实调整好灯具横向位置,确保横向位置一致。做到美观整齐。35.2.6检查调整灯具安装完成后,由于灯具自身的重力作用,钢索会产生一定的下垂,可通过调紧两端花篮螺栓处理。6.材料与机具设备序号材料机具名称规格(型号)备注1角钢50*5支座主体材料2槽钢10#固定支架主体材料3花篮螺栓M12*200拉紧装置4钢丝绳Φ6钢索5电焊机380V交流焊机焊接支架6角尺焊接支架7切割机下料8台钻钻眼9角磨机修整棱角10激光水准仪确定标高和水平度调整7.劳动组织及安全措施7.1劳动力组织安装过程中,制作支架、安装灯具所需的工种、人员数量(人员数量以一个劳动组合-小组为计算单位)、技术等级要求等见下表:序号工种数量技术等级备注1电焊工1持证上岗支架制作安装2电工2持证上岗钢索及灯具安装3油漆工1支架刷漆防腐7.2安全措施7.2.1相关法规《中华人民共和国安全生产法》、《建筑施工安全技术统一规范》、《公司安全技术操作规程》。7.2.2注意事项及安全措施a、需要持证上岗的施工作业人员必须持有相应的操作证,持证上岗率100%。b、项目部全体人员均应树立“先安全、后质量”的指导思想,并贯彻于施工全过程。施工队长向现场全体操作人员进行安全交底。施工队长经常检查施工现场,主要查4施工现场有无安全隐患及操作人员违章现象,安全科实施不定期检查指导。做到消灭安全隐患,制止违章发生。c、施工作业人员进入施工现场必须遵守现场安全制度,施工前应检查施工现场作业条件及存在的安全隐患,及时进行准备和整改,消除安全隐患;必须认真检查工作点范围,确保清除障碍及易引发火灾物品后再进行工作。d、焊接用的电焊机外壳,必须接地良好,其电源的装拆由电工进行。下列操作,必须在切断电源后才能进行:改变焊机接头时;更换焊件需要改接二次回路时;更换保险装置时;焊机发生故障需进行检修时;转移工作地点搬运焊机时。8.质量控制8.1应执行的相关质量...

1、当您付费下载文档后,您只拥有了使用权限,并不意味着购买了版权,文档只能用于自身使用,不得用于其他商业用途(如 [转卖]进行直接盈利或[编辑后售卖]进行间接盈利)。
2、本站所有内容均由合作方或网友上传,本站不对文档的完整性、权威性及其观点立场正确性做任何保证或承诺!文档内容仅供研究参考,付费前请自行鉴别。
3、如文档内容存在违规,或者侵犯商业秘密、侵犯著作权等,请点击“违规举报”。

碎片内容

地下车库灯具安装施工工法

确认删除?
VIP
微信客服
  • 扫码咨询
会员Q群
  • 会员专属群点击这里加入QQ群
客服邮箱
回到顶部