电脑桌面
添加小米粒文库到电脑桌面
安装后可以在桌面快捷访问

题库-微波技术与天线VIP免费

题库-微波技术与天线_第1页
1/10
题库-微波技术与天线_第2页
2/10
题库-微波技术与天线_第3页
3/10
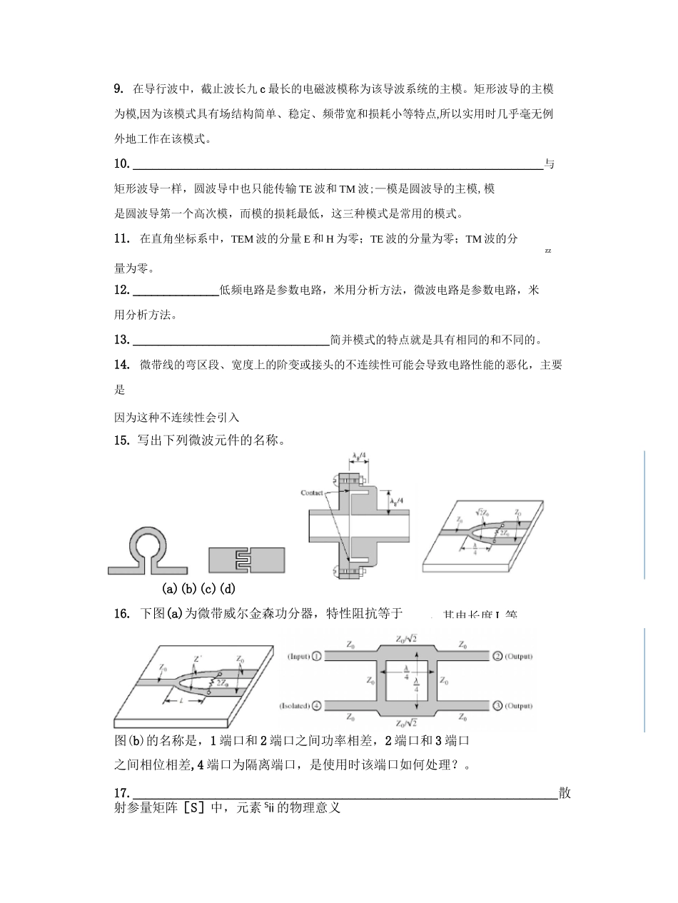
它表示传输线上的一,它表示传输线上的);③R>Z0,X=0))⑤RVZO,X=0)@R=Z0,X=0)⑦r=)⑧SWR=)r=1)⑩SWR=)微波技术与天线题库一、填空题1.__________________________驻波比的取值范围为;当传输线上全反射时,反射系数为—,此时驻波比P等于。2.Y=a+jP称为,其中a称为—波,卩称为波。3.特性阻抗50欧的均匀传输线终端接负载Z]为20j欧、50欧和20欧时,传输线上分别形成波,波和波。4.有均匀传输线特性阻抗为500,线上工作波长为10cm,如图所示:Z=5000(1)若Z]=50。,在z=8cm处的输入阻抗Z.=;(2)__________________________________________若Z]=0Q,在z=2.5cm处的输入阻抗Z.=;在z=5cm处的输入阻抗乙=;1inin当0vzv2.5cm时,乙呈性,当2.5cmvzv5cm处,乙呈性。inin(3)若Z1=j5O0,传输线上的驻波比p=。④R=0,XVO阻抗匹配和阻抗匹配,它们反映Z0,根据各点在下图所示的阻抗圆5.无耗传输线的终端短路和开路时,阻抗分布曲线的主要区别是终端开路时在终端处等效为谐振电路,终端短路时在终端处等效为谐振电路。6.一段长度为l(Ovlv入/4)短路线和开路线的输入阻抗分别呈纯和纯。7.阻抗匹配分为阻抗匹配、了传输线上三种不同的工作状态。8.圆图中的阻抗一般式为Z=R+jX,传输线特性阻抗为,其电长度L等9.在导行波中,截止波长九c最长的电磁波模称为该导波系统的主模。矩形波导的主模为模,因为该模式具有场结构简单、稳定、频带宽和损耗小等特点,所以实用时几乎毫无例外地工作在该模式。10.________________________________________________________________与矩形波导一样,圆波导中也只能传输TE波和TM波;—模是圆波导的主模,模是圆波导第一个高次模,而模的损耗最低,这三种模式是常用的模式。11.在直角坐标系中,TEM波的分量E和H为零;TE波的分量为零;TM波的分zz量为零。12.______________低频电路是参数电路,米用分析方法,微波电路是参数电路,米用分析方法。13._______________________________简并模式的特点就是具有相同的和不同的。14.微带线的弯区段、宽度上的阶变或接头的不连续性可能会导致电路性能的恶化,主要是因为这种不连续性会引入15.写出下列微波元件的名称。(a)(b)(c)(d)16.下图(a)为微带威尔金森功分器,特性阻抗等于图(b)的名称是,1端口和2端口之间功率相差,2端口和3端口之间相位相差,4端口为隔离端口,是使用时该端口如何处理?。17.___________________________________________________________________散射参量矩阵[S]中,元素Sii的物理意义,元素Sj的物理意义、判断题1.无耗传输线终端短路,当它的长度大于四分之一波长时,输入端的输入阻抗为容抗,将等效为一个电容。()2.无耗传输线上驻波比等于1时,则反射系数的模等于0。()3.阻抗圆图上,『|=1的圆称为单位圆,在单位圆上,阻抗为纯电抗,驻波比等于无限大。()4.只要无耗传输终端接上一个任意的纯电阻,则入射波全部被吸收,没有反射,传输线工作在匹配状态。()5.在传输线上存在入射波和反射波,入射波和反射波合成驻波,驻波的最大点电压值与最小点上的电压值的比即为传输线上的驻波比。()6.导纳圆图由等反射系数圆.等电抗圆和等电阻圆组成,在一个等电抗圆上各点电抗值相同。()7.圆波导的截止波长与波导的截面半径及模式有关,对于TE11模,半径越大,截止波长越短。()8.矩形波导的工作模式是TE10模,当矩形波导传输TE10模时,波导波长(相波长)与波导截面尺寸有关,矩形波导截面的窄边尺寸越小,波导波长(相波长)越长。()9.在矩形谐振腔中,TE101模的谐振频率最小。()10.同轴线是TEM波传输线,只能传输TEM波,不能传输TE或TM波。()11.矩形波导传输的TE10波,磁场垂直于宽边,而且在宽边的中间上磁场强度最大。()12.圆波导可能存在“模式简并”和“极化简并”两种简并现象。()13.矩形波导中所有的模式的波阻抗都等于377欧姆。()14.矩形谐振腔谐振频率和腔体的尺寸与振荡模式有关,一般来讲,给定一种振荡模式,腔体的尺寸越大,谐振频率就越高。()15.两段用导体封闭的同轴型谐振腔,当它谐振在TEM模时,其长度等于半波长的整数倍。()16.TE波和TM波的最低次模分别为TE和TM...

1、当您付费下载文档后,您只拥有了使用权限,并不意味着购买了版权,文档只能用于自身使用,不得用于其他商业用途(如 [转卖]进行直接盈利或[编辑后售卖]进行间接盈利)。
2、本站所有内容均由合作方或网友上传,本站不对文档的完整性、权威性及其观点立场正确性做任何保证或承诺!文档内容仅供研究参考,付费前请自行鉴别。
3、如文档内容存在违规,或者侵犯商业秘密、侵犯著作权等,请点击“违规举报”。

碎片内容

题库-微波技术与天线

wxg+ 关注
实名认证
内容提供者

该用户很懒,什么也没介绍

确认删除?
VIP
微信客服
  • 扫码咨询
会员Q群
  • 会员专属群点击这里加入QQ群
客服邮箱
回到顶部