电脑桌面
添加小米粒文库到电脑桌面
安装后可以在桌面快捷访问

(涂料&瓷砖面)薄抹灰施工方案VIP免费

(涂料&瓷砖面)薄抹灰施工方案_第1页
1/17
(涂料&瓷砖面)薄抹灰施工方案_第2页
2/17
(涂料&瓷砖面)薄抹灰施工方案_第3页
3/17
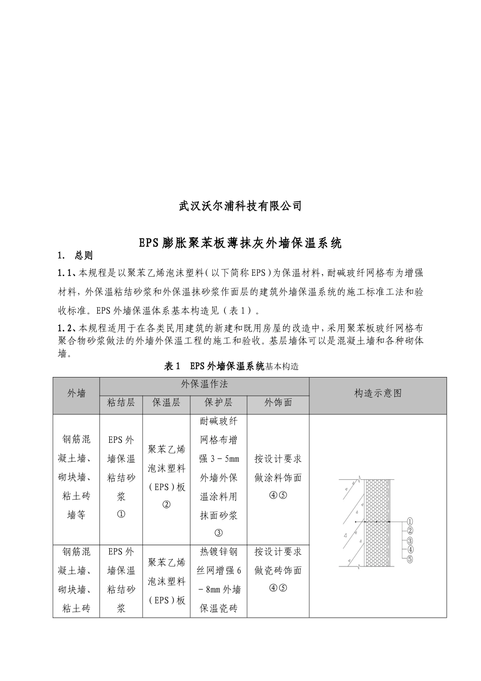
EPS膨胀聚苯板薄抹灰外墙保温系统施工技术方案武汉沃尔浦科技有限公司EPS膨胀聚苯板薄抹灰外墙保温系统1.总则1.1、本规程是以聚苯乙烯泡沫塑料(以下简称EPS)为保温材料,耐碱玻纤网格布为增强材料,外保温粘结砂浆和外保温抹砂浆作面层的建筑外墙保温系统的施工标准工法和验收标准。EPS外墙保温体系基本构造见(表1)。1.2、本规程适用于在各类民用建筑的新建和既用房屋的改造中,采用聚苯板玻纤网格布聚合物砂浆做法的外墙外保温工程的施工和验收。基层墙体可以是混凝土墙和各种砌体墙。表1EPS外墙保温系统基本构造外墙外保温作法构造示意图粘结层保温层保护层外饰面钢筋混凝土墙、砌块墙、粘土砖墙等EPS外墙保温粘结砂浆①聚苯乙烯泡沫塑料(EPS)板②耐碱玻纤网格布增强3-5mm外墙外保温涂料用抹面砂浆③按设计要求做涂料饰面④⑤钢筋混凝土墙、砌块墙、粘土砖EPS外墙保温粘结砂浆聚苯乙烯泡沫塑料(EPS)板热镀锌钢丝网增强6-8mm外墙保温瓷砖按设计要求做瓷砖饰面④⑤墙等①②用抹面砂浆③备注:除遵守本规程外,尚应遵守国家现行的有关标准的规定。2、施工准备2.1、材料准备:2.1.1聚苯乙烯泡沫塑料板:应符合《隔热用聚苯乙烯泡沫塑料》(GB10801-89)标准中阻燃型第一类的要求(见表2)板厚应根据节能设计要求确定。2.1.2保温粘结砂浆和保温抹面砂浆技术性能指标需符合表3和4要求。2.1.3耐碱玻纤维网格布(以下简称网格布):其技术要求见表5。2.1.4嵌缝材料:建筑密封膏,应符合《建筑密封膏》(JC482∽484-92)标准要求。2.1.5发泡聚乙烯圆棒:用于填塞膨胀缝,作密封膏的隔离材料,其直径按缝宽的1.3倍选用。2.1.6机械锚固件:尼龙胀栓(根据聚苯板的设计厚度采用不同规格)表2聚苯板技术要求表面密度(kg/m3)导热系数(w/m·k)吸水率%(v/v)氧指数(%)厚度偏差(mm)≥18≤0.041≤4≥30±2表3EPS外墙保温粘结砂浆技术性能指标项目性能指标拉伸胶接强度Mpa(与水泥砂浆)常温常态≥0.70耐水≥0.50抗拉胶接强度Mpa(与18±1kg/m3聚苯板)常温常态≥0.10且聚苯板破坏耐水≥0.10且聚苯板破坏可操作时间,h≥2.0表4EPS外墙保温抹面砂浆性能指标项目性能指标拉伸胶接强度Mpa常温常态≥0.70(与水泥砂浆)耐水≥0.50耐冻融≥0.50抗拉胶接强度Mpa(与18±1kg/m3膨胀聚苯板)常温常态≥0.10且聚苯板破坏耐水≥0.10且聚苯板破坏耐冻融≥0.10且聚苯板破坏可操作时间,h≥2.0柔韧性水泥基:28压折比(抗压强度/抗折强度)≤3无水泥基:开裂应变≥0.015抗裂性(厚度5mm以下)无裂纹表5耐碱玻纤维网格布技术指标网孔中心距(mm)含塑量(%)断裂应变(%)单位面积质量(g/m2)耐碱断裂强力保留值(N/50㎜)4~6≥20≤5≥160≥7502.2、工具:壁纸刀、螺丝刀、剪刀、扫帚、钢丝刷、墨斗、棕刷、电动搅拌器、冲击钻、抹子、打磨抹子、压子、阴阳角抿子、托线板、2m靠尺等。2.3、施工条件:2.3.1外墙和外门窗口施工及验收完毕,基面达到《建筑工程质量检验评定标准》(GBJ301-88)中第五章第三节“混凝土工程”中对多层大模或第六章第一节“砌块工程”中对清水墙的要求。2.3.2操作地点环境温度和基底温度不低于5℃;风力不大于5级,雨天不能施工。2.3.3清除施工基层上的浮灰、疏松物、油污和其他废弃物。油污用10%NaOH溶液擦洗并用清水冲净。3、施工工艺3.1、施工程序3.1.1、本作法按下列程序施工(见下页施工工艺流程图):3.2、施工要点:3.2.1、对新建工程的结构墙体基面必须清理干净,并检验墙面平整度和垂直度。用2m靠尺检查,最大偏差不大于5mm,超差部分应剔凿或用聚合物水泥砂浆修补平整。对旧房节能改造,应彻底清理不利于粘贴聚苯板的原外墙面层,用水泥砂浆修补缺馅,加固找平。3.2.2、根据图纸要求,在墙面弹出外门窗控制线、膨胀缝线及膨胀缝宽度线等。3.2.3、外保温墙面粘贴面砖,石材等重质材料宜采用胀栓固定镀锌钢丝网抹灰或石材干挂。3.2.4、粘贴聚苯板:1)、聚苯板切割:用电热丝切割器或裁纸刀切割,标准板面尺寸为1200mm×600mm,对角线及板厚误差±2mm,非标准板按实际需要的尺寸加工,尺寸允许偏差为±2mm,大小面垂直。2)、粘结砂浆的配制:将粘结砂浆直接加水(1:0.20~0.25)搅拌均匀后静...

1、当您付费下载文档后,您只拥有了使用权限,并不意味着购买了版权,文档只能用于自身使用,不得用于其他商业用途(如 [转卖]进行直接盈利或[编辑后售卖]进行间接盈利)。
2、本站所有内容均由合作方或网友上传,本站不对文档的完整性、权威性及其观点立场正确性做任何保证或承诺!文档内容仅供研究参考,付费前请自行鉴别。
3、如文档内容存在违规,或者侵犯商业秘密、侵犯著作权等,请点击“违规举报”。

碎片内容

(涂料&瓷砖面)薄抹灰施工方案

确认删除?
VIP
微信客服
  • 扫码咨询
会员Q群
  • 会员专属群点击这里加入QQ群
客服邮箱
回到顶部