电脑桌面
添加小米粒文库到电脑桌面
安装后可以在桌面快捷访问

桥式起重机安装施工技术交底VIP免费

桥式起重机安装施工技术交底_第1页
1/6
桥式起重机安装施工技术交底_第2页
2/6
桥式起重机安装施工技术交底_第3页
3/6
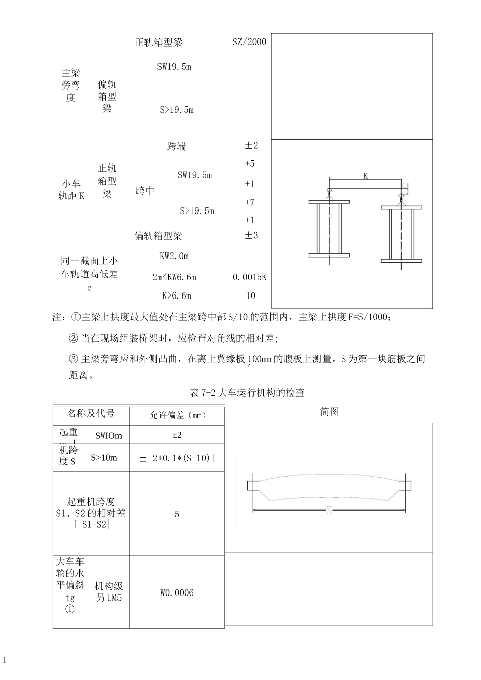
编号-TH口青岛市地铁2号线一期工程六甘来口卄十「、、工程名称乂底类别桥式起重机安装施土建一标延安路站技术交底内容及要求:一、桥式起重机安装流程见下图桥式起重机安装流程图二、安装技术要求1、桥架立柱吊装基础混凝土强度达到设计要求后,进行桥架立柱吊装。吊装前用全站仪及水准仪检查各基础预埋锚栓的位置及标高。用吊车起吊立柱,提升吊点,慢慢起吊至90°,将立柱底座与预埋锚栓对准放置,确保垂直度无误后,将底座上的缀件与预埋锚栓用高强度螺栓连接,对称、反向逐步紧固螺栓到位,螺栓一定要上普通垫片和弹簧垫片。立柱稳定后,吊车方可完全松钩。2、桥架轨道吊装I立柱安装完成后,进行轨道吊装。首先检查轨道安装材料(压板,螺拴等)是否同轨道相符。然后校直轨道。吊装轨道,上压板螺栓。检测和调整轨道精度,使之符合要求。3、桥架走行大梁吊装桥架走行大梁是由两组箱型主梁、两根箱型端梁所组成。吊装时采用分片吊装方式,用吊车进行吊装。吊装前,应在大梁两端系上棕绳,以便空中摆动和就位。起吊时,还要检查大车车轮转动是否灵活。待两组箱型主梁都就位后,在端梁中部用螺栓将两片箱型主梁连接起来,螺栓拧紧的顺序应从中间向四周进行。4、小车吊装走行大梁安装牢固后进行小车吊装。在经调整消除运输变形后就可以直接吊装到走行大梁上。小车不得有三条腿的情况,否则,要在悬空车轮的轴承箱下或者轨道下进行加垫调整,且只能垫一层,轨道下加垫时必须置于主梁筋板处,两端焊接固定。5、其他零部件安装大梁安装完毕后再进行安装爬梯、各部分平台、吊装司机室操纵室等组装到起重机上,屋顶檩条及屋面吊装并连接牢固,做好防台风措施。然后补涂切割焊接处油漆。6、电气系统安装最后安装大车电缆卷线器、供电电线、连接线、大车限位装置等。电气安装要严格按照电气原理图进行安装,各安全开关控制应灵敏准确,各制动器工作应可靠。7、起重机的安装偏差起重机的安装偏差应符合表7-1、7-2、7-3的规定。表7-1组装桥架检查表名称及代号允许偏|简图主梁上拱度F+0.4F-0.1F对角线LI、L2的相对差正轨箱型梁5IL1-L2|偏轨箱型梁10I正轨箱型梁主梁旁弯度SW19.5m小车轨距K偏轨箱型梁正轨箱型梁跨中S>19.5m跨端SW19.5mS>19.5m偏轨箱型梁同一截面上小车轨道高低差cKW2.0m2m6.6mSZ/2000±2+5+1+7+1±30.0015K10注:①主梁上拱度最大值处在主梁跨中部S/10的范围内,主梁上拱度F=S/1000;②当在现场组装桥架时,应检查对角线的相对差;③主梁旁弯应和外侧凸曲,在离上翼缘板100mm的腹板上测量。S为第一块筋板之间Z距离。表7-2大车运行机构的检查名称及代号允许偏差(mm)起重4-H口SWIOm±2机跨度SS>10m±[2+0.1*(S-10)]起重机跨度S1、S2的相对差丨S1-S2|5大车车轮的水平偏斜tg①机构级另UM5W0.0006简图同一端梁下大车2车轮同位差表7-3起重机安装偏差表8、起重机的调试(1)、试车前的检验和准备关闭电源,按设计和技术要求检查各固定件连接是否牢固,各传动机械装配是否灵活,金属结构是否变形,钢丝绳在滑轮和卷筒上的缠绕情况。检查起重机的安装架设是否符合安装架设的规定,检查电路和所有电器设备的绝缘电阻。各润滑点加注润滑油。保证电气设备工作正常,其中特别注意限位开关、安全开关和紧急开关的工作可靠性。在电动机与运行机构断开的情况下分别驱动大车电机,检查电动机运转方向是否一致。防止在起重机上参加试验的人员触及带电设备。(2)、无负荷试运转用手转动各机构的制动轮,使车轮轴或卷筒轴在一周内不得有卡住现象。分别对大车运行机构、小车运行机构、起升机构空载通电试车,各机构应正常运转,小车运行时,主动轮应在轨道全长上接触。检查各开关电否安全可靠。电缆的松紧腰适当,能顺利的收放。(3)、负荷试运转无负荷试运转正常后,才允许进行负荷试运转。静负荷试车小车起升负荷(逐渐增至额定负荷),在行走大梁上往返运行,检验各性能是否达到要求。卸去负荷,使小车停在走行大梁中间,定出测量基准点。起升1.25额定负荷,离地面1米左右,停悬10分钟,然后卸去负荷,检查行走大梁是否永久变形。,最多在三次检查后不再产生永久变形时,将小车开至行走大梁端部...

1、当您付费下载文档后,您只拥有了使用权限,并不意味着购买了版权,文档只能用于自身使用,不得用于其他商业用途(如 [转卖]进行直接盈利或[编辑后售卖]进行间接盈利)。
2、本站所有内容均由合作方或网友上传,本站不对文档的完整性、权威性及其观点立场正确性做任何保证或承诺!文档内容仅供研究参考,付费前请自行鉴别。
3、如文档内容存在违规,或者侵犯商业秘密、侵犯著作权等,请点击“违规举报”。

碎片内容

桥式起重机安装施工技术交底

确认删除?
VIP
微信客服
  • 扫码咨询
会员Q群
  • 会员专属群点击这里加入QQ群
客服邮箱
回到顶部