电脑桌面
添加小米粒文库到电脑桌面
安装后可以在桌面快捷访问

GBF蜂巢芯空心楼盖在建筑工程中的应用VIP免费

GBF蜂巢芯空心楼盖在建筑工程中的应用_第1页
1/5
GBF蜂巢芯空心楼盖在建筑工程中的应用_第2页
2/5
GBF蜂巢芯空心楼盖在建筑工程中的应用_第3页
3/5
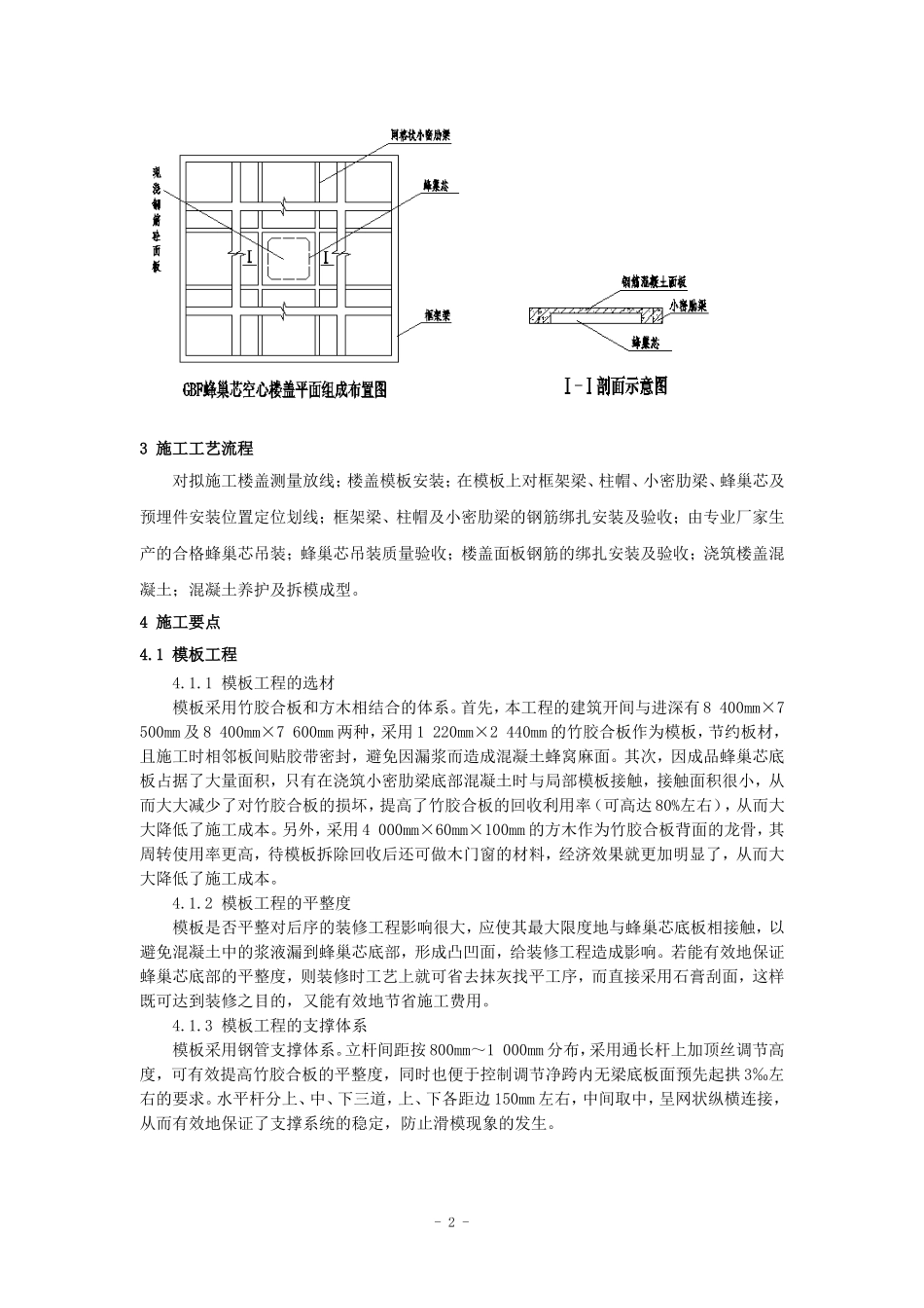
GBF蜂巢芯空心楼盖在建筑工程中的应用高智(山西水利职业技术学院,运城044004)摘要:结合山西水利职业技术学院教学楼工程,详细介绍了GBF蜂巢芯空心楼盖的设计原理、施工工艺流程以及施工中应控制的几个施工要点。关键词:蜂巢芯;空心楼盖;设计原理;施工流程;施工要点中图分类号:TU201文献标识码:B1GBF蜂巢芯空心楼盖概述蜂巢芯是一种高强的薄壁复合材料芯盒,其结构似蜂窝,是由高强度的水泥砂浆和玻璃纤维通过大型设备压制而成,空腔封闭。其最大优点是:结构好,重量轻,造价低,施工速度快。近年来,GBF蜂巢芯空心楼盖施工技术在湖南、湖北、浙江、福建等南方省份应用较多,而在北方则较少采用。目前,山西省仅在太原市有两项工程采用该施工技术,山西水利职业技术学院教学大楼应用此项技术在山西运城尚属首例。该工程位于运城市安邑水库湖心岛上,地基承载力相对较弱,教学楼整体结构类型为框架─剪力墙结构,建筑物地上八层,地下一层,高37.20m,总建筑面积为19751.34m2,地基荷载相对较大。为有效减轻地基上部建筑物的自重,获得良好的建筑隔音效果,提高其适用性,在该工程楼板施工中采用了GBF蜂巢芯空心楼盖施工技术。目前,该工程已经完工,并通过了竣工验收,工程质量评定为优良。2设计原理GBF蜂巢芯空心楼盖隶属于空腹小密肋楼盖的范畴。即在现浇钢筋混凝土楼板中预埋空心蜂巢芯,形成网格状密肋梁传力的双向肋空心楼板,达到楼板刚度基本不变的情况下,大幅度抽空混凝土,减轻楼板自重,减少钢筋用量的目的。同时,因采用了蜂巢芯空心结构体系,而实现了建筑物内大开间无梁或少梁、隔音、隔热、灵活分隔的意愿。该结构是由现浇钢筋混凝土框架暗梁(或明梁)、小密肋梁、现浇钢筋混凝土面板及预制的非拆除式肋间蜂巢芯等组成的楼盖结构,具体见图1及图2。-1-3施工工艺流程对拟施工楼盖测量放线;楼盖模板安装;在模板上对框架梁、柱帽、小密肋梁、蜂巢芯及预埋件安装位置定位划线;框架梁、柱帽及小密肋梁的钢筋绑扎安装及验收;由专业厂家生产的合格蜂巢芯吊装;蜂巢芯吊装质量验收;楼盖面板钢筋的绑扎安装及验收;浇筑楼盖混凝土;混凝土养护及拆模成型。4施工要点4.1模板工程4.1.1模板工程的选材模板采用竹胶合板和方木相结合的体系。首先,本工程的建筑开间与进深有8400mm×7500mm及8400mm×7600mm两种,采用1220mm×2440mm的竹胶合板作为模板,节约板材,且施工时相邻板间贴胶带密封,避免因漏浆而造成混凝土蜂窝麻面。其次,因成品蜂巢芯底板占据了大量面积,只有在浇筑小密肋梁底部混凝土时与局部模板接触,接触面积很小,从而大大减少了对竹胶合板的损坏,提高了竹胶合板的回收利用率(可高达80%左右),从而大大降低了施工成本。另外,采用4000mm×60mm×100mm的方木作为竹胶合板背面的龙骨,其周转使用率更高,待模板拆除回收后还可做木门窗的材料,经济效果就更加明显了,从而大大降低了施工成本。4.1.2模板工程的平整度模板是否平整对后序的装修工程影响很大,应使其最大限度地与蜂巢芯底板相接触,以避免混凝土中的浆液漏到蜂巢芯底部,形成凸凹面,给装修工程造成影响。若能有效地保证蜂巢芯底部的平整度,则装修时工艺上就可省去抹灰找平工序,而直接采用石膏刮面,这样既可达到装修之目的,又能有效地节省施工费用。4.1.3模板工程的支撑体系模板采用钢管支撑体系。立杆间距按800mm~1000mm分布,采用通长杆上加顶丝调节高度,可有效提高竹胶合板的平整度,同时也便于控制调节净跨内无梁底板面预先起拱3‰左右的要求。水平杆分上、中、下三道,上、下各距边150mm左右,中间取中,呈网状纵横连接,从而有效地保证了支撑系统的稳定,防止滑模现象的发生。-2-4.2钢筋工程1)密肋梁放线定位后,进行钢筋绑扎,应充分保证钢筋与蜂巢芯之间足够的混凝土保护层。2)蜂巢芯上部的板筋原则上采用通长筋,否则应在板跨中1/3处搭接;摆放钢筋时,应注意同一方向的放在同一平面上,避免钢筋交错而影响其平整度,有利于混凝土保护层的控制。3)垫块的规格应满足钢筋保护层的要求,且支垫牢固。4)穿插进行安装工程,准确进行水电管、线、盒等的预埋敷设,并固...

1、当您付费下载文档后,您只拥有了使用权限,并不意味着购买了版权,文档只能用于自身使用,不得用于其他商业用途(如 [转卖]进行直接盈利或[编辑后售卖]进行间接盈利)。
2、本站所有内容均由合作方或网友上传,本站不对文档的完整性、权威性及其观点立场正确性做任何保证或承诺!文档内容仅供研究参考,付费前请自行鉴别。
3、如文档内容存在违规,或者侵犯商业秘密、侵犯著作权等,请点击“违规举报”。

碎片内容

GBF蜂巢芯空心楼盖在建筑工程中的应用

您可能关注的文档

墨香书阁+ 关注
实名认证
内容提供者

热爱教学事业,对互联网知识分享很感兴趣

确认删除?
VIP
微信客服
  • 扫码咨询
会员Q群
  • 会员专属群点击这里加入QQ群
客服邮箱
回到顶部