电脑桌面
添加小米粒文库到电脑桌面
安装后可以在桌面快捷访问

金属板材屋面VIP免费

金属板材屋面_第1页
1/10
金属板材屋面_第2页
2/10
金属板材屋面_第3页
3/10
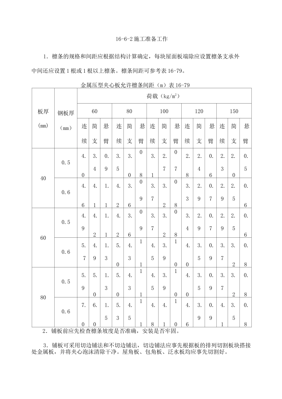
t333.3t333-3.1朝彩色涂层钢詁16-6金属板材屋面金属板材屋面是指采用金属板材作为屋盖材料,将结构层和防水层合二为一的屋盖形式。金属板材的种类很多,有锌板、镀铝锌板、铝合金板、铝镁合金板、钦合金板、铜板、不锈钢板等。厚度一般为0.4~1.5mm,板的表面一般进行涂装处理。由于材质及涂层质量的不同,有的板寿命可达50年以上。板的制作形状有多种多样,有的为复合板,即将保温层复合在两层金属板材之间,也有的为单板。施工时,有的板在工厂加工好后现场组装,有的根据屋面工程的需要在现场加工。保温层有的在工厂复合好,也可以在现场制作。所以金属板材屋面形式多样,从大型公共建筑到厂房、库房、住宅等均有使用。故规范规定金属板材屋面的适用范围为防水等级为I~III级的屋面。16-6-1材料要求16-6-1-1金属板材的规格及技术性能金属板材目前使用较多的是金属压型夹心板,其规格及技术性能可参考表16-77和图16-43。金属板材应边缘整齐、表面光滑、外形规则,不得有扭翘、锈蚀等缺陷。图16-43金属压型夹心板断面金属板材规格性能表16-77项目规格和性能屋面板宽度(mm)1000屋面板每块长度(m)<12屋面板厚度(mm)406080板材厚度(mm)0.50.60.50.60.50.6适用温度范围(°C)-50~120耐火极限(h)0.6重量(kg/m2)121413151416屋角板、泛水板屋脊板厚度0.6~0.7(mm)16-6-1-2金属板材连接件及密封材料的要求金属板材连接件及密封材料参见表16-78。连接件及密封材料的材料要求表16-78材料名称材料要求自攻螺栓6.3mm、45号钢镀锌、塑料帽拉铆钉铝质抽芯拉铆钉压盖不锈钢密封垫圈乙丙橡胶垫圈密封材料丙烯酸、硅酮密封膏、丁基密封胶条16-6-1-3金属板材保管运输的要求金属板材的堆放场地应平坦、坚实,且便于排除地面水,堆放时应分层,并每隔3~5m处加放垫木。人工搬运时不得扳单层钢板处,机械运输时应有专用吊具包装。16-6-2施工准备工作1.檩条的规格和间距应根据结构计算确定,每块屋面板端除应设置檩条支承外中间还应设置1根或1根以上檩条。檩条间距可参考表16-79。金属压型夹心板允许檩条间距(m)表16-79板厚(mm)钢板厚(mm)荷载(kg/m2)6080100120150连续简支悬臂连续简支悬臂连续简支悬臂连续简支悬臂连续简支悬臂4.3.0.3.3.0.3.2.0.2.2.0.2.2.0.400.50495081778463054.4.1.4.3.0.3.3.0.3.2.0.2.2.0.0.66112697283979564.4.1.4.3.0.3.3.0.3.2.0.2.2.0.600.59212697284979565.4.1.5.4.1.4.3.1.4.3.0.3.3.0.0.67930315900597285.5.1.5.4.1.4.3.1.4.3.0.3.3.0.800.59030315900597287.6.1.5.4.1.4.4.1.4.3.0.4.3.0.0.60053518106991582.铺板前应先检查檩条坡度是否准确,安装是否牢固。3.铺板可采用切边铺法和不切边铺法,切边铺法应事先根据板的排列切割板块搭接处金属板,并将夹心泡沫清除干净。屋角板、包角板、泛水板均应事先切割好。16-6-3金属板材屋面施工1.金属板材屋面的施工工艺(图16-44)基层清理配板铺钉金属板材I检查验收I淋水试验图16-44金属板材屋面施工工艺2.屋面坡度不应小于1/20,亦不应大于1/6;在腐蚀环境中屋面坡度不应小于1/12。3.屋面板采用切边铺法时,上下两块板的板峰应对齐;不切边铺法时,上下两块板的板峰应错开一波,如图16-45所示。铺板应挂线铺设,使纵横对齐,横向搭接不小于一个波,长向(侧向)搭接,应顺年最大频率风向搭接,端部搭接应顺流水方向搭接,搭接长度不应小于200mm。屋面板铺设从一端开始;往另一端同时向屋脊方向进行,铺设顺序按图16-46进行。攜开一彼432I扳宽1000(a)⑹图16-45切边铺法与不切边铺法搭接示意图(a)不切边铺法;(b)切边铺法一稱板年最大频率风向..1尸r\铺■F>■板=———=5Pn;檐口铺板图16-46铺板方向4.每块金属板材两端支承处的板缝均应用M6.3自攻螺栓与檩条固定,中间支承处应每隔一个板峰用M6.3自攻螺栓与擦条固定,如图16-47。钻孔时,应垂直不偏斜,将板与檩条一起钻穿,螺栓固定前,先垫好长短边的密封条,套上橡胶密封垫圈和不锈钢压盖一起拧紧。9_】0厚不锈搁庄盖~j—2X20通區密封胶带图16-47金属压型夹心板铺设檩条布置5.铺板时两板长向搭接间应放置一条通长密封条,端头应放置二条密封条(包括...

1、当您付费下载文档后,您只拥有了使用权限,并不意味着购买了版权,文档只能用于自身使用,不得用于其他商业用途(如 [转卖]进行直接盈利或[编辑后售卖]进行间接盈利)。
2、本站所有内容均由合作方或网友上传,本站不对文档的完整性、权威性及其观点立场正确性做任何保证或承诺!文档内容仅供研究参考,付费前请自行鉴别。
3、如文档内容存在违规,或者侵犯商业秘密、侵犯著作权等,请点击“违规举报”。

碎片内容

金属板材屋面

您可能关注的文档

wxg+ 关注
实名认证
内容提供者

该用户很懒,什么也没介绍

相关文档

确认删除?
VIP
微信客服
  • 扫码咨询
会员Q群
  • 会员专属群点击这里加入QQ群
客服邮箱
回到顶部