电脑桌面
添加小米粒文库到电脑桌面
安装后可以在桌面快捷访问

汽车吊性能参数表VIP专享VIP免费

汽车吊性能参数表_第1页
1/19
汽车吊性能参数表_第2页
2/19
汽车吊性能参数表_第3页
3/19
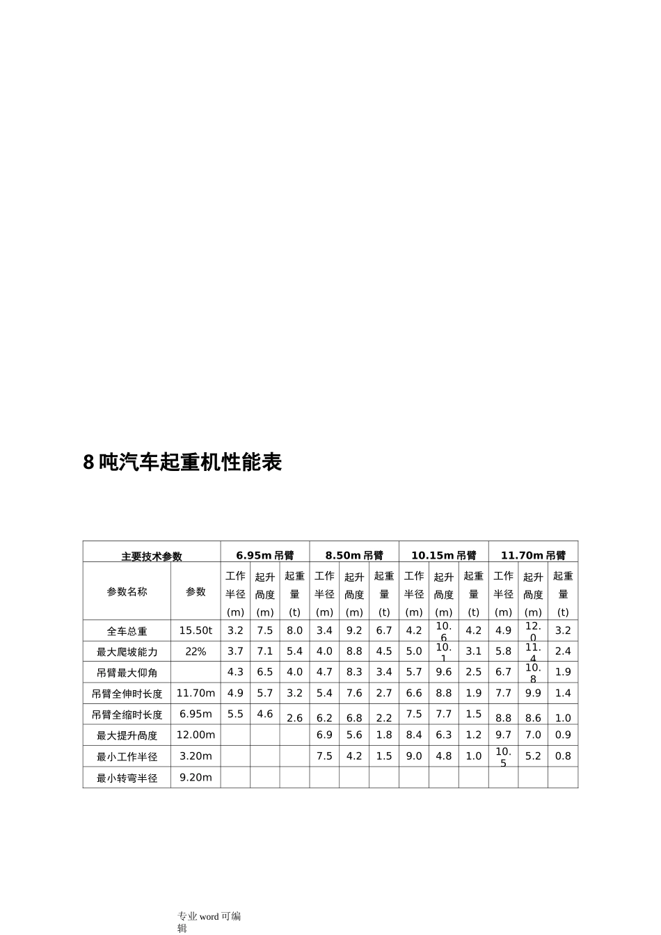
专业word可编辑目录8吨汽车起重机性能表220吨汽车吊机额定性能表325吨汽车起重机起重性能表(主臂)530吨汽车起重机性能表(一)750吨汽车起重机性能表(主表)980吨汽车起重机起重性能表(一)12120吨汽车起重机起重性能表14150吨汽车起重机性能表(一)15150吨汽车起重机性能表(二)16200吨汽车吊车18专业word可编辑8吨汽车起重机性能表主要技术参数6.95m吊臂8.50m吊臂10.15m吊臂11.70m吊臂参数名称参数工作半径(m)起升咼度(m)起重量(t)工作半径(m)起升咼度(m)起重量(t)工作半径(m)起升咼度(m)起重量(t)工作半径(m)起升咼度(m)起重量(t)全车总重15.50t3.27.58.03.49.26.74.210.64.24.912.03.2最大爬坡能力22%3.77.15.44.08.84.55.010.13.15.811.42.4吊臂最大仰角4.36.54.04.78.33.45.79.62.56.710.81.9吊臂全伸时长度11.70m4.95.73.25.47.62.76.68.81.97.79.91.4吊臂全缩时长度6.95m5.54.62.66.26.82.27.57.71.58.88.61.0最大提升咼度12.00m6.95.61.88.46.31.29.77.00.9最小工作半径3.20m7.54.21.59.04.81.010.55.20.8最小转弯半径9.20m专业word可编辑20吨汽车吊机额定性能表回转半径(m)主臂长度(m)主臂+付臂10.212.5814.9717.3519.7322.1224.524.5+7.5专业word可编辑3.0203.517.215.94.014.614.612.64.512.7512.711.710.55.011.611.311.39.75.510.4510109.18.16.09.3998.57.66.97.07.247.37.417.26.76.15.58.05.996.16.176.225.95.459.05.135.215.255.34.84.510.04.354.434.484.524.442.112.03.263.323.363.393.411.714.02.492.532.562.581.416.01.91.941.961.218.01.451.47120.01.080.8822.00.760.7524.00.6327.00.5专业word可编辑25吨汽车起重机起重性能表(主臂)工作半径(m)吊臂长度(m)10.213.7517.320.8524.427.9531.532517.53.520.617.512.29.541817.512.29.54.516.315.312.29.57.5514.514.412.29.57.55.513.513.212.29.57.57612.312.211.39.27.575.16.511.21110.58.87.575.1710.2109.88.57.275.17.59.49.29.18.16.86.75.188.68.48.47.86.66.45.18.587.97.87.46.37.2597.276.866.14.81065.85.65.65.34.41244.14.14.23.93.7142.933.12.93162.22.32.22.3181.61.81.71.7201.31.31.32210.91240.70.8260.50.5280.4290.330专业word可编辑25吨汽车起重机起重性能表(副臂)主臂主角7.5副臂副臂倾角5度副臂倾角30度80度2.51.2575度2.51.2570度2.051.1565度1.751.160度1.551.0555度1.31.050度1.050.8专业word可编辑30吨汽车起重机性能表(一)主要技术参数主臂起重性能工作半径(m)支腿全伸不用支腿名称参数10.00m17.00m24.00m31.00m10.00m全车总重32.2t3.0030.0020.008.00最大爬坡能力31%3.3530.0020.007.00最大提升咼度34.00m3.5028.1020.006.40吊臂全伸时长度31.00m4.0024.2020.005.10吊臂全缩时长度10.00m4.5021.4020.0013.004.20最小转弯半径11.50m4.820.0020.0013.003.70最大仰角80°5.019.2019.2013.003.4030t吊钩重0.35t5.517.5017.5013.002.8012t吊钩重0.20t6.016.0016.0013.002.304t吊钩重0.10t6.514.6014.6013.009.001.9010m吊臂时钢丝绳数8根7.013.5013.5012.009.001.60吊臂角度工作半径使用8.45m副臂倾角5°80°7.94.0078.5°9.54.0078°10.23.8076°11.23.3074°12.22.9072°13.42.7070°14.62.5068°16.02.3566°17.32.2064°18.52.1062°19.82.05吊臂角度工作半径使用13.5m副臂倾角5°80°9.32.5077°12.02.5076°12.72.3574°14.12.1072°15.61.9570°17.11.8068°18.51.6566°19.91.5064°21.31.4062°22.71.3060°24.01.20专业word可编辑10-17m时钢丝绳数5根7.512.0012.0011.209.001.3024m时钢丝绳数4根8.010.5010.5010.509.001.0031m时钢丝绳数3根8.59.409.409.009.87.207.207.7010.06.956.957.5011.05.805.806.4012.04.904.905.5514.03.453.454.2016.02.503.2018.01.802.4520.01.301.9022.00.851.5024.01.1026.00.7527.00.6530吨汽车起重机性能表(二)专业word可编辑60°20.71.8558°25.31.1558°21.91.6555°27.11.0555°23.61.3054°27.70.9554°24.11.1552°28.80.8052°25.00.9550°29.90.6550°25.80.7548°30.90.5548°26.80.60注:1、若副臂在工作位...

1、当您付费下载文档后,您只拥有了使用权限,并不意味着购买了版权,文档只能用于自身使用,不得用于其他商业用途(如 [转卖]进行直接盈利或[编辑后售卖]进行间接盈利)。
2、本站所有内容均由合作方或网友上传,本站不对文档的完整性、权威性及其观点立场正确性做任何保证或承诺!文档内容仅供研究参考,付费前请自行鉴别。
3、如文档内容存在违规,或者侵犯商业秘密、侵犯著作权等,请点击“违规举报”。

碎片内容

汽车吊性能参数表

确认删除?
VIP
微信客服
  • 扫码咨询
会员Q群
  • 会员专属群点击这里加入QQ群
客服邮箱
回到顶部