电脑桌面
添加小米粒文库到电脑桌面
安装后可以在桌面快捷访问

港口装卸工艺——第四章 集装箱装卸工艺VIP免费

港口装卸工艺——第四章 集装箱装卸工艺_第1页
1/21
港口装卸工艺——第四章 集装箱装卸工艺_第2页
2/21
港口装卸工艺——第四章 集装箱装卸工艺_第3页
3/21
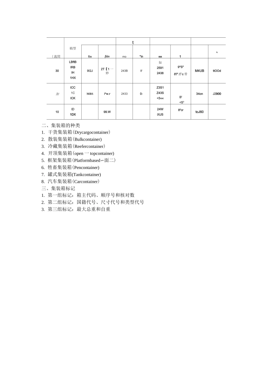
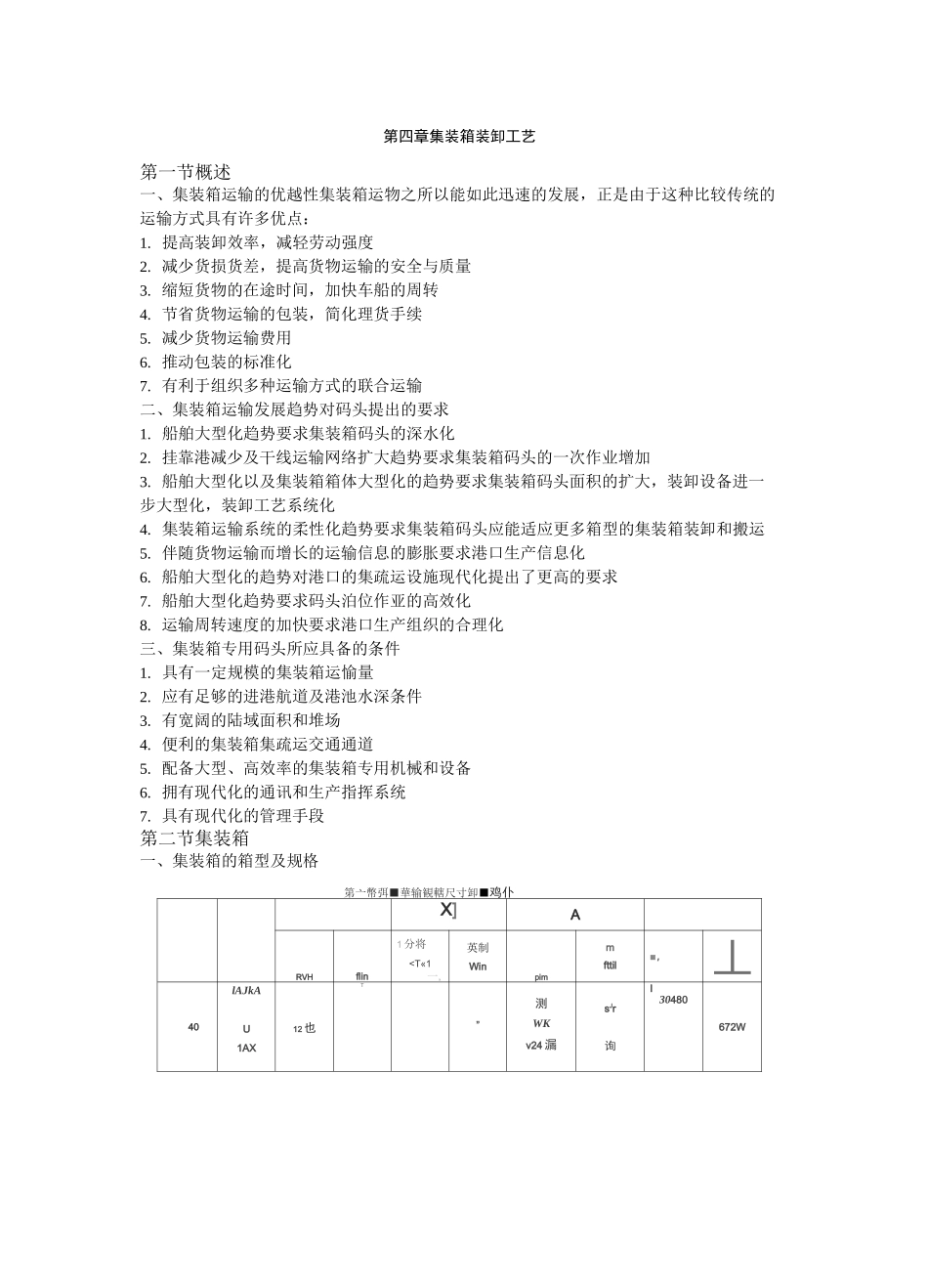
第四章集装箱装卸工艺第一节概述一、集装箱运输的优越性集装箱运物之所以能如此迅速的发展,正是由于这种比较传统的运输方式具有许多优点:1.提高装卸效率,减轻劳动强度2.减少货损货差,提高货物运输的安全与质量3.缩短货物的在途时间,加快车船的周转4.节省货物运输的包装,简化理货手续5.减少货物运输费用6.推动包装的标准化7.有利于组织多种运输方式的联合运输二、集装箱运输发展趋势对码头提出的要求1.船舶大型化趋势要求集装箱码头的深水化2.挂靠港减少及干线运输网络扩大趋势要求集装箱码头的一次作业增加3.船舶大型化以及集装箱箱体大型化的趋势要求集装箱码头面积的扩大,装卸设备进一步大型化,装卸工艺系统化4.集装箱运输系统的柔性化趋势要求集装箱码头应能适应更多箱型的集装箱装卸和搬运5.伴随货物运输而增长的运输信息的膨胀要求港口生产信息化6.船舶大型化的趋势对港口的集疏运设施现代化提出了更高的要求7.船舶大型化趋势要求码头泊位作亚的高效化8.运输周转速度的加快要求港口生产组织的合理化三、集装箱专用码头所应具备的条件1.具有一定规模的集装箱运愉量2.应有足够的进港航道及港池水深条件3.有宽阔的陆域面积和堆场4.便利的集装箱集疏运交通通道5.配备大型、高效率的集装箱专用机械和设备6.拥有现代化的通讯和生产指挥系统7.具有现代化的管理手段第二节集装箱一、集装箱的箱型及规格第亠幣弭■華输観轄尺寸卸■鸡仆X]ARVHflin1分将,一皿TOCTO1ttHf1VhKrwIFWiSCPscn翳比普EWRz*e■欄H尺才代号哀我49■欄H尺才代号哀我49武号參周号■愷迂弋乳息czWfuriC世」SI吒孔月■囲425/治灑树W12_韩艸上F方ift丽见忸淮瞅通風道Ml无風Ifl曲谗莉机帔運凤娄矍倆發右机It逮風叢■13:18n陽划式的RM«XIT1H19XEJI矗脊闵那阳黑黑It符膻酌"不關AW或灌«.即星翕內廿馬琳的BK1B加扁恥h備—SdW/Tc]益是各丙切用Rl昴黑沖威的,甬加黑设备的■趙忆n*Mwai£A«s##TW£%v的ftttM小犹车K茕描:|P28■於式——用if賂制净制K厚武——用机植慕底…:::30至31商處的「章甫图定式抽过福持址备.餾郎持竄妊曬内ms歸定草…#HE也号frtE冲■*4夕卜桶设書吐揮却40414243::崛至竝世着西・用届魁JH抑成.僭冇挥卸式网矗虑M苗股善舉林肇啊内狙廈囲毘或禅静在商隈定的庖團曲.跖削關坤*價R.町0.4帮川詔•£》…一■祇两・开门-*««(1开门・Stfl{星序砂举呵拆印-4W审曙和--■啦拥■开门-場或関■幵门*■傭曲属■斤门”増椎躍—5059—单粧上.无上鼎姑押.卑群顶处曙何區册件i:蛆乂.上环悴种用幵仝"击先宦囲皇的梢・書擁式.上邸蜻料车弃荃.打因lit世柱対規盅”上髀站槪不弄全,有用幕可折■的遂«斥畢式,上堀培料不疔全■轉可折it的文枪总舉式.t将境粘齐会・龙團璋■冇解廉幡架屯上婷箱恂芥金”£M«.ttfffr.SEit.上邮细忡齐全r无#比豪)閒Ai0阳&5Gb67检至宜的鶯装耶可楂用利甲的廉定軻抒吊设LC36■运力45kFi重■氏力3如曲试軽压力血血创...

1、当您付费下载文档后,您只拥有了使用权限,并不意味着购买了版权,文档只能用于自身使用,不得用于其他商业用途(如 [转卖]进行直接盈利或[编辑后售卖]进行间接盈利)。
2、本站所有内容均由合作方或网友上传,本站不对文档的完整性、权威性及其观点立场正确性做任何保证或承诺!文档内容仅供研究参考,付费前请自行鉴别。
3、如文档内容存在违规,或者侵犯商业秘密、侵犯著作权等,请点击“违规举报”。

碎片内容

港口装卸工艺——第四章 集装箱装卸工艺

您可能关注的文档

确认删除?
VIP
微信客服
  • 扫码咨询
会员Q群
  • 会员专属群点击这里加入QQ群
客服邮箱
回到顶部