电脑桌面
添加小米粒文库到电脑桌面
安装后可以在桌面快捷访问

折弯机操作说明3VIP免费

折弯机操作说明3_第1页
1/7
折弯机操作说明3_第2页
2/7
折弯机操作说明3_第3页
3/7
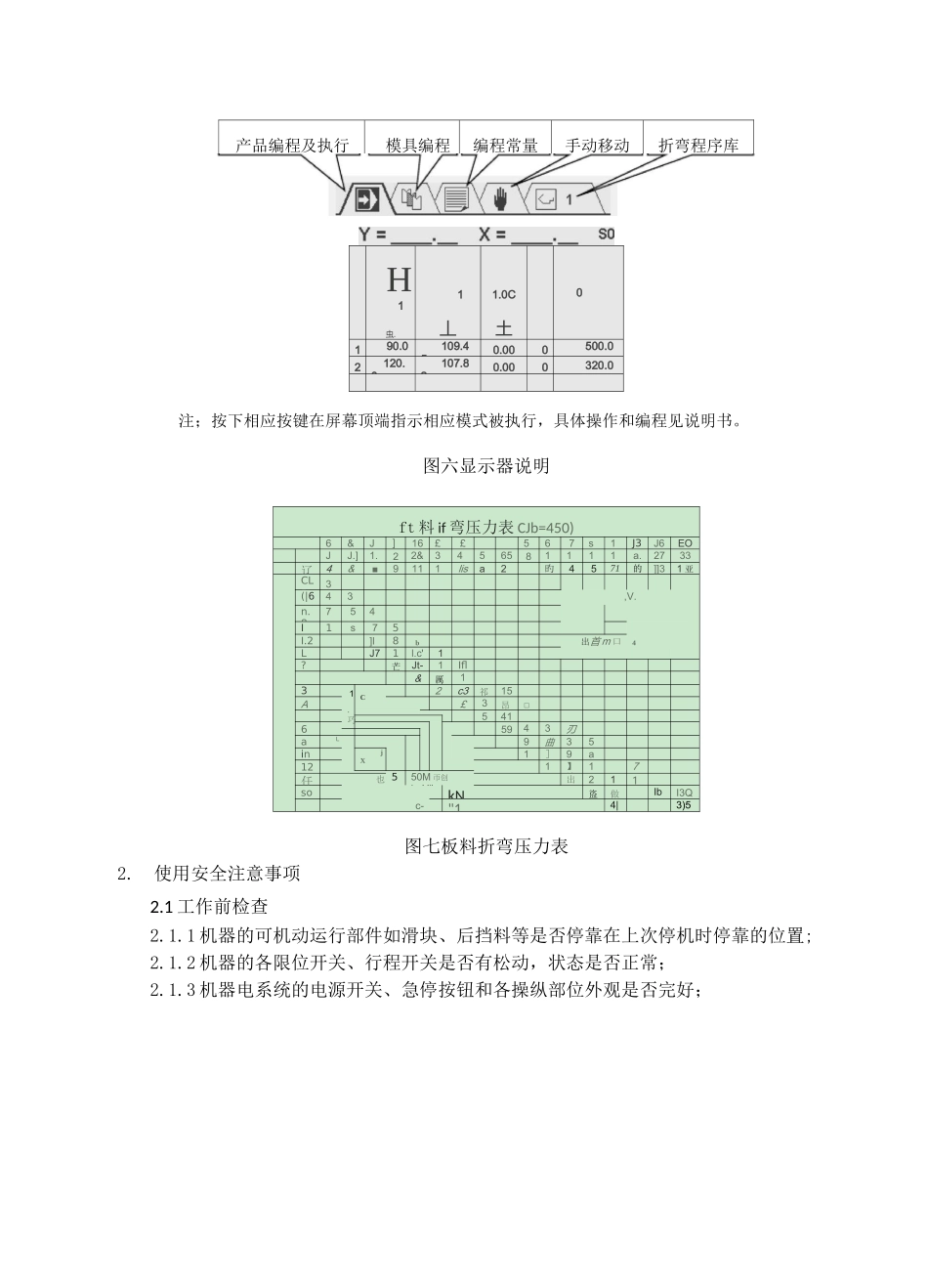
1.设备组成及系统结构介绍图二电控箱面板图折弯机操作规程电控箱前面板折弯模具脚踏开关操作杆急停开关图一剪板机系统结构组成图油泵启动按钮油泵停止按钮电源开关急停开关钥匙开关键盘板包含以下按键:◎10个数字按键(0—9);◎小数点;◎正负号;◎清除键,用于清除参数值;◎确认键,用于确认输入值;◎箭头键,用于选择各种参数;◎停止键,(包含状态指示LED灯);◎启动键,(包含状态指示LED灯)图五前面板说明键盘板图三前面板图曰TO显示器❶■«-xHn!3「nEIm回一FP图四脚踏开关踏板图显示器荫头键停止揆启功谍产品编程及执行模具编程编程常量手动移动折弯程序库H1虫.1丄1.0C土0190.0109.450.000500.02120.0107.820.000320.0注;按下相应按键在屏幕顶端指示相应模式被执行,具体操作和编程见说明书。图六显示器说明ft料if弯压力表CJb=450)6&J]16££567s1J3J6EOJJ.]1.622&33456581D1B131ga.2733辽4&■9111lisa2旳4571的]]31亚CL53(|643,V.n.8754I11s754I.2]l8b出首m口LJ71l.c'1?芒Jt-1Ifl&厲1631.巧C2c3祁15A£35昂□5416594739刃aLi93曲3958injX1]的9a1215】沪11755:50M帀创bpYi'任也J出£|211soc-kN盜做Ib3I3Q"14|03)5图七板料折弯压力表2.使用安全注意事项2.1工作前检查2.1.1机器的可机动运行部件如滑块、后挡料等是否停靠在上次停机时停靠的位置;2.1.2机器的各限位开关、行程开关是否有松动,状态是否正常;2.1.3机器电系统的电源开关、急停按钮和各操纵部位外观是否完好;2.1.4电气系统的外露穿线管接地保护线等导线的外观是否完好无损;2.1.5液压、润滑的管路接头等外露部位是否有漏油现象;系统的压力表是否完好;2.1.6机器的安全防护装置如防护罩等是否完好;2.1.7机器的各操纵、调整手轮、手柄等是否完好;2.1.8检查机器各部位应当紧固的螺栓、螺钉、螺母、固定销等紧固件是否有松动;(应注意区分紧固件和调整作用的螺钉等)2.1.9发现问题及时处理,不能处理的问题应及时通知有关人员。2.2工作准备2.2.1严格遵守安全操作规程,按规定穿戴好劳动防护用品;2.2.2查看机器的各润滑部位是否需要润滑,需要时,按说明书润滑部分的要求加注润滑油(脂);2.2.3查看各可机动运行部件的行程范围内是否有其它人或可能会阻碍部件运行的杂物,如工具、废料等,如果有,必须移开;2.2.4确认机器的工作能力、模具尺寸等与被加工的工件是否适宜;2.2.5启动电机油泵,听是否有异常声响,设备启动后空运转1〜2分钟,上滑板满行程运动2〜3次,如发现有不正常声音或有故障时应立即停车,将故障排除,一切正常后方可工作;2.3操作中注意事项2.3.1操作时被压工件要放在上、下模中间并与其平行,放置平稳,折弯机在工作过程中,禁止检修或调整模具;2.3.2超过1.5米长、大工件折弯时要两人(或以上)操作,避免由于工件受力变形再松压时倾倒,不准近距离手扶被压工件;2.3.3折弯时,禁止操作人员将手放在生产模具间,窄、长小料禁止直接用手扶,可使用手钳夹持辅助操作;2.3.4一次只允许折弯一块料,不允许多块料分节同时折弯;2.3.5机床工作时,机床后部不允许站人;2.3.6运转时发现模具不正,应停车校正,严禁运转中用手校正以防伤手;2.4工作后注意事项2.4.1关机前,要将两侧油缸下方的上下模间对称垫以木块或将上模下到下模口底部;2.4.2调节阀及压力表等严禁乱调乱动,若需调节须在专业指导下进行;2.4.3在调整模具或检修时,必须关闭电源,以确保安全;2.4.4工作完毕要擦净机床,清理干净周围工作区域,将工件放在指定位置。3.使用操作步骤3.1开机按键顺序①顺时针旋转电控箱钥匙开关;②按下电控箱白色电源开关(白色开关亮);③按下绿色启动按钮(绿色启动按钮亮);④按下前面板带绿圈启动按钮;⑤踩脚踏开关左侧踏板“上”抬起上模(踩踏时间越长抬高越高);⑥将折弯件放入折弯下模折弯槽内;⑦开始折弯(按照板料折弯压力表进行参数设定)3.2折弯、取件和清理①踩脚踏开关右侧踏板“下”落下上模进行折弯;②再次踩脚踏开关左侧踏板“上”抬起上模,取出工件;③按红色按钮停止作业、按绿色启动按钮继续作业;④工作结束后关闭电控箱开关按钮、再将钥匙开关逆时针拨至“...

1、当您付费下载文档后,您只拥有了使用权限,并不意味着购买了版权,文档只能用于自身使用,不得用于其他商业用途(如 [转卖]进行直接盈利或[编辑后售卖]进行间接盈利)。
2、本站所有内容均由合作方或网友上传,本站不对文档的完整性、权威性及其观点立场正确性做任何保证或承诺!文档内容仅供研究参考,付费前请自行鉴别。
3、如文档内容存在违规,或者侵犯商业秘密、侵犯著作权等,请点击“违规举报”。

碎片内容

折弯机操作说明3

确认删除?
VIP
微信客服
  • 扫码咨询
会员Q群
  • 会员专属群点击这里加入QQ群
客服邮箱
回到顶部