电脑桌面
添加小米粒文库到电脑桌面
安装后可以在桌面快捷访问

焊接技术规范VIP免费

焊接技术规范_第1页
1/11
焊接技术规范_第2页
2/11
焊接技术规范_第3页
3/11
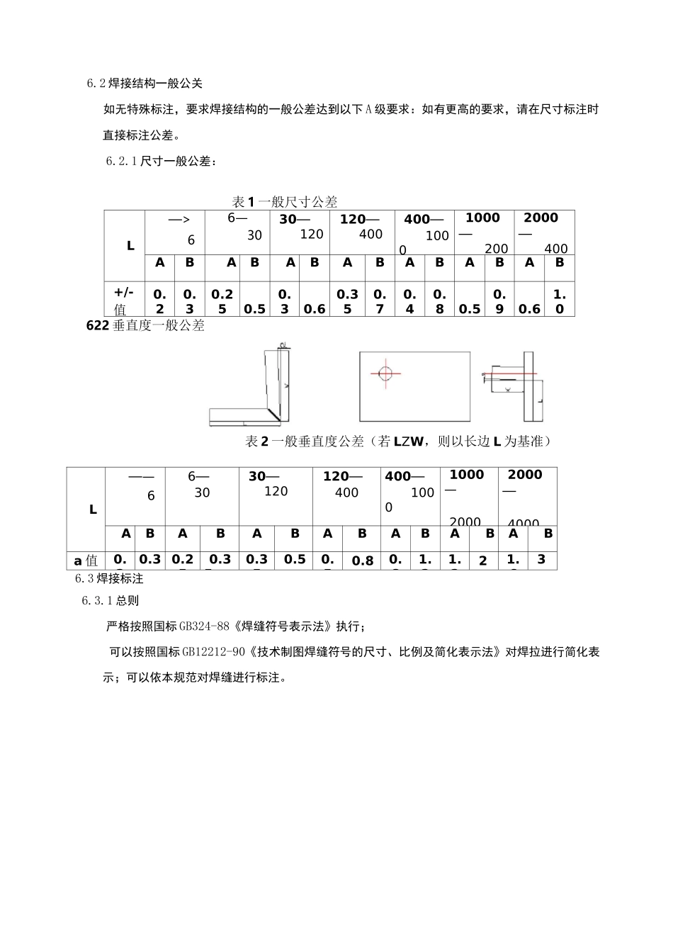
焊接技术规范1.目的:规范焊接结构件的设计、制造及检验。2.适用范围:本规范适用于本公司焊接结构件的设计、制造及检验3.引用标准:GB12212-90《技术制图焊缝符号的尺寸、比例及简化表示法》GB324-88《焊缝符号表示法》GB985-88《气焊、手工电弧焊及气体保护焊焊缝坡口的基本形式与尺寸》GB6417-86《金属熔化焊焊缝缺陷分类及说明》GB10854-894.参考标准:《钢结构焊缝外形尺寸》JB/T6753.4-93《电工设备的设备购体公差焊接结构的一般公差》5.基本功能描述:金属焊接是用适当的手段,使两个分离的金属的物体产生原子或分子间结合而连接成一体的连接方式。金属焊接是一种广泛采用的工艺手段。6.技术要求:6.1焊接结构设计一般原则:电子设备结构设计中经常彩焊接结构形式。在设计时应遵循一定的原则:6.1.1电子设备的结构件采用薄板类材料居多,如冷轧钢板,不锈钢板等,这类薄板件焊接变形较大,外协厂加工多彩二氧化碳保护焊和氩弧焊,生产效率较低,焊接后焊缝的打磨,消除应力集中和消除变形等增加了工艺步骤与成本。建议结构设计中尽可能避免焊接结构。6.1.2焊接结构设计中应尽可能减少焊接量。对角焊缝而言,在保证强度的基础上,尽可能采用最小的焊脚尺寸。6.1.3为控制焊接变形,应合理布置焊缝。如有对称轴的焊接结构,焊缝应对称和分布6.1.4必须在结构上保证每条焊缝能够方便地施焊和进行质量检查,焊缝周围要有足够的焊接和质量检查操作空间。6.1.5电子设备结构往往从防锈的角度考虑对结构件进行电镀等电化学处理,如果焊接件整体电镀,需避免有截留电镀液的焊接结构,这种截留在焊接结构缝隙中的化学溶液会加速结构件的锈蚀。6.2焊接结构一般公关如无特殊标注,要求焊接结构的一般公差达到以下A级要求:如有更高的要求,请在尺寸标注时直接标注公差。6.2.1尺寸一般公差:表1一般尺寸公差L—>66—3030—120120—400400—10001000—2002000—400ABABABABABABAB+/-值0.20.30.250.50.30.60.350.70.40.80.50.90.61.0622垂直度一般公差表2一般垂直度公差(若LZW,则以长边L为基准)L——66—3030—120120—400400—10001000—20002000—4000ABABABABABABABa值0.20.30.250.350.350.50.50.80.81.21.221.636.3焊接标注6.3.1总则严格按照国标GB324-88《焊缝符号表示法》执行;可以按照国标GB12212-90《技术制图焊缝符号的尺寸、比例及简化表示法》对焊拉进行简化表示;可以依本规范对焊缝进行标注。6.3.2标注规定6.3.2.1焊后磨平采用在焊缝符号上加平面符号来表达,并在技术要求中增加“焊后磨半粗糙度为”一条。6.3.2.2如焊缝标注中不带任何的尺寸符号,表示为连续焊缝;在表示非连续焊缝时,图纸上必须有焊缝示意,用间距均匀的细实线表达。6.3.2.3点焊缝原则上要求注明点数,并在图纸上用中心线表示焊点的大致位置。举例Cgi+++++++如对焊点位置,焊点大小,焊点间距有严格要求,在图纸上用尺寸和焊缝尺寸符号标注。6.3.3几种常见焊缝的标注方法:6.3.3.1点焊缝:一个完整的点焊缝标注如下例所示其中L1和L2为焊点的位置,如无严格要求可不标;d为焊点的直径,如无严格要求,可不标注;n为焊点数,一般不允许不标;e1为相邻焊点之间的距离,如无严格要求,可不标注e2为点焊逢之间的行间距,如无严格要求,可不标注表示焊点的中心线不可省略。6.3.3.2角焊缝Kh.rixlitJ/其中L为焊逢起始位置的定位尺寸,如不标表示焊缝从端头开始;K为焊脚的尺寸,如无严格要求,可不标注;n为焊缝段数,如无严格要求,可不标注;l为每段焊缝的长度,如无严格要求,可不标注;e为点焊缝之间的间距,如无严格要求,可不标注;如无任何尺寸参数,表示为连续焊缝。6.3.3.3I型焊缝其中L为焊逢起始位置的定位尺寸,如不标表示焊缝从端头开始;S为焊缝的有效厚度,如无严格要求,可不标注;n为焊缝段数,如无严格要求,可不标注;l为每段焊缝的长度,如无严格要求,可不标注;e为点焊缝之间的间距,如无严格要求,可不标注;如无任何尺寸参数,表示为连续焊缝。6.3.4几点说明6.3.4.1焊缝标注尽可能表达清楚,除非简化表达不影响设计质量。如对焊点的点数、焊缝的长度有特定要求时,需加上相应参数;6.3.4.2...

1、当您付费下载文档后,您只拥有了使用权限,并不意味着购买了版权,文档只能用于自身使用,不得用于其他商业用途(如 [转卖]进行直接盈利或[编辑后售卖]进行间接盈利)。
2、本站所有内容均由合作方或网友上传,本站不对文档的完整性、权威性及其观点立场正确性做任何保证或承诺!文档内容仅供研究参考,付费前请自行鉴别。
3、如文档内容存在违规,或者侵犯商业秘密、侵犯著作权等,请点击“违规举报”。

碎片内容

焊接技术规范

您可能关注的文档

确认删除?
VIP
微信客服
  • 扫码咨询
会员Q群
  • 会员专属群点击这里加入QQ群
客服邮箱
回到顶部