电脑桌面
添加小米粒文库到电脑桌面
安装后可以在桌面快捷访问

工艺介绍---看时间安排VIP免费

工艺介绍---看时间安排_第1页
1/29
工艺介绍---看时间安排_第2页
2/29
工艺介绍---看时间安排_第3页
3/29
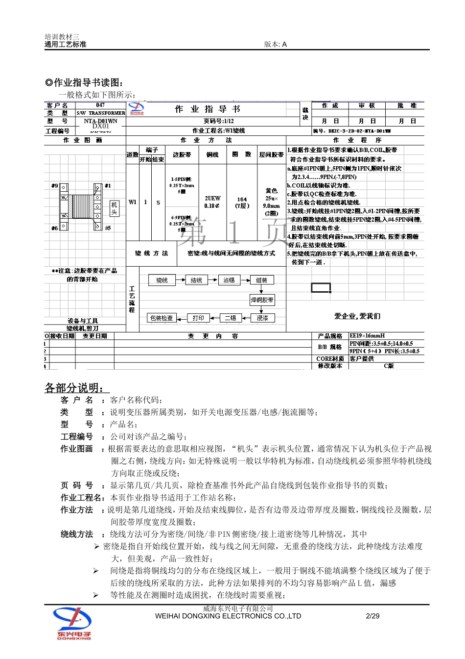
培训教材三通用工艺标准版本:A制作Preparedby:审核checkedby:日期Date:2008年5月5日日期Date:2008年5月5日威海东兴电子有限公司WEIHAIDONGXINGELECTRONICSCO.,LTD1/29变压器工艺培训教材培训教材三通用工艺标准版本:A◎作业指导书读图:一般格式如下图所示:各部分说明:客户名:客户名称代码;类型:说明变压器所属类别,如开关电源变压器/电感/扼流圈等;型号:产品名;工程编号:公司对该产品之编号;作业图画:根据需要表达的意思取相应视图,“机头”表示机头位置,通常情况下认为机头位于产品视圈之右侧,绕线方向:如无特殊说明一般以华特机为标准,自动绕线机必须参照华特机绕线方向取正绕或反绕;页码号:显示第几页/共几页,除检查基准书外此产品自绕线到包装作业指导书的页数;作业工程名:本页作业指导书适用于工作站名称;作业方法:说明是第几道绕线,开始及结束线脚位,是否有边带及边带厚度及圈数,铜线线径及圈数,层间胶带厚度宽度及圈数;绕线方法:绕线方法可分为密绕/间绕/非PIN侧密绕/接上道密绕等几种情况,其中密绕是指自开始线位置开始,线与线之间无间隙,无重叠的绕线方法,此种绕线方法难度大,但美观,产品一致性好;间绕是指将铜线均匀的分布在绕线区域上,一般用于铜线不能填满整个绕线区域为了便于后续的绕线所采取的方法,此种方法如果排列的不均匀容易影响产品L值,漏感等性能及在测圈时造成困扰,在绕线时需要重视;威海东兴电子有限公司WEIHAIDONGXINGELECTRONICSCO.,LTD2/29DX01培训教材三通用工艺标准版本:A非PIN侧密绕是指V型产品将铜线绕到非PIN侧,对于H型产品一般指A-BPIN侧密绕;接上道密绕是指在上一道绕线结束的位置开始绕线,此方法一般是上一道绕线密绕未能排满整个绕幅,为了便于排线及产品性能要求而采取的方法。密绕示意图间绕示意图工艺流程:本产品的一般作业流程,对于各工序必须注意,防止误送工序造成作业错误,如有些产品不沾锡,绕线需注意不要送到沾锡工序,各种产品有的客户需要浸漆有的客户需要点胶在作业时都需在作业流程中注意。作业程序:主要详细讲述了作业中应该注意的问题及作业方法,以下问题需要注意:首先需要检查原材料是否与作业指导书一致,如铜线、骨架、胶带等是否是所要求的材料,特别对于铜线的耐温等级及漆膜厚度等;认真确认所用骨架的PIN位的数PIN方法及机头插入方向;按要求将进出线挂到PIN之间的槽内,高频变压器如无特殊说明出线必须直角作业;绝缘胶带的作业方法目前高频变压器进出线绝缘胶带的打法主要有以下几种:层间胶带开始时跨进5mm(或10mm):结束线先不要挂PIN,以结束线PIN位向前5mm或10mm开始缠胶带,结束线打直角挂PIN后继续缠完要求的胶带圈数;层间胶带结束时在结束线处切断:层间胶带开始时有跨进一般取此方法,注意在缠完规定的胶带圈数后结束时在绕线的出线PIN位处切断,切断时应跨过结束线5-10mm,不得在结束线之前切断;层间胶带跨出5mm(或10mm):层间胶带在缠完规定圈数后,在绕线结束线PIN位处开始,跨出5mm或10mm,再将胶带切断,但切断长度不得短于规定的长度,例如:要求跨出5mm,则自绕线结束线处开始测量至胶带切断位置不得短于5mm,应在5-8mm之间;如产品作业指导书中有特殊要求除外;层间胶带不跨进跨出0.25-0.5圈(039客户就是这样要求的,而且特别严格):先将结束线挂好,层间胶带自开始处开始算起,胶带再次经过开始处为1圈,要求跨出0.25-0.5圈即是跨出1/4-1/2圈,即最后一圈胶带经过胶带开始位置后继续缠绕1/4圈以上1/2圈以下后将胶带切断;威海东兴电子有限公司WEIHAIDONGXINGELECTRONICSCO.,LTD3/291/41/2胶带起始位置胶带结束位置培训教材三通用工艺标准版本:A层间胶带的跨进主要是为了避免出线在高温沾锡时漆包膜破损而与下面的铜线短路或匝间耐压达不到要求;层间胶带跨出是为了避免绕组之间的绝缘厚度及耐压强度达不到产品要求值,即确保结束线上面的层间胶带可以达到要求的圈数及厚度;边带的作业方法边带是为了控制绕组之间及绕组与铁氧体之间的距离的,作业时需要注意以下几点:边带的高度至少应与铜线的高度齐平,如下...

1、当您付费下载文档后,您只拥有了使用权限,并不意味着购买了版权,文档只能用于自身使用,不得用于其他商业用途(如 [转卖]进行直接盈利或[编辑后售卖]进行间接盈利)。
2、本站所有内容均由合作方或网友上传,本站不对文档的完整性、权威性及其观点立场正确性做任何保证或承诺!文档内容仅供研究参考,付费前请自行鉴别。
3、如文档内容存在违规,或者侵犯商业秘密、侵犯著作权等,请点击“违规举报”。

碎片内容

工艺介绍---看时间安排

您可能关注的文档

确认删除?
VIP
微信客服
  • 扫码咨询
会员Q群
  • 会员专属群点击这里加入QQ群
客服邮箱
回到顶部