电脑桌面
添加小米粒文库到电脑桌面
安装后可以在桌面快捷访问

钢绞线理论伸长值计算书(31.5m)VIP免费

钢绞线理论伸长值计算书(31.5m)_第1页
1/31
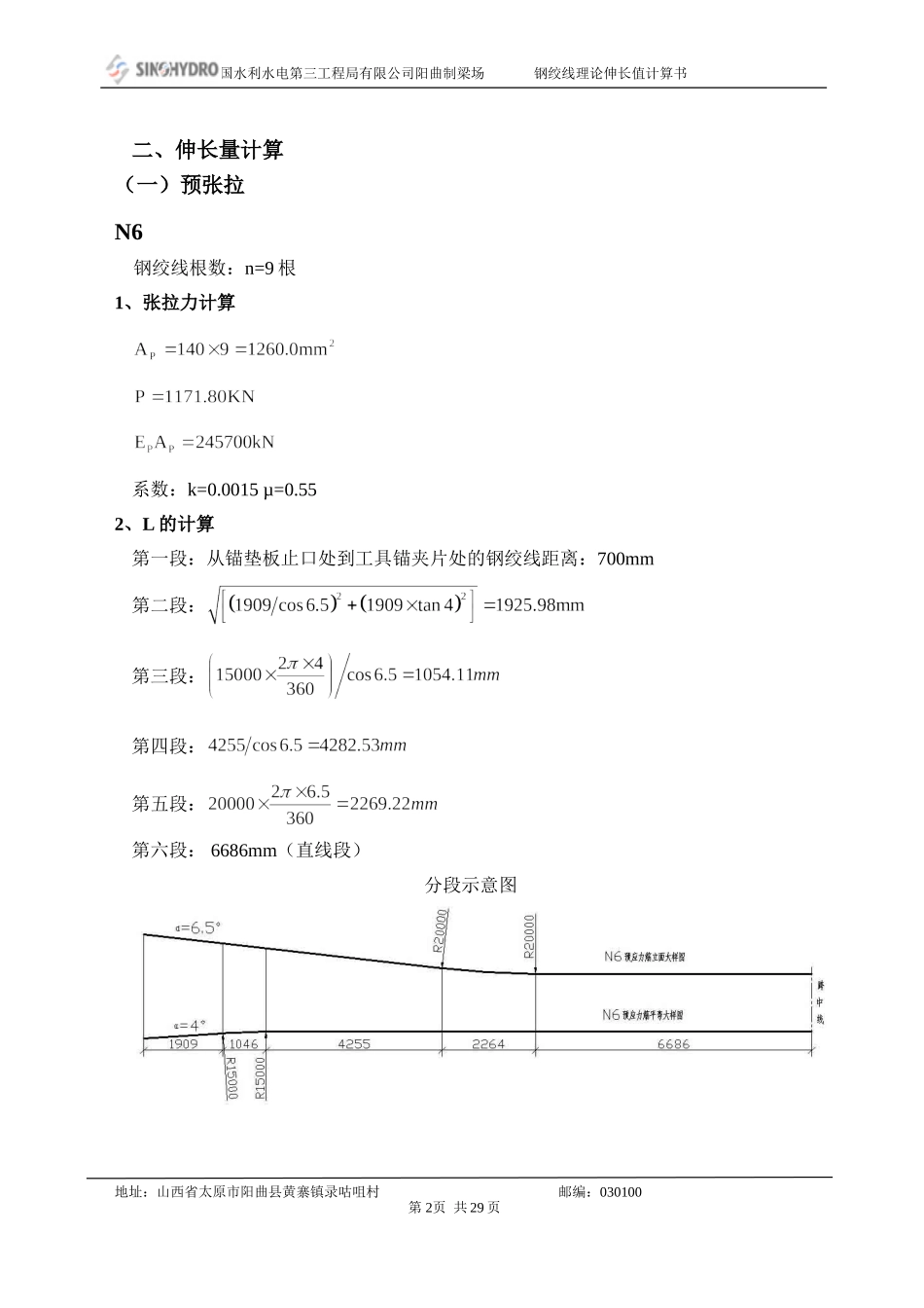
钢绞线理论伸长值计算书(31.5m)_第2页
2/31
钢绞线理论伸长值计算书(31.5m)_第3页
3/31
中国水利水电第三工程局有限公司阳曲制梁场钢绞线理论伸长值计算书中国水利水电第三工程局有限公司阳曲制梁场钢绞线理论伸长值计算书——跨度31.5m中国水利水电第三工程局有限公司阳曲制梁场无砟轨道后张法预应力混凝土简支箱梁预制中,预应力张拉设计采用标准强度fpk=1860MPa的高强低松弛钢绞线,公称直径15.2mm²,弹性模量取Ep=1.95×105MPa,为保证施工符合设计要求,施工中采用油压表读数和钢绞线拉伸量测定值双控。计算时,根据钢绞线平弯及竖弯曲线图,把钢绞线分成若干段,分别计算伸长值,总伸长值为各分段伸长值的叠加。理论伸长值计算采用胡克定理及《铁路桥涵钢筋混凝土和预应力混凝土设计规范》TB10002.3-2005中的力学公式。本计算书按曲线有声屏障梁进行计算。一、预应力平均张拉力计算公式及参数式中:Pp—预应力筋平均张拉力(N);P—预应力筋张拉端的张拉力(N);X—从张拉端至计算截面的孔道长度(m);θ—从张拉端至计算截面的曲线孔道部分切线的夹角之和(rad);k—孔道每米局部偏差对摩擦的影响系数,取0.0015;μ—预应力筋与孔道壁的摩擦系数,取0.55;ΔL—预应力伸长值计算公式;L—预应力筋的长度(mm);Ap—预应力筋的截面面积(mm2),取140mm2;Ep—预应力筋的弹性模量(N/mm2),取1.95×105N/mm2;地址:山西省太原市阳曲县黄寨镇录咕咀村邮编:030100第1页共29页中国水利水电第三工程局有限公司阳曲制梁场钢绞线理论伸长值计算书二、伸长量计算(一)预张拉N6钢绞线根数:n=9根1、张拉力计算系数:k=0.0015µ=0.552、L的计算第一段:从锚垫板止口处到工具锚夹片处的钢绞线距离:700mm第二段:第三段:第四段:第五段:第六段:6686mm(直线段)分段示意图地址:山西省太原市阳曲县黄寨镇录咕咀村邮编:030100第2页共29页中国水利水电第三工程局有限公司阳曲制梁场钢绞线理论伸长值计算书3、θ的计算第三段:第五段:4、伸长量计算故有,理论伸长量:N2a钢绞线根数:n=9根1、张拉力计算系数:k=0.0015µ=0.552、L的计算第一段:从锚垫板止口处到工具锚夹片处的钢绞线距离:700mm第二段:地址:山西省太原市阳曲县黄寨镇录咕咀村邮编:030100第3页共29页线段L(m)θ(rad)kL+μθe-(kL+μθ)1-e-(kL+μθ)P(kN)伸长值(m)第1段0.70000.00000.00110.99900.00101170.60.00334第2段1.92600.00000.00290.99710.00291167.20.00916第3段1.05410.06980.04000.96080.03921121.50.00491第4段4.28250.00000.00640.99360.00641114.30.01948第5段2.26920.11350.06580.93630.06371043.30.00996第6段6.68600.00000.01000.99000.01001032.90.02825中国水利水电第三工程局有限公司阳曲制梁场钢绞线理论伸长值计算书第三段:第四段:11704mm(直线段)分段示意图3、θ的计算第三段:4、伸长量计算故有,理论伸长量:N1b钢绞线根数:n=9根1、张拉力计算系数:k=0.0015µ=0.55地址:山西省太原市阳曲县黄寨镇录咕咀村邮编:030100第4页共29页线段L(m)θ(rad)kL+μθe-(kL+μθ)1-e-(kL+μθ)P(kN)伸长值(m)第1段0.70000.00000.00110.99900.00101170.60.00334第2段3.41830.00000.00510.99490.00511164.60.01624第3段1.04730.06980.04000.96080.03921119.00.00487第4段11.70400.00000.01760.98260.01741099.50.05284中国水利水电第三工程局有限公司阳曲制梁场钢绞线理论伸长值计算书2、L的计算第一段:从锚垫板止口处到工具锚夹片处的钢绞线距离:700mm第二段:第三段:第四段:11704mm(直线段)分段示意图3、θ的计算第三段:4、伸长量计算故有,理论伸长量:(二)初张拉N2c钢绞线根数:n=9根1、张拉力计算地址:山西省太原市阳曲县黄寨镇录咕咀村邮编:030100第5页共29页线段L(m)θ(rad)kL+μθe-(kL+μθ)1-e-(kL+μθ)P(kN)伸长值(m)第1段0.70000.00000.00110.99900.00101170.60.00334第2段3.16770.00000.00480.99530.00471165.00.01506第3段1.04730.06980.04000.96080.03921119.40.00487第4段11.70400.00000.01760.98260.01741099.90.05286中国水利水电第三工程局有限公司阳曲制梁场钢绞线理论伸长值计算书系数:k=0.0015µ=0.552、L的计算第一段:从锚垫...

1、当您付费下载文档后,您只拥有了使用权限,并不意味着购买了版权,文档只能用于自身使用,不得用于其他商业用途(如 [转卖]进行直接盈利或[编辑后售卖]进行间接盈利)。
2、本站所有内容均由合作方或网友上传,本站不对文档的完整性、权威性及其观点立场正确性做任何保证或承诺!文档内容仅供研究参考,付费前请自行鉴别。
3、如文档内容存在违规,或者侵犯商业秘密、侵犯著作权等,请点击“违规举报”。

碎片内容

钢绞线理论伸长值计算书(31.5m)

您可能关注的文档

文泉书屋+ 关注
实名认证
内容提供者

热爱教学事业,对互联网知识分享很感兴趣

确认删除?
VIP
微信客服
  • 扫码咨询
会员Q群
  • 会员专属群点击这里加入QQ群
客服邮箱
回到顶部