电脑桌面
添加小米粒文库到电脑桌面
安装后可以在桌面快捷访问

电镀余量标准VIP免费

电镀余量标准_第1页
1/17
电镀余量标准_第2页
2/17
电镀余量标准_第3页
3/17
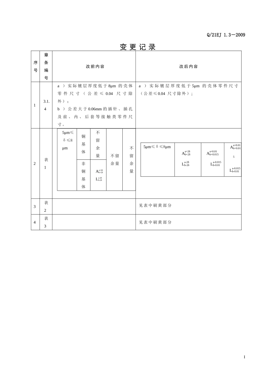
准2009-02-25发布2009-02-25实施电镀余量预留标准批中航光电科技股份有限公司Q/21EJ1.3-2009Q/21EJ1.3-2009变更记录序号章条编号改前内容改后内容13.1.4a)实际镀层厚度低于8μm的壳体零件尺寸(公差≤0.04尺寸除外);b)公差大于0.06mm的插针、插孔及前、内、后套等接触类零件尺寸。a)实际镀层厚度低于5μm的壳体零件尺寸(公差≤0.04尺寸除外);2表15μm≤δ≤8μm铜基体不留余量不留余量不留余量非铜基体Aa+2δb+2δLa-2δb-2δ5μm≤δ≤8μmAa+2δb+2δLa-2δb-2δAa+0.01b+0.015La-0.015b-0.01Aa+0.01b+0.015La-0.015b-0.013表2见表中刷黄部分4表3见表中刷黄部分IQ/21EJ1.3-2009前言为了明确须表面涂覆零部件表面涂覆前除螺纹外尺寸控制,规范机械加工工艺编制及表面涂覆前尺寸检验,保证零部件各尺寸表面涂覆(以下简称电镀)后符合产品图样要求,特编制本标准。本标准由产品发展部提出。本标准由产品发展部标准化室归口。本标准起草单位:产品发展部。本标准主要起草人:王晓伟。发放单位:标准化、质量保证部、制造与运营管理部、成件部、针孔分厂、壳体分厂、塑压分厂、热表分厂、模具分厂、高频分厂、采购专家团IIQ/21EJ1.3-2009电镀余量预留标准1范围本标准规定了本公司需电镀零件除螺纹外预留电镀余量的一般要求,作为零件生产制造、镀前验收的标准。本标准适用于本公司所有需电镀零件,包括铝及铝合金、铜及铜合金、钢铁基体、锌合金、复合材料等。(如有特殊情况,另行规定。)2规范性引用文件下列文件中的条款通过本规范的引用而成为本规范的条款。凡是注明日期的引用文件,其随后的所有修改单(不包括勘误的内容)或修订版均不适用于本规范,然而,鼓励根据本规范达成协议的各方研究是否可使用这些文件的最新版本。凡不注明日期的引用文件,其最新版本适用于本规范。GJB/Z594A金属镀覆层和化学覆盖层选择原则与厚度系列Q/21EJ123型号、图号管理的有关规定Q/21EJ126JY599系列产品镀层、键位标识的详细规范Q/21EJ144JY598系列产品镀层、键位标识的详细规范Q/21EJ224Y50、Y11系列电连接器技术规范Q/21EJ442JY600、JYB600系列产品镀层、键位标识的详细规范Q/21EJ470JY83723Ⅲ系列产品镀层、键位详细规范3要求3.1电镀余量预留原则3.1.1一般余量原则一般情况下,需电镀零件加工时各尺寸预留余量=2×镀层厚度中限。例:图纸规定零件表面处理Ap·Ni20,表示化学镀镍20μm~30μm,则预留余量为2×25μm=0.05mm。3.1.2公差圆整原则考虑到量具制作及尺寸测量的便利性,按照四舍五入的原则预留实际余量。除特殊要求外,公差精度一般控制到0.01mm,但是如果图纸尺寸精度等级为0.001mm,则不对其镀层余量进行圆整。例:钢基零件表面处理为Ep·Cu5Ni5b,表示含义为需电镀铜5μm~8μm,电镀亮镍5μm~8μm,则镀层厚度中限以13μm计算,预留镀层余量为2×13μm=26μm,一般情况下,按照四舍五入的原则,实际余量按照30μm即0.03mm预留。3.1.3公差压缩原则(对于图纸标注公差△>0.06的尺寸有效)对于镀层厚度为8μm~30μm的零件,孔、槽尺寸的下限按预留余量原则所得余量上浮0.05mm,孔、槽尺寸的上限上浮0.025mm;轴、键尺寸的上限按预留余量原则所得余量下浮0.05mm,轴、键尺寸的下限下浮0.025mm。例:铝基零件,表面处理为Ap·Ni20或Ap·Ni8,某孔图纸尺寸φAab,则机加时按照φAa+0.025b+0.05控制;某键宽图纸尺寸Lab,则机加时按照La-0.05b-0.025控制。3.1.4不留余量原则下列情况可不留镀层余量:a)实际镀层厚度低于5μm的壳体零件尺寸(公差≤0.04尺寸除外);3.1.5预留余量优先原则零件生产时,一般按照3.1.3→3.1.2→3.1.1→3.1.4的顺序考虑加工尺寸的电镀余量。1Q/21EJ1.3-20093.2不同镀层厚度、不同公差等级尺寸电镀余量预留办法按照3.1条电镀余量预留原则,一般情况下,不同镀层厚度、不同公差等级尺寸电镀余量预留办法见表1。当铜基体壳体零件镀铬层为SB.AP.Ni3Ep.Cr0.5、AP.Ni3Ep.Cr0.5、SB.AP.Ni3Ep.Cr(BK)、AP.Ni3Ep.Cr(BK)时,其电镀余量预留办法见表3表1零件预留电镀余量计算方法表尺寸公差预留余量原则镀层厚度Δ≤0.04mm0.04mm<Δ≤0.06mmΔ>0...

1、当您付费下载文档后,您只拥有了使用权限,并不意味着购买了版权,文档只能用于自身使用,不得用于其他商业用途(如 [转卖]进行直接盈利或[编辑后售卖]进行间接盈利)。
2、本站所有内容均由合作方或网友上传,本站不对文档的完整性、权威性及其观点立场正确性做任何保证或承诺!文档内容仅供研究参考,付费前请自行鉴别。
3、如文档内容存在违规,或者侵犯商业秘密、侵犯著作权等,请点击“违规举报”。

碎片内容

电镀余量标准

您可能关注的文档

确认删除?
VIP
微信客服
  • 扫码咨询
会员Q群
  • 会员专属群点击这里加入QQ群
客服邮箱
回到顶部