电脑桌面
添加小米粒文库到电脑桌面
安装后可以在桌面快捷访问

柳州张拉油缸说明书VIP免费

柳州张拉油缸说明书_第1页
1/8
柳州张拉油缸说明书_第2页
2/8
柳州张拉油缸说明书_第3页
3/8
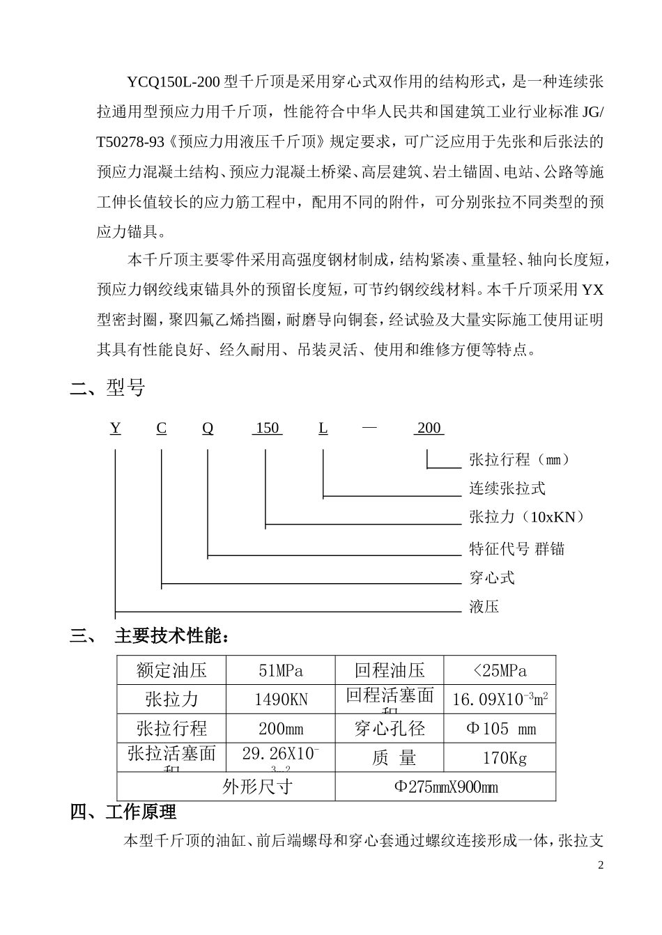
YCQ150L-200型千斤顶使用说明书一、用途及特点1YCQ150L-200型千斤顶是采用穿心式双作用的结构形式,是一种连续张拉通用型预应力用千斤顶,性能符合中华人民共和国建筑工业行业标准JG/T50278-93《预应力用液压千斤顶》规定要求,可广泛应用于先张和后张法的预应力混凝土结构、预应力混凝土桥梁、高层建筑、岩土锚固、电站、公路等施工伸长值较长的应力筋工程中,配用不同的附件,可分别张拉不同类型的预应力锚具。本千斤顶主要零件采用高强度钢材制成,结构紧凑、重量轻、轴向长度短,预应力钢绞线束锚具外的预留长度短,可节约钢绞线材料。本千斤顶采用YX型密封圈,聚四氟乙烯挡圈,耐磨导向铜套,经试验及大量实际施工使用证明其具有性能良好、经久耐用、吊装灵活、使用和维修方便等特点。二、型号YCQ150L—200张拉行程(㎜)连续张拉式张拉力(10xKN)特征代号群锚穿心式液压三、主要技术性能:额定油压51MPa回程油压<25MPa张拉力1490KN回程活塞面积16.09X10-3m2张拉行程200mm穿心孔径Φ105mm张拉活塞面积29.26X10-3m2质量170Kg外形尺寸Φ275mmX900mm四、工作原理本型千斤顶的油缸、前后端螺母和穿心套通过螺纹连接形成一体,张拉支2座与千斤顶的油缸连接形成一体,通过限位板支承在工作锚具的锚板上,构成一组“不动体”。而千斤顶的活塞和支承其上的工具锚则构成一组“运动体”,当液压油推动“运动体”向右运动时即可进行张拉;当液压油推动“运动体”向左运动时,即是张拉结束后活塞回程。五、使用方法(一)张拉群锚1、准备工作:首先应了解工程设计中对预应力束的张拉要求,例如每束钢绞线的根数、标准强度、截面积数值、控制应力δK、要求的张拉伸长值、锚具的回缩值等,然后根据“油压—输出力”标定值确定δK时的油压值。2、千斤顶和锚具的安装:(见图2:安装方法示意图)1)将钢绞线穿入结构物的预留孔道。在张拉端要求钢绞线束的“外露长度”比千斤顶的工作长度长出200~250㎜。钢绞线必须用薄片砂轮机切割,切后不得散头,也不得出现“毛头”,以免穿孔困难。2)安装工作锚夹片时将夹片沿钢绞线推入锚板的锥孔中,敲平。3)安装限位板。限位板根据工作锚板的设计,与锚板的孔相对应配合。(1、2、3步骤按实际工地是否需要使用工作夹片情况而定)4)安装千斤顶。先将钢绞线束端部用铁丝稍加捆扎,即可将千斤顶吊起3来穿套在钢绞线束上,并将千斤顶前端盖支承口套在限位板的外面。这时千斤顶即可同轴对中。5)将工具锚安装在活塞端部的支承止口上,出厂时已安装好,若穿钢绞线困难,可把工具锚上的压板取下,再穿钢绞线。6)当回程时,若工具夹片上的调节弹簧不能把工具夹片顶回,可调节工具锚上的调节螺母来增大回程力。2、张拉:1)启动油泵,向张拉缸供油进行张拉。同时调节节流阀,以控制油压高低和张拉速度。2)在活塞外伸时,工具锚1的夹片可自行夹紧钢绞线。工作锚2的夹片放松,会被稍微带出,而不会退出工具锚孔。3)当活塞行程还剩余10~20㎜时,应停止向油缸供油,此时应将回流阀回旋,回时轻回截止阀(回油阀)。由于钢绞线的回缩,活塞将被拉回若干毫米,这时工具夹片被带入工具锚板2内而自行夹紧。4)关闭截止阀、打开节流阀向(回程缸)供油,活塞回程,留10~20㎜即可停泵。至此,已完成一个张拉循环。因钢绞线束较长,一次张拉伸长值不够,进行第二次张拉。重复本节步骤1~4,完成第二次张拉循环。如此重复张拉,直至达到控制应力为止。六、配套设备油泵:ZB4/500油泵或其它具有同等性能的其它型号油泵液压油选用50℃、运动粘度为12~60㎜2/s、杂质直径不大于137μm并具有一定防锈能力的优质矿物油,根据环境温度实际情况一般采用液压油L-HM32或液压油L-HM46,当在特殊环境中使用,需另行选用油管:G6III高压油管,油嘴螺纹M16×1.5压力表:精度1.5级七、维护保养4a)为保证张拉力的准确性,应定期对张拉设备系统(千斤顶、油泵、油表、油管)进行“油压力—输出力”的标定。标定工作宜在压力机上进行,以千斤顶的主动工作状态为准,分级记录,取三次测量的平均值,制成图表或绘出曲线,作为张拉时的依据。当发生下列几种情况时,应对液压系统进行重新标定...

1、当您付费下载文档后,您只拥有了使用权限,并不意味着购买了版权,文档只能用于自身使用,不得用于其他商业用途(如 [转卖]进行直接盈利或[编辑后售卖]进行间接盈利)。
2、本站所有内容均由合作方或网友上传,本站不对文档的完整性、权威性及其观点立场正确性做任何保证或承诺!文档内容仅供研究参考,付费前请自行鉴别。
3、如文档内容存在违规,或者侵犯商业秘密、侵犯著作权等,请点击“违规举报”。

碎片内容

柳州张拉油缸说明书

您可能关注的文档

确认删除?
VIP
微信客服
  • 扫码咨询
会员Q群
  • 会员专属群点击这里加入QQ群
客服邮箱
回到顶部