电脑桌面
添加小米粒文库到电脑桌面
安装后可以在桌面快捷访问

每立方米钢筋砼钢筋含量参考值VIP免费

每立方米钢筋砼钢筋含量参考值_第1页
1/13
每立方米钢筋砼钢筋含量参考值_第2页
2/13
每立方米钢筋砼钢筋含量参考值_第3页
3/13
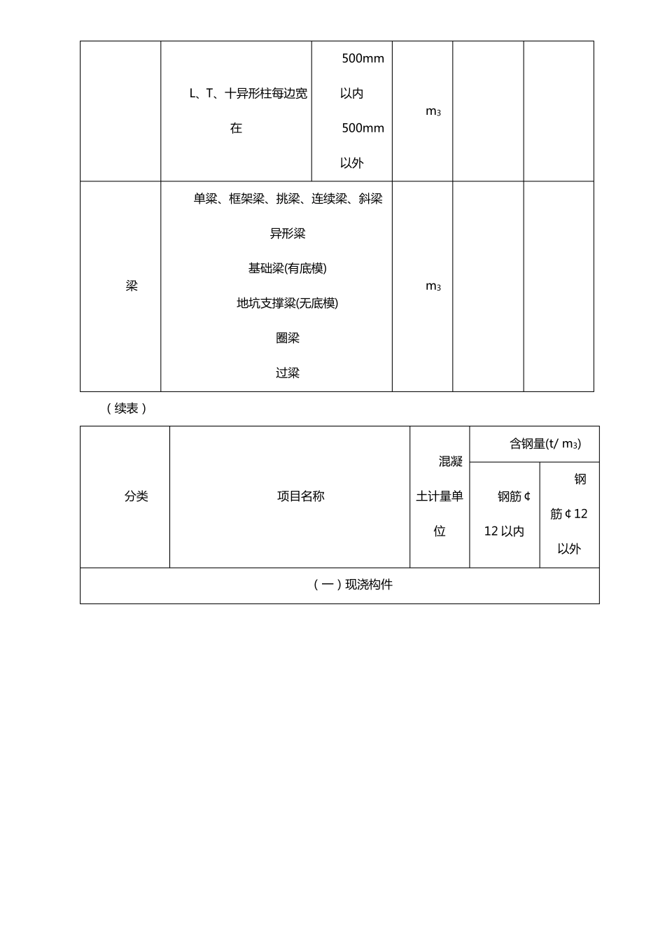
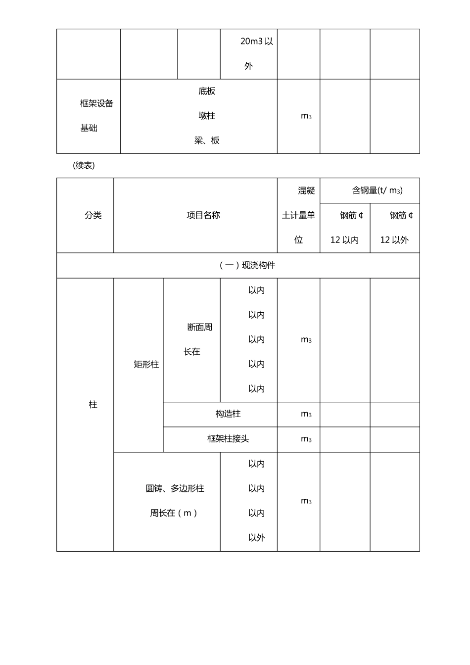
每立方米钢筋砼钢筋含量(参考量)含钢量(t/m3)分类项目名称混凝土计量单位钢筋¢12以内(一)现浇构件砼墙基础防潮层砼垫层毛石砼带形基础砼碎石垫层上砼看台有梁式钢筋砼无梁式钢筋砼毛石砼砼独立基础普通柱基杯形基础高颈杯形基础垫层满堂基础无梁式有梁式5m3以毛石砼单体设备基础砼在钢筋砼内20m3以内m3m3m3m3钢筋¢12以外20m3以外底板框架设备墩柱基础梁、板(续表)混凝分类项目名称土计量单位(一)现浇构件以内以内断面周以内长在矩形柱以内以内柱框架柱接头以内圆铸、多边形柱周长在(m)以内m3以内以外m3构造柱m3m3含钢量(t/m3)钢筋¢钢筋¢m312以内12以外500mmL、T、十异形柱每边宽在以内m3500mm以外单粱、框架梁、挑梁、连续梁、斜梁异形粱基础梁(有底模)梁地坑支撑粱(无底模)圈梁过粱(续表)含钢量(t/m3)混凝钢分类项目名称土计量单位钢筋¢筋¢1212以内以外(一)现浇构件m3100mm以内200mm以地面以上钢筋混凝士墙厚(mm)内300mm以内电梯井墙大钢模墙滑升模板墙地下室墙、挡土墙厚(mm毛石砼)100mm内200mm内有梁板200mm外阶梯教室、板m3平板刚性屋面板100mm内10100mm外m2拱形板m3无梁板m3m3m3钢筋砼砼400内400外m3300内300外m3注:l、细石砼楼面找平层设计有钢筋时,含钢量按/10m2执行。(续表)含钢量(t/m3)混凝钢分类项目名称土计量单位钢筋¢筋¢1212以内以外(一)现浇构件雨篷板式、横向携沿雨篷复式直形楼梯圆弧形楼梯台阶阳台其它10m计算栏杆按附在梁上砼线条m2/10m计算按按10m2水平投影面积计算栏板、竖向挑板钢筋砼电缆沟门框框架柱接头挑檐、天沟扶手、压顶屋面水箱池槽小型构件(续表)含钢量(t/m3)混凝钢分类项目名称土计量单位钢筋¢筋¢2020以内以外(二)现场预制构件桩方桩单根构件在2m3以内矩形柱单根构件在2m3以柱I形柱双肢柱空格柱m3外m3m3m3矩形梁、弧(拱)形粱基础粱过梁T、十异形梁梁吊车梁(T形)吊车粱(鱼腹式)托架梁风道梁拱(梯)形、组合式锯齿砼屋架薄腹三角形门架刚式混凝分类项目名称土计量单位(二)现场预制构件钢筋¢20以内含钢量(t/m3)钢筋¢20以外预应力钢筋m3m3天窗架天窗端壁小型构件板支撑、腹杆、天窗上下档、预制栏杆天隔断窗楼梯斜梁架围墙柱、槽形板端有花镂空花格窗壁花格芯其矩形檩条他架空板梁平板及地沟盖板挑檐天沟固定天窗吊车梁T形现场吊车粱(鱼腹式)后张托架梁发预拱(梯)应力屋架构件薄形形m3m3m3m3m3(续表)混凝分项目名称类位(三)加工厂预制构件矩形粱异形粱梁T形吊车梁过梁圆孔板长度4m以内圆孔板长度4m以外槽形板大型屋面板板F型板平板及地沟盖板网架板大型多孔墙板、楼板实心墙板m3土计量单钢筋¢16以内以外钢筋¢16含钢量(t/m3)围墙柱天窗架天窗端壁、侧板其他构件矩形檩条挑沿、天沟楼梯段(空心)楼梯段(实心)楼梯斜粱L形楼梯踏步架空板(续表)含钢量(t/m3)分项目名称类量单位内其他构件有框漏空花格窗花格芯水磨石隔断、窗台板小型构件有筋m310r以外砼计钢筋¢16以钢筋¢16支撑、腹杆、天窗上下档冷拔φ5以外冷拔φ5以外冷拔φ5以矩形梁先大型屋面板张F形板法槽(肋)形板预天沟应圆孔板厚120mm以内力圆孔板厚120mm以上构矩形桁条件平板外冷拔φ5以外冷拔φ5以外m3冷拔φ5以外冷拔φ5以外冷拔φ5以外冷拔φ5以外1.综合脚手架按建筑面积以平方米计算。2.建筑物的檐高应以设计室外地坪至檐口滴水的高度为准,如有女儿墙者,其高度算至女儿墙顶面,带挑檐者,其高度算至挑檐下皮,多跨建筑物如高度不同时,应别离按不同高度计算,同一建筑有不同结构时,应以建筑面积比重较大者为准,前后檐高度不同时,以较高的高度为准。3.执行综合脚手架基价的工程,其中另列单项脚手架基价计算的项目,按下列计算方式执行(1)满堂基础及高度(指垫层上皮至基础顶面)超过的混凝土或钢筋混凝土基础的脚手架按槽底面积计算,套用钢筋混凝土基础脚手架基价。(2)多层建筑室内净高超过的天棚或顶板抹灰的脚手架,按满堂脚手架基价执行。(3)室内净高超过的屋面板勾缝、油漆或喷浆的脚手架按主墙间的面积计算,执行活动脚手架(无露明屋架者)或悬空脚手架(有露明屋架者)基价。(4)砌筑高度超过的屋顶烟囱,按外围周长另加乘以烟囱出顶...

1、当您付费下载文档后,您只拥有了使用权限,并不意味着购买了版权,文档只能用于自身使用,不得用于其他商业用途(如 [转卖]进行直接盈利或[编辑后售卖]进行间接盈利)。
2、本站所有内容均由合作方或网友上传,本站不对文档的完整性、权威性及其观点立场正确性做任何保证或承诺!文档内容仅供研究参考,付费前请自行鉴别。
3、如文档内容存在违规,或者侵犯商业秘密、侵犯著作权等,请点击“违规举报”。

碎片内容

每立方米钢筋砼钢筋含量参考值

您可能关注的文档

爱的疯狂+ 关注
实名认证
内容提供者

该用户很懒,什么也没介绍

确认删除?
VIP
微信客服
  • 扫码咨询
会员Q群
  • 会员专属群点击这里加入QQ群
客服邮箱
回到顶部