电脑桌面
添加小米粒文库到电脑桌面
安装后可以在桌面快捷访问

高中物理高考试题分类汇编三、牛顿定律全国通用VIP免费

高中物理高考试题分类汇编三、牛顿定律全国通用_第1页
1/36
高中物理高考试题分类汇编三、牛顿定律全国通用_第2页
2/36
高中物理高考试题分类汇编三、牛顿定律全国通用_第3页
3/36
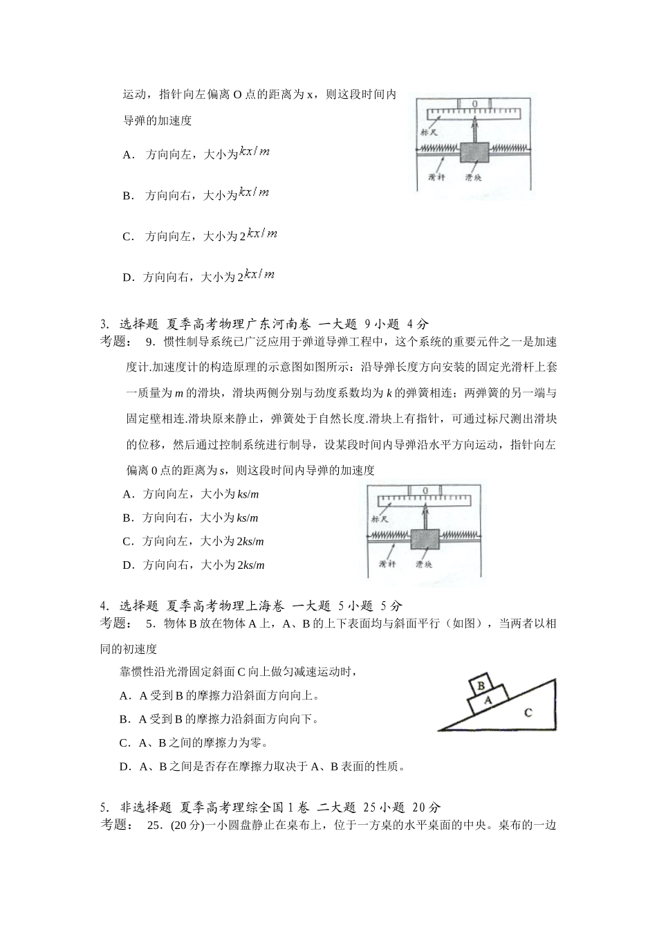
三、牛顿运动定律……………………………………………………………………82答案……………………………………………………………………………104三、牛顿定律1.非选择题夏季高考物理上海卷四大题21小题12分考题:21.(12分)风洞实验室中可以产生水平方向的、大小可调节的风力,现将一套有小球的细直杆放入风洞实验室,小球孔径略大于细杆直径。(1)当杆在水平方向上固定时,调节风力的大小,使小球在杆上作匀速运动,这时小班干部所受的风力为小球所受重力的0.5倍,求小球与杆间的滑动摩擦因数。(2)保持小球所受风力不变,使杆与水平方向间夹角为37°并固定,则小球从静止出发在细杆上滑下距离S所需时间为多少?(sin37°=0.6,cos37°=0.8)16.牛顿第一定律.惯性1.选择题夏季高考大综江苏河南卷一大题28小题6分考题:28.如图4所示,物体a、b和c叠放在水平桌面上,水平力F6—5N、FC=10N分别作用于物体b、c上,a、b和c仍保持静止。以f1、f2、f3分别表示a与b、b与c、c与桌面间的静摩擦力的大小则A.f1=5N,f2=0,f3=5NB.f1=5N,f2=5N,f3=0C.f1=0,f2=5N,f3=5ND.f1=0,f2=10N,f3=5N2.选择题夏季高考物理全国卷一大题8小题4分考题:8.惯性制导系统已广泛应用于弹道式导弹工程中,这个系统的重要元件之一是加速度计,加速度计的构造原理的示意图如图所示:沿导弹长度方向安装的固定光滑杆上套一质量为m的滑块,滑块两侧分别与劲度系数均为k的弹簧相连;两弹簧的另一端与固定端相连,滑块原来静止,弹簧处于自然长度,滑块上有指针,可通过标尺测出滑块的位移,然后通过控制系统进行制导,设某段时间内导弹沿水平方向图4运动,指针向左偏离O点的距离为x,则这段时间内导弹的加速度A.方向向左,大小为B.方向向右,大小为C.方向向左,大小为2D.方向向右,大小为23.选择题夏季高考物理广东河南卷一大题9小题4分考题:9.惯性制导系统已广泛应用于弹道导弹工程中,这个系统的重要元件之一是加速度计.加速度计的构造原理的示意图如图所示:沿导弹长度方向安装的固定光滑杆上套一质量为m的滑块,滑块两侧分别与劲度系数均为k的弹簧相连;两弹簧的另一端与固定壁相连.滑块原来静止,弹簧处于自然长度.滑块上有指针,可通过标尺测出滑块的位移,然后通过控制系统进行制导,设某段时间内导弹沿水平方向运动,指针向左偏离0点的距离为s,则这段时间内导弹的加速度A.方向向左,大小为ks/mB.方向向右,大小为ks/mC.方向向左,大小为2ks/mD.方向向右,大小为2ks/m4.选择题夏季高考物理上海卷一大题5小题5分考题:5.物体B放在物体A上,A、B的上下表面均与斜面平行(如图),当两者以相同的初速度靠惯性沿光滑固定斜面C向上做匀减速运动时,A.A受到B的摩擦力沿斜面方向向上。B.A受到B的摩擦力沿斜面方向向下。C.A、B之间的摩擦力为零。D.A、B之间是否存在摩擦力取决于A、B表面的性质。5.非选择题夏季高考理综全国1卷二大题25小题20分考题:25.(20分)一小圆盘静止在桌布上,位于一方桌的水平桌面的中央。桌布的一边与桌的AB边重合,如图。已知盘与桌布间的动摩擦因数为,盘与桌面间的动摩擦因数为。现突然以恒定加速度a将桌布抽离桌面,加速度方向是水平的且垂直于AB边。若圆盘最后未从桌面掉下,则加速度a满足的条件是什么?(以g表示重力加速度)6.非选择题夏季高考理综上海卷第II卷大题50小题0分考题:50.理想实验有时更能深刻地反映自然规律。伽利略设想了一个理想实验,其中有一个是经验事实,其余是推论。①减小第二个斜面的倾角,小球在这斜面上仍然要达到原来的高度②两个对接的斜面,让静止的小球沿一个斜面滚下,小球将滚上另一个斜面③如果没有摩擦,小球将上升到原来释放时的高度④继续减小第二个斜面的倾角,最后使它成水平面,小球要沿水平面作持续的匀速运动请将上述理想实验的设想步骤按照正确的顺序排列(只要写序号即可)在上述的设想步骤中,有的属于可靠的事实,有的则是理想化的推论。下列关于事实和推论的分类正确的是A.①是事实,②③④是推论B.②是事实,①③④是推论C.③是事实,①②④是推论D.④是事实,①②③是推论17.牛顿第二定律.质量....

1、当您付费下载文档后,您只拥有了使用权限,并不意味着购买了版权,文档只能用于自身使用,不得用于其他商业用途(如 [转卖]进行直接盈利或[编辑后售卖]进行间接盈利)。
2、本站所有内容均由合作方或网友上传,本站不对文档的完整性、权威性及其观点立场正确性做任何保证或承诺!文档内容仅供研究参考,付费前请自行鉴别。
3、如文档内容存在违规,或者侵犯商业秘密、侵犯著作权等,请点击“违规举报”。

碎片内容

高中物理高考试题分类汇编三、牛顿定律全国通用

您可能关注的文档

确认删除?
VIP
微信客服
  • 扫码咨询
会员Q群
  • 会员专属群点击这里加入QQ群
客服邮箱
回到顶部